三相并网逆变器外环PI+内环模型预测MPC电流矢量控制仿真(带简要文档)

简介: ✅作者简介:热爱科研的Matlab仿真开发者,擅长数据处理、建模仿真、程序设计、完整代码获取、论文复现及科研仿真。🍎 往期回顾关注个人主页:Matlab科研工作室🍊个人信条:格物致知,完整Matlab代码及仿真咨询内容私信。🔥 内容介绍一、三相并网逆变器的关键作用与挑战三相并网逆变器在现代电力系统中具有举足轻重的地位,特别是在可再生能源发电领域,如太阳能光伏、风力发电等。其核心功能是将直流电转换为与电网同频率、同相位且符合电能质量要求的三相交流电,并实现高效、稳定的并网。然而,这一过程面临诸多挑战:电能质量要求严格:为保障电网的稳定运行以及各类用电设备的正常工作,并网电

✅作者简介:热爱科研的Matlab仿真开发者,擅长数据处理、建模仿真、程序设计、完整代码获取、论文复现及科研仿真。

🍎 往期回顾关注个人主页:Matlab科研工作室

🍊个人信条:格物致知,完整Matlab代码及仿真咨询内容私信。

🔥 内容介绍

一、三相并网逆变器的关键作用与挑战

三相并网逆变器在现代电力系统中具有举足轻重的地位,特别是在可再生能源发电领域,如太阳能光伏、风力发电等。其核心功能是将直流电转换为与电网同频率、同相位且符合电能质量要求的三相交流电,并实现高效、稳定的并网。然而,这一过程面临诸多挑战:

  1. 电能质量要求严格:为保障电网的稳定运行以及各类用电设备的正常工作,并网电流需具备低谐波畸变率、高功率因数等优良特性。这就要求逆变器能够精准控制输出电流的幅值、相位和频率,确保与电网完美匹配。
  2. 应对复杂工况变化:实际运行中,逆变器需适应多种工况变化,如负载的频繁变动、电网电压的波动以及频率的漂移等。在这些情况下,逆变器必须保持稳定运行,并能快速响应以维持良好的电能输出。

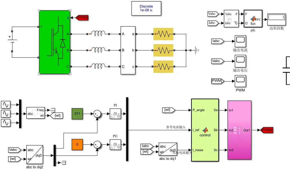
二、外环 PI 控制原理

  1. PI 控制器基本原理:PI(比例 - 积分)控制器是经典的反馈控制策略,广泛应用于各类控制系统。其工作原理基于设定值(期望输出)与实际测量值之间的误差 e(t) 来生成控制信号 u(t),数学表达式为 u(t)=Kpe(t)+Ki0te(τ)dτ。其中,Kp 为比例系数,决定了控制器对误差的即时响应强度,能够快速减小误差;Ki 是积分系数,主要作用是消除稳态误差,通过对误差的积分运算,即使误差较小,随着时间积累也能产生足够的控制量来纠正偏差。
  2. 在三相并网逆变器中的应用:在三相并网逆变器中,外环 PI 控制主要用于稳定三相输出电压。通过实时测量三相输出电压的实际值,并与参考电压(通常依据电网标准设定)进行对比,得出误差信号。PI 控制器依据该误差信号生成控制信号,以此调整逆变器输出电压的幅值。例如,当实际输出电压低于参考电压时,PI 控制器输出增大,促使逆变器输出电压幅值升高;反之,当实际输出电压高于参考电压时,PI 控制器输出减小,降低逆变器输出电压幅值。通过持续调整,使三相输出电压稳定在参考电压附近,为内环电流控制提供稳定的电压基础。

三、内环模型预测控制(MPC)原理

  1. 模型预测控制基本概念:模型预测控制(MPC)是基于模型的先进控制策略。它借助系统的预测模型预估系统未来的行为,在每个控制周期内求解一个优化问题,以确定最优的控制输入。具体而言,在每个采样时刻,MPC 利用预测模型预测系统在未来多个时刻的输出,并依据一定的性能指标(如最小化实际电流与参考电流的误差)来挑选最优的控制动作。
  2. 在三相并网逆变器电流控制中的应用:在三相并网逆变器的电流内环控制中,MPC 利用逆变器的数学模型来预测下一个控制周期内不同电压矢量作用下的输出电流。三相逆变器具有八个基本电压矢量(包括六个有效矢量和两个零矢量)。在每个控制周期,MPC 首先检测实际输出电流值,并与参考电流值进行比较,计算出电流误差。接着,依据逆变器模型预测每个电压矢量作用下未来时刻的电流响应。然后,通过评估函数(如以电流误差的平方和最小为目标)来衡量每个电压矢量对减小电流误差的效果。最后,选择使评估函数值最小的电压矢量作为下一个控制周期的输出,从而实现对输出电流的精确控制。通过不断重复这一过程,使实际输出电流紧密跟踪参考电流,满足并网对电流质量的严格要求。

四、外环 PI + 内环 MPC 电流矢量控制优势

  1. 稳定电压输出:外环 PI 控制能够有效稳定三相输出电压,使其免受负载变化、电网电压波动等因素的干扰,为内环电流控制提供稳定可靠的工作电压,有力保障整个系统的稳定性。
  2. 精确电流跟踪:内环 MPC 电流控制基于逆变器模型进行电流预测,能够快速、精准地响应电流变化。通过比较八个电压矢量并挑选最优矢量输出,实现对输出电流的精确跟踪控制,显著提高并网电流的电能质量,降低谐波畸变率,提升功率因数。
  3. 快速动态响应:这种双环控制策略有机结合了 PI 控制器的稳定性和 MPC 的快速动态响应能力。当系统遭遇扰动(如负载突变、电网电压暂降等)时,电压外环 PI 控制能够迅速调整输出电压,内环 MPC 电流控制能够快速跟踪参考电流的变化,使逆变器能够快速适应工况变化,减少对电网的冲击,极大提高系统的可靠性和稳定性。

⛳️ 运行结果

🔗 参考文献

📣 部分代码

🎈 部分理论引用网络文献,若有侵权联系博主删除

👇 关注我领取海量matlab电子书和数学建模资料

🏆团队擅长辅导定制多种科研领域MATLAB仿真,助力科研梦:

🌈 各类智能优化算法改进及应用

生产调度、经济调度、装配线调度、充电优化、车间调度、发车优化、水库调度、三维装箱、物流选址、货位优化、公交排班优化、充电桩布局优化、车间布局优化、集装箱船配载优化、水泵组合优化、解医疗资源分配优化、设施布局优化、可视域基站和无人机选址优化、背包问题、 风电场布局、时隙分配优化、 最佳分布式发电单元分配、多阶段管道维修、 工厂-中心-需求点三级选址问题、 应急生活物质配送中心选址、 基站选址、 道路灯柱布置、 枢纽节点部署、 输电线路台风监测装置、 集装箱调度、 机组优化、 投资优化组合、云服务器组合优化、 天线线性阵列分布优化、CVRP问题、VRPPD问题、多中心VRP问题、多层网络的VRP问题、多中心多车型的VRP问题、 动态VRP问题、双层车辆路径规划(2E-VRP)、充电车辆路径规划(EVRP)、油电混合车辆路径规划、混合流水车间问题、 订单拆分调度问题、 公交车的调度排班优化问题、航班摆渡车辆调度问题、选址路径规划问题、港口调度、港口岸桥调度、停机位分配、机场航班调度、泄漏源定位

🌈 机器学习和深度学习时序、回归、分类、聚类和降维

2.1 bp时序、回归预测和分类

2.2 ENS声神经网络时序、回归预测和分类

2.3 SVM/CNN-SVM/LSSVM/RVM支持向量机系列时序、回归预测和分类

2.4 CNN|TCN|GCN卷积神经网络系列时序、回归预测和分类

2.5 ELM/KELM/RELM/DELM极限学习机系列时序、回归预测和分类
2.6 GRU/Bi-GRU/CNN-GRU/CNN-BiGRU门控神经网络时序、回归预测和分类

2.7 ELMAN递归神经网络时序、回归\预测和分类

2.8 LSTM/BiLSTM/CNN-LSTM/CNN-BiLSTM/长短记忆神经网络系列时序、回归预测和分类

2.9 RBF径向基神经网络时序、回归预测和分类

2.10 DBN深度置信网络时序、回归预测和分类
2.11 FNN模糊神经网络时序、回归预测
2.12 RF随机森林时序、回归预测和分类
2.13 BLS宽度学习时序、回归预测和分类
2.14 PNN脉冲神经网络分类
2.15 模糊小波神经网络预测和分类
2.16 时序、回归预测和分类
2.17 时序、回归预测预测和分类
2.18 XGBOOST集成学习时序、回归预测预测和分类
2.19 Transform各类组合时序、回归预测预测和分类
方向涵盖风电预测、光伏预测、电池寿命预测、辐射源识别、交通流预测、负荷预测、股价预测、PM2.5浓度预测、电池健康状态预测、用电量预测、水体光学参数反演、NLOS信号识别、地铁停车精准预测、变压器故障诊断

🌈图像处理方面

图像识别、图像分割、图像检测、图像隐藏、图像配准、图像拼接、图像融合、图像增强、图像压缩感知

🌈 路径规划方面

旅行商问题(TSP)、车辆路径问题(VRP、MVRP、CVRP、VRPTW等)、无人机三维路径规划、无人机协同、无人机编队、机器人路径规划、栅格地图路径规划、多式联运运输问题、 充电车辆路径规划(EVRP)、 双层车辆路径规划(2E-VRP)、 油电混合车辆路径规划、 船舶航迹规划、 全路径规划规划、 仓储巡逻

🌈 无人机应用方面

无人机路径规划、无人机控制、无人机编队、无人机协同、无人机任务分配、无人机安全通信轨迹在线优化、车辆协同无人机路径规划

🌈 通信方面

传感器部署优化、通信协议优化、路由优化、目标定位优化、Dv-Hop定位优化、Leach协议优化、WSN覆盖优化、组播优化、RSSI定位优化、水声通信、通信上传下载分配

🌈 信号处理方面

信号识别、信号加密、信号去噪、信号增强、雷达信号处理、信号水印嵌入提取、肌电信号、脑电信号、信号配时优化、心电信号、DOA估计、编码译码、变分模态分解、管道泄漏、滤波器、数字信号处理+传输+分析+去噪、数字信号调制、误码率、信号估计、DTMF、信号检测

🌈电力系统方面

微电网优化、无功优化、配电网重构、储能配置、有序充电、MPPT优化、家庭用电

🌈 元胞自动机方面

交通流 人群疏散 病毒扩散 晶体生长 金属腐蚀

🌈 雷达方面

卡尔曼滤波跟踪、航迹关联、航迹融合、SOC估计、阵列优化、NLOS识别

🌈 车间调度

零等待流水车间调度问题NWFSP置换流水车间调度问题PFSP混合流水车间调度问题HFSP 、零空闲流水车间调度问题NIFSP、分布式置换流水车间调度问题 DPFSP、阻塞流水车间调度问题BFSP

👇

相关文章
|
11天前
|
人工智能 安全 Linux
【OpenClaw保姆级图文教程】阿里云/本地部署集成模型Ollama/Qwen3.5/百炼 API 步骤流程及避坑指南
2026年,AI代理工具的部署逻辑已从“单一云端依赖”转向“云端+本地双轨模式”。OpenClaw(曾用名Clawdbot)作为开源AI代理框架,既支持对接阿里云百炼等云端免费API,也能通过Ollama部署本地大模型,完美解决两类核心需求:一是担心云端API泄露核心数据的隐私安全诉求;二是频繁调用导致token消耗过高的成本控制需求。
5557 13
|
18天前
|
人工智能 JavaScript Ubuntu
5分钟上手龙虾AI!OpenClaw部署(阿里云+本地)+ 免费多模型配置保姆级教程(MiniMax、Claude、阿里云百炼)
OpenClaw(昵称“龙虾AI”)作为2026年热门的开源个人AI助手,由PSPDFKit创始人Peter Steinberger开发,核心优势在于“真正执行任务”——不仅能聊天互动,还能自动处理邮件、管理日程、订机票、写代码等,且所有数据本地处理,隐私完全可控。它支持接入MiniMax、Claude、GPT等多类大模型,兼容微信、Telegram、飞书等主流聊天工具,搭配100+可扩展技能,成为兼顾实用性与隐私性的AI工具首选。
22111 118

热门文章

最新文章