储能辅助火电机组二次调频控制策略及容量优化配置研究(Matlab代码和Simulink仿真)

简介: 储能辅助火电机组二次调频控制策略及容量优化配置研究(Matlab代码和Simulink仿真)

     💥💥💞💞欢迎来到本博客❤️❤️💥💥

🏆博主优势:🌞🌞🌞博客内容尽量做到思维缜密,逻辑清晰,为了方便读者。

⛳️座右铭:行百里者,半于九十。

⛳️赠与读者

👨‍💻做科研,涉及到一个深在的思想系统,需要科研者逻辑缜密,踏实认真,但是不能只是努力,很多时候借力比努力更重要,然后还要有仰望星空的创新点和启发点。当哲学课上老师问你什么是科学,什么是电的时候,不要觉得这些问题搞笑。哲学是科学之母,哲学就是追究终极问题,寻找那些不言自明只有小孩子会问的但是你却回答不出来的问题。建议读者按目录次序逐一浏览,免得骤然跌入幽暗的迷宫找不到来时的路,它不足为你揭示全部问题的答案,但若能让人胸中升起一朵朵疑云,也未尝不会酿成晚霞斑斓的别一番景致,万一它居然给你带来了一场精神世界的苦雨,那就借机洗刷一下原来存放在那儿的“躺平”上的尘埃吧。

    或许,雨过云收,神驰的天地更清朗.......🔎🔎🔎

💥1 概述

随着全球能源的日益紧张,气候变暖、环境污染问题已引起世界各国的广泛重视(1]。在全球范围内开发和利用清洁能源,减少化石能源的使用,逐步向以清洁能源为主的能源结构转型的理念得到了国内外的广泛认可?,我国提出“2050年非化石能源占一次能源消费比重50%以上”的能源战略目标[3]。但是以风能、太阳能为主的清洁能源随机性与间歇性较强,且难以预测,当其大规模并网后会对电网的频率稳定带来显著影响,而其本身往往不具备调频能力,从而加重了整个电网的调频负担4。因此,如何在清洁能源不断提高并网占比的情况下保持电网的频率稳定已成为当前热点研究问题。

我国电力系统的调频任务主要由火电燃煤机组来承担,但大量的运行经验表明,火电机组在参与调频过程中,机组自身爬坡率低、响应速度慢,在跟踪调频指令的过程中表现吃力7,从而不能保证频率控制的精度要求。另外,传统火电机组在进行调频任务时也会对机组的经济性和稳定性带来一些不利影响,这是因为传统火电机组调频时频繁增减出力增加了机组的磨损,同时会使排放物排放量很难得到控制,可能会出现不达标的现象,污染环境;火电机组出力变化会影响燃烧炉内的稳定运行,降低安全性!。由此可见,随

着清洁能源渗透率的不断增加,电力系统调频只有火电机组这一种调频电源参与时,在经济性、调频容量等方面已难以满足要求,需要挖掘出一种新的调频资源来解决频率调节稳定性问题。

与此同时,锂电池、飞轮储能、超级电容等新型储能技术发展迅猛,且控制技术已较为成熟,作为参与电力系统频率调节的新元素,其辅助传统火电机组参与电网调频较火电机组单独调频时的优势在于:第一是响应速度快,可以很好地弥补传统火电机组响应滞后、爬坡速率低的固有缺陷;第二是可以精确出力,实时跟踪自动发电控制(Automaticgeneration control,AGC)指令使得在调频效果上得到有效提高;第三是可以双向调节,有效抑制了火电机组在调频时因出力滞后可能出现的反向调节现象。

但目前储能作为一种优质的调频资源,其积极性尚未被激活,且已经建成的一-些各种类型储能系统,其参与频率调节的能力未得到充分重视,因此,对储能辅助火电机组参与频率调节的控制策略及容量配置展开研究尤为必要,对其调频能力以及经济性展开分析,以更好的引导储能系统在我国调频市场中的推广应用,同时提高电网对清洁能源的接纳能力,此研究对促进储能系统参与电力系统辅助服务市场发展具有重大意义。

在当今能源转型的大趋势下,随着风能、太阳能等高比例新能源大规模接入电网,电力系统的运行特性发生了深刻变化。新能源发电具有间歇性和波动性的特点,其出力受自然条件影响极大,这使得电网的功率平衡和频率稳定面临前所未有的挑战。火电机组作为传统电力系统中调频的主力军,由于其机械惯性大、响应速度慢等固有特性,在高比例新能源接入的背景下,调频响应存在明显的滞后性。当电网频率发生波动时,火电机组不能迅速做出调整,难以满足电力系统对快速、准确调频的需求。

与此同时,储能设备因其具有快速充放电、响应灵活等优势,被视为解决新能源调频问题的关键技术手段。然而,储能设备在参与调频过程中也面临诸多挑战。一方面,由于调频过程中充放电频繁且功率变化大,储能设备容易出现过充过放现象。过充会导致电池内部压力增大、温度升高,加速电池老化,甚至可能引发安全事故;过放则会使电池容量衰减,缩短电池使用寿命。另一方面,在调频过程中,储能设备的功率控制若不合理,还会引发功率震荡问题。功率震荡会使电网频率波动加剧,影响电力系统的稳定运行,严重时甚至可能导致系统崩溃。

针对上述火电机组调频响应滞后以及储能设备参与调频时面临的过充过放、功率震荡等难题,本研究经过深入的理论分析和大量的实验研究,精心构建了一套储能辅助火电机组实现二次调频的仿真系统。该系统依托先进的多模块协同控制策略,对储能设备在调频过程中的全场景实施精细化管理,具体如下:

其一,基于荷电状态的分段保护模块是该系统的重要组成部分。荷电状态(SOC)是反映储能设备剩余电量状态的关键参数。此模块能够实时监测储能设备当前的SOC水平,并根据预设的规则动态调整充放电修正系数。当SOC处于低水平时,意味着储能设备的剩余电量较少,此时模块会自动限制储能设备的放电功率,甚至在某些极端情况下禁止放电,以防止电池过放,保护电池不受损坏。反之,当SOC处于高水平时,表明储能设备已接近充满状态,模块会限制其充电功率,避免电池过充。通过这种动态调整机制,有效保障了储能设备在调频过程中的安全运行,延长了设备的使用寿命。

其二,结合频率偏差的适配模块在系统中发挥着关键作用。系统频率是衡量电力系统运行稳定性的重要指标,其波动反映了电网功率供需的不平衡情况。该模块能够实时采集系统频率信号,并计算出频率偏差。依据频率偏差的大小和方向,模块可以实时调节储能设备参与调频的权重。当系统频率偏差较大时,说明电网功率失衡严重,此时模块会增大储能设备参与调频的权重,使其快速输出或吸收功率,帮助系统频率尽快恢复到额定范围;当频率偏差较小时,模块会适当减小储能设备的调频权重,避免过度调节。通过这种精准的调节方式,确保了系统频率能够快速、稳定地恢复到正常水平,提高了电力系统的频率稳定性。

其三,功率限幅模块是保障系统安全运行的最后一道防线。在调频过程中,调频指令可能会超出储能设备的物理容量范围,如果直接执行这些指令,将会对储能设备造成严重损坏,甚至引发安全事故。功率限幅模块能够实时监测调频指令,并将其严格约束在储能设备的物理容量范围内。当调频指令超过储能设备的最大充电或放电功率时,模块会自动将指令调整为设备的最大允许功率,确保储能设备在安全的状态下运行。通过这种方式,有效保障了系统运行的安全性,避免了因功率超限而引发的各种问题。

该仿真程序采用了先进的软件架构和算法设计,通过Simulink模型调用MATLAB代码协同完成。Simulink提供了强大的图形化建模环境,能够直观地构建系统的动态模型;而MATLAB则具有丰富的函数库和强大的计算能力,可用于实现复杂的控制算法和数据处理。两者协同工作,使得该仿真程序具备出色的性能表现。在仿真过程中,程序能够快速、准确地模拟储能辅助火电机组二次调频的动态过程,仿真结果与实际系统运行情况高度吻合,仿真效果良好。因此,该仿真程序极具参考学习价值,可为相关领域的研究人员和工程师提供有益的借鉴和指导。

此系统的核心优势主要体现在以下三个方面:

其一,在控制方式上,创新性地采用非线性平滑过渡函数取代传统线性控制方式。传统线性控制方式在调整修正系数时,容易出现突变现象,这会导致储能设备的功率输出或吸收发生剧烈变化,从而引发功率震荡问题。而非线性平滑过渡函数具有连续、平滑的特性,能够使修正系数的调整过程更加柔和,有效降低了因修正系数突变而引发的功率震荡问题。通过这种方式,显著提升了调频过程的稳定性,使电网频率能够更加平稳地恢复到额定值。

其二,系统构建了“SOC保护 - 频率适配 - 功率限幅”的多层级控制链。这一控制链实现了从调频指令生成到执行的全流程安全约束。在指令生成阶段,结合频率偏差的适配模块根据系统频率波动情况生成合理的调频指令;在指令执行过程中,基于荷电状态的分段保护模块和功率限幅模块分别从SOC和功率两个维度对指令进行实时调整和约束,确保储能设备在安全的状态下运行。这种多层级控制链既保证了调频响应的速度,能够在系统频率发生波动时迅速做出反应,又延长了储能设备的使用寿命,降低了设备的维护成本。

其三,采用0.1秒离散采样与连续响应相结合的设计思路。在调频过程中,系统频率的动态变化非常迅速,需要实时追踪频率的变化情况以便及时调整储能设备的功率输出。0.1秒的离散采样间隔能够满足对频率动态变化的实时监测需求,确保系统能够及时获取最新的频率信息。同时,储能设备的荷电状态(SOC)变化相对较慢,具有慢变特性。连续响应的设计思路能够更好地适配SOC的慢变特性,避免因离散采样而导致的控制误差。通过这种设计思路,在提升调频精度的同时,有效降低了计算冗余,提高了系统的运行效率。

该仿真系统为“火电 + 储能”协同调频提供了精细化的控制方案。在实际应用中,通过该系统的控制,储能设备能够与火电机组紧密配合,充分发挥各自的优势,实现优势互补。储能设备的快速响应能力可以弥补火电机组调频响应滞后的不足,而火电机组的稳定出力可以为储能设备提供有力的支撑。这种协同调频方式可显著增强电力系统的频率稳定性,减少频率波动对电网设备和用户的影响。同时,通过合理的控制策略,避免了储能设备的过充过放和功率震荡问题,提高了储能设备的运行效率,降低了运行成本,从而提升了储能设备运行的经济性。该系统对于推动新能源的大规模应用和电力系统的可持续发展具有重要的现实意义。

储能辅助火电机组二次调频控制策略及容量优化配置研究

摘要

随着新能源大规模并网,电力系统调频面临挑战。火电机组因爬坡率低、响应速度慢难以满足调频需求,而储能系统凭借快速响应、精确跟踪和双向调节等优势,成为辅助火电机组二次调频的有效手段。本文围绕储能辅助火电机组二次调频的控制策略和容量优化配置展开研究,旨在提升电力系统的稳定性和经济性。

关键词

储能系统;火电机组;二次调频;控制策略;容量优化配置

一、引言

1.1 研究背景与意义

在全球能源结构转型和可再生能源大规模并网的背景下,电力系统的稳定性和可靠性面临严峻挑战。传统火电机组在调频过程中存在爬坡率低、响应速度慢等问题,难以满足现代电力系统的调频需求。储能系统因其快速响应、精确跟踪和可双向调节等特性,被视为最具发展前景的辅助调频手段。开展储能辅助火电机组二次调频控制策略及容量优化配置研究,对于提高电力系统的稳定性和经济性具有重要意义。

1.2 国内外研究现状

目前,国内外对于储能辅助火电机组二次调频控制策略的研究主要集中在策略的设计和优化方面,但大多仅关注调频控制策略的静态特性,如起始速度、调节深度等,而忽略了动态特性和容量优化配置的问题。在容量优化配置方面,虽然有一些研究提出了不同的方法,但缺乏对实际系统复杂性的全面考虑。

二、储能辅助火电机组二次调频原理及优势

2.1 二次调频原理

二次调频(AGC,Automatic Generation Control)是指电力系统中,通过自动调节发电机组出力,使系统频率维持在预定值的调节过程。其主要负责解决系统的中长期频率偏差问题。当电力系统频率偏离额定值时,二次调频系统会根据频率偏差和区域控制偏差(ACE)信号,自动调整发电机组的出力,使频率恢复到额定值。

2.2 储能系统在火电机组中的作用

  • 提升调频响应速度:储能系统可以迅速响应频率偏差,弥补火电机组由于机械惯性导致的响应迟滞。在频率发生变化时,储能系统能够在瞬间释放或吸收电能,快速调整输出功率,提高系统的调频响应速度。
  • 稳定输出功率:储能系统可以平滑火电机组的输出功率,减少频繁启停对机组的冲击,延长设备寿命。火电机组在调频过程中需要频繁调整出力,这会导致机组的磨损加剧,而储能系统可以承担部分调频任务,减少火电机组的出力波动,提高机组的稳定性和可靠性。
  • 精确出力:储能系统能够实时跟踪自动发电控制(AGC)指令,精确调整输出功率,提高调频效果。与火电机组相比,储能系统的调节精度更高,能够更好地满足电力系统的调频需求。
  • 双向调节能力:储能系统可以实现充放电双向调节,有效抑制火电机组在调频时因出力滞后可能出现的反向调节现象。当频率低于设定值时,储能系统放电,为电网补充功率;当频率高于设定值时,储能系统充电,吸收多余功率。

三、储能辅助火电机组二次调频控制策略研究

3.1 联合控制策略设计

设计综合的控制策略,使储能系统和火电机组协同工作,具体包括频率控制、功率控制和状态估计等。

  • 频率控制:储能系统根据频率偏差快速调节功率输出,进行初步频率调整。当频率偏差超过一定阈值时,储能系统立即响应,通过充放电操作快速改变输出功率,使频率偏差减小。
  • 功率控制:根据系统需求和火电机组的运行状态,合理分配火电机组和储能系统的功率输出。在调频过程中,优先利用储能系统的快速响应能力进行初步调节,然后根据火电机组的调节能力和响应速度,合理分配剩余的调频任务,实现火电机组和储能系统的优势互补。
  • 状态估计:实时监测并预计储能系统和火电机组的运行状态,以最优策略进行调节。通过对储能系统的荷电状态(SOC)、充放电功率等参数以及火电机组的出力、转速等参数进行实时监测和分析,预测系统的未来运行状态,为控制策略的调整提供依据。

3.2 基于调频需求灵活切换控制方式的储能电池参与二次调频控制策略

  • 调频和恢复工况划分:将储能划分为调频和恢复两种工况。在调频工况下,储能系统主要承担调频任务,根据调频需求快速调节功率输出;在恢复工况下,储能系统进行SOC自恢复,为下一阶段的调频任务做好准备。
  • 状态区间划分与控制方式切换:根据调频需求和储能荷电状态(SOC)进行状态区间划分,确定两种控制方式的切换时机与自适应出力深度大小。例如,当调频需求较大且储能SOC较高时,储能系统以较大的出力深度参与调频;当调频需求较小且储能SOC较低时,储能系统以较小的出力深度参与调频或进入恢复工况。

3.3 控制策略优化

运用先进的智能算法,如模型预测控制算法、神经网络算法等,根据历史数据和实时工况预测频率变化走势,提前制定更为精准有效的控制策略。模型预测控制算法可以根据系统的动态模型和当前状态,预测未来一段时间内的系统输出,并通过优化算法计算出最优的控制输入,使系统在未来一段时间内的性能指标达到最优。神经网络算法可以通过对大量历史数据的学习和训练,建立系统的非线性模型,从而实现对系统状态的准确预测和控制策略的优化。

四、储能辅助火电机组二次调频容量优化配置研究

4.1 容量优化配置影响因素

  • 负荷特性:根据电网负荷的波动特性,确定储能系统的容量需求。负荷波动越大,对储能系统的容量要求越高。例如,在用电高峰时段,电网负荷较大,需要储能系统释放更多的电能来满足需求;在用电低谷时段,电网负荷较小,储能系统可以吸收多余的电能进行充电。
  • 机组特性:火电机组的调节能力、响应速度等性能指标会影响储能系统的容量配置。火电机组的调节能力越强、响应速度越快,对储能系统的容量需求相对较小;反之,则需要配置较大容量的储能系统来弥补火电机组的不足。
  • 经济性分析:考虑系统的建设及运行成本,对储能系统的容量配置进行经济效益评估。在满足电力系统调频需求的前提下,应尽量降低储能系统的建设成本和运行成本,提高系统的经济性。

4.2 基于变分模态分解(VMD)经济性最优的储能电池参与二次调频的容量配置方法

  • 调频指令分解:利用变分模态分解将调频指令分为高低频分量,实现在每分钟时间段内以最优比例在两种资源间分配调频指令。高频分量通常由储能系统承担,因为储能系统具有快速响应能力;低频分量则由火电机组承担,因为火电机组具有较大的调节容量。
  • 成本 - 效益模型构建:构建储能调频日成本 - 效益模型,以最小化成本或最大化效益为目标函数,考虑储能系统的建设成本、运行成本、维护成本以及调频收益等因素。
  • 容量配置与优化:基于实测的区域控制偏差(ACE)信号,选择不同的重构点进行信号分配并配置其功率和容量。采用优化算法,如遗传算法、粒子群优化算法等,对储能系统的容量配置进行优化,使其在满足调频需求的同时,实现经济效益最大化。

4.3 混合储能辅助火电机组参与自动发电控制(AGC)的双层优化配置模型

  • 上层模型:由基于经验模态分解(EMD)的火电–混合储能间AGC指令分配策略和计及全寿命周期内成本收益之差、AGC综合评判指标Kp的多目标优化配置模型组成。上层模型为底层模型提供AGC初步分解指令和功率、容量约束。
  • 底层模型:由计及储能荷电状态(SOC)恢复的混合储能控制策略和火电–混合储能调频响应模型组成。底层模型将经过EMD初步分解的AGC指令再次分配给各调频资源,并向上层模型提供各调频资源出力响应曲线和SOC变化曲线。
  • 模型求解:采用基于优劣解距离法(TOPSIS)的多目标粒子群算法求解该双层模型,避免了传统多目标粒子群算法在Pareto解集中确定全局最优解的偶然性。

五、实例分析与验证

5.1 案例研究

选择实际电网系统进行实例分析,收集电网的运行数据,包括负荷数据、火电机组出力数据、频率数据等。根据实际电网的结构和参数,搭建储能辅助火电机组二次调频的仿真模型,将储能系统和火电机组接入电网模型中。

5.2 效果评估

通过仿真和实际数据对比,评估储能系统辅助火电机组二次调频的效果,主要指标包括:

  • 频率稳定性:观察加入储能系统后,电网频率的波动情况,评估储能系统对频率稳定的改善效果。
  • 调节速度:比较储能系统参与调频前后,系统对频率偏差的调节时间,评估储能系统对调节速度的提升效果。
  • 稳定成本:分析储能系统的建设成本、运行成本以及调频收益,评估储能系统辅助火电机组二次调频的经济性。

六、结论与展望

6.1 研究结论

  • 在二次调频控制策略方面,提出的联合控制策略和基于调频需求灵活切换控制方式的储能电池参与二次调频控制策略能够有效提高系统的动态性能和稳定性,减小调频过程中的能量波动。
  • 在容量优化配置方面,基于变分模态分解(VMD)经济性最优的储能电池参与二次调频的容量配置方法和混合储能辅助火电机组参与自动发电控制(AGC)的双层优化配置模型可以实现储能系统容量的最优配置,提高整个系统的经济性和运行效率。
  • 对于特定的系统结构和运行条件,存在一种最优的容量配置方案,能够使系统性能达到最佳。

6.2 研究不足与展望

  • 本文的研究虽然考虑了一些实际系统的因素,但仍可能无法全面反映实际系统的复杂性。未来的研究可以进一步纳入更多实际系统的细节,如机组故障、市场需求变化等因素,提高模型的准确性和实用性。
  • 随着电池技术、控制算法的不断进步,储能系统在电力系统中的应用将更加广泛和高效。未来的研究可以关注新型储能技术的发展,探索更先进的控制策略和容量优化配置方法,进一步提高电力系统的稳定性和经济性。
  • 政府对于储能系统的政策支持和市场机制的完善将促进该技术的推广和应用。未来的研究可以结合政策因素,分析储能系统在不同政策环境下的经济性和可行性,为储能系统的大规模应用提供参考。

📚2 运行结果

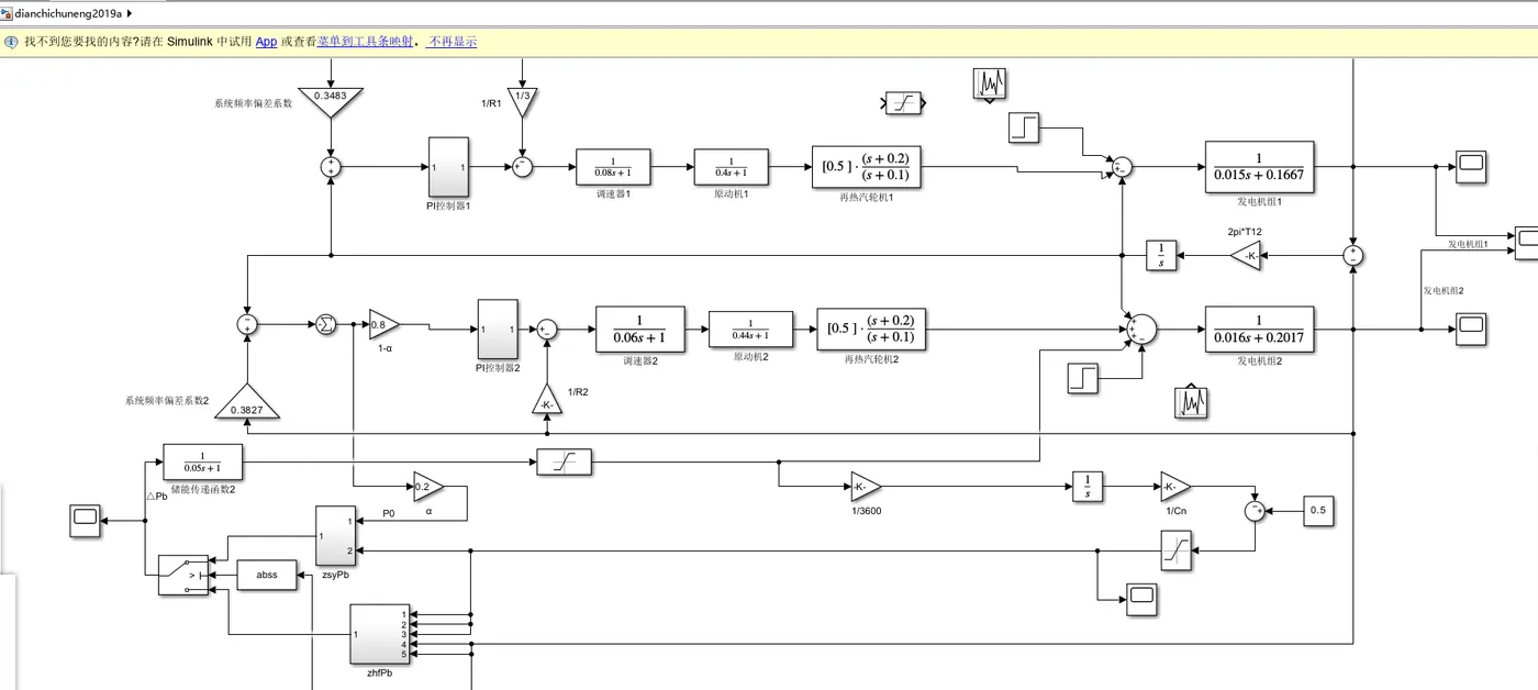
该系统精心配置了两台机组,分别为发电机 1 以及充电机组 2。它巧妙地利用频率反馈和功率反馈机制,成功搭建起一个闭环控制系统。此系统的核心调节逻辑遵循“基于频率偏差生成相应的功率指令,机组依据接收到的指令迅速做出响应动作,最终达成频率修正的目标”这一流程。同时,为更精准地贴合实际运行状况,系统还创新性地引入了非线性环节,用以模拟实际中客观存在的各类约束条件。

image.gif 编辑

储能核心控制单元

image.gif 编辑

此模块在储能辅助火电机组二次调频系统里扮演着关键控制部分的核心角色,是保障系统稳定、高效运行不可或缺的组成部分。它以严谨的科学态度和专业的技术手段,着重关注储能充放电过程中的安全限制条件,这些条件涵盖了电池的过充过放保护、温度控制、电压稳定等多个方面,同时也密切留意动态匹配需求,确保储能系统能够根据电网的实时变化灵活调整充放电策略。

该模块采用了“状态感知→方向判断→功率限幅”这一科学合理的分层架构设计。在状态感知层,它通过高精度的传感器和先进的监测算法,实时、准确地获取储能系统的各项状态参数,为后续的控制决策提供可靠的数据支持;方向判断层则基于状态感知的信息,运用智能算法和预设的规则,迅速、准确地判断储能充放电的方向,以适应电网频率的波动;功率限幅层作为最后一道安全防线,根据储能设备的物理特性和安全阈值,对功率进行严格限制,防止因功率过大或过小而对设备造成损坏或影响电网的稳定运行。

通过这种分层架构设计,该模块能够巧妙地融合“火电机组响应慢”和“储能设备响应快”的特点。火电机组由于其机械结构和能源转换方式的限制,响应速度相对较慢,但具有稳定的功率输出能力;而储能设备则具有快速充放电的优势,能够迅速响应电网的频率变化。此模块充分发挥两者的优势,实现优势互补,为电力系统频率的稳定运行提供精确且安全的储能调节控制能力,有效提高了电力系统的可靠性和稳定性。

image.gif 编辑

运行视频:

链接:https://pan.baidu.com/s/1lcH0LQ42yjrvUPVUNdXJWw

提取码:4a5c

--来自百度网盘超级会员V5的分享

部分代码:

%%%%%%%%%%%%%%%

 % Derivatives %

 %%%%%%%%%%%%%%%

 

 %%%%%%%%%%

 % Update %

 %%%%%%%%%%

 %%%%%%%%%%%

 % Outputs %

 %%%%%%%%%%%

 case 3,

   sys=mdlOutputs(t,x,u);

 %%%%%%%%%%%%%%%%%%%%%%%

 % GetTimeOfNextVarHit %

 %%%%%%%%%%%%%%%%%%%%%%%

 case {1,2,4,9},

   sys=[];

 %%%%%%%%%%%%%

 % Terminate %

 %%%%%%%%%%%%%

 

 %%%%%%%%%%%%%%%%%%%%

 % Unexpected flags %

 %%%%%%%%%%%%%%%%%%%%

 otherwise

   DAStudio.error('Simulink:blocks:unhandledFlag', num2str(flag));

end

% end sfuntmpl

%

%=============================================================================

% mdlInitializeSizes

% Return the sizes, initial conditions, and sample times for the S-function.

%=============================================================================

%

function [sys,x0,str,ts,simStateCompliance]=mdlInitializeSizes

%

% call simsizes for a sizes structure, fill it in and convert it to a

% sizes array.

%

% Note that in this example, the values are hard coded.  This is not a

% recommended practice as the characteristics of the block are typically

% defined by the S-function parameters.

%

sizes = simsizes;

sizes.NumContStates  = 0;

sizes.NumDiscStates  = 0;

sizes.NumOutputs     = 1;

sizes.NumInputs      = 1;

🎉3 参考文献

文章中一些内容引自网络,会注明出处或引用为参考文献,难免有未尽之处,如有不妥,请随时联系删除。

[1]焦盘龙.储能辅助火电机组二次调频控制策略及容量优化配置研究[D].东北电力大学,2020.DOI:10.27008/d.cnki.gdbdc.2020.000096.

资料获取,更多粉丝福利,MATLAB|Simulink|Python资源获取【请看主页然后私信】

相关文章
|
7月前
|
算法 定位技术 计算机视觉
【水下图像增强】基于波长补偿与去雾的水下图像增强研究(Matlab代码实现)
【水下图像增强】基于波长补偿与去雾的水下图像增强研究(Matlab代码实现)
863 0
|
7月前
|
机器学习/深度学习 算法 机器人
使用哈里斯角Harris和SIFT算法来实现局部特征匹配(Matlab代码实现)
使用哈里斯角Harris和SIFT算法来实现局部特征匹配(Matlab代码实现)
327 8
|
7月前
|
机器学习/深度学习 编解码 算法
基于OFDM技术的水下声学通信多径信道图像传输研究(Matlab代码实现)
基于OFDM技术的水下声学通信多径信道图像传输研究(Matlab代码实现)
324 8
|
7月前
|
机器学习/深度学习 算法 机器人
【水下图像增强融合算法】基于融合的水下图像与视频增强研究(Matlab代码实现)
【水下图像增强融合算法】基于融合的水下图像与视频增强研究(Matlab代码实现)
665 0
|
7月前
|
算法 机器人 计算机视觉
【图像处理】水下图像增强的颜色平衡与融合技术研究(Matlab代码实现)
【图像处理】水下图像增强的颜色平衡与融合技术研究(Matlab代码实现)
226 0
|
7月前
|
新能源 Java Go
【EI复现】参与调峰的储能系统配置方案及经济性分析(Matlab代码实现)
【EI复现】参与调峰的储能系统配置方案及经济性分析(Matlab代码实现)
247 0
|
7月前
|
机器学习/深度学习 数据采集 测试技术
基于CEEMDAN-VMD-BiLSTM的多变量输入单步时序预测研究(Matlab代码实现)
基于CEEMDAN-VMD-BiLSTM的多变量输入单步时序预测研究(Matlab代码实现)
286 8
|
7月前
|
机器学习/深度学习 算法 自动驾驶
基于导向滤波的暗通道去雾算法在灰度与彩色图像可见度复原中的研究(Matlab代码实现)
基于导向滤波的暗通道去雾算法在灰度与彩色图像可见度复原中的研究(Matlab代码实现)
375 8
|
7月前
|
编解码 运维 算法
【分布式能源选址与定容】光伏、储能双层优化配置接入配电网研究(Matlab代码实现)
【分布式能源选址与定容】光伏、储能双层优化配置接入配电网研究(Matlab代码实现)
602 12
|
7月前
|
人工智能 数据可视化 网络性能优化
【顶级SCI复现】虚拟电厂的多时间尺度调度:在考虑储能系统容量衰减的同时,整合发电与多用户负荷的灵活性研究(Matlab代码实现)
【顶级SCI复现】虚拟电厂的多时间尺度调度:在考虑储能系统容量衰减的同时,整合发电与多用户负荷的灵活性研究(Matlab代码实现)
242 9

热门文章

最新文章