1.课题概述
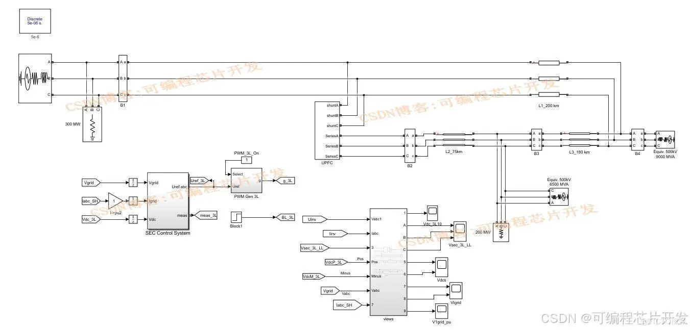
UPFC统一潮流控制器的simulink建模与仿真。能够在不增加输电线路物理容量的情况下,显著提高电力系统的传输能力和稳定性。UPFC能够同时控制输电线路的有功功率、无功功率以及节点电压,具有调节系统潮流分布、提高系统稳定性和改善电压质量等重要作用。
2.系统仿真结果
(完整程序运行后无水印)





3.核心程序与模型
版本:MATLAB2022a

4.系统原理简介
统一潮流控制器(Unified Power Flow Controller, UPFC)是灵活交流输电系统(Flexible AC Transmission Systems, FACTS)技术中最为先进和多功能的设备之一,它能够在不增加输电线路物理容量的情况下,显著提高电力系统的传输能力和稳定性。UPFC能够同时控制输电线路的有功功率、无功功率以及节点电压,具有调节系统潮流分布、提高系统稳定性和改善电压质量等重要作用。UPFC由串联和并联两部分组成,其中串联部分类似于静止同步串联补偿器(SSSC),并联部分则类似于静止同步补偿器(STATCOM)。串联部分通过一个可控的电压源换流器(Voltage Source Converter, VSC)与输电线路串联连接,而并联部分同样通过一个VSC与系统并联连接,两者之间共享一个直流储能环节(通常是大容量电容器)。这种结构使得UPFC能够独立地控制有功功率和无功功率。

UPFC的控制目标通常包括维持系统电压稳定、优化潮流分布、提高系统传输能力和提高动态稳定性等。为了实现这些目标,通常需要设计复杂的控制算法,如基于模型预测控制(Model Predictive Control, MPC)、线性二次调节器(Linear Quadratic Regulator, LQR)或模糊逻辑控制等。