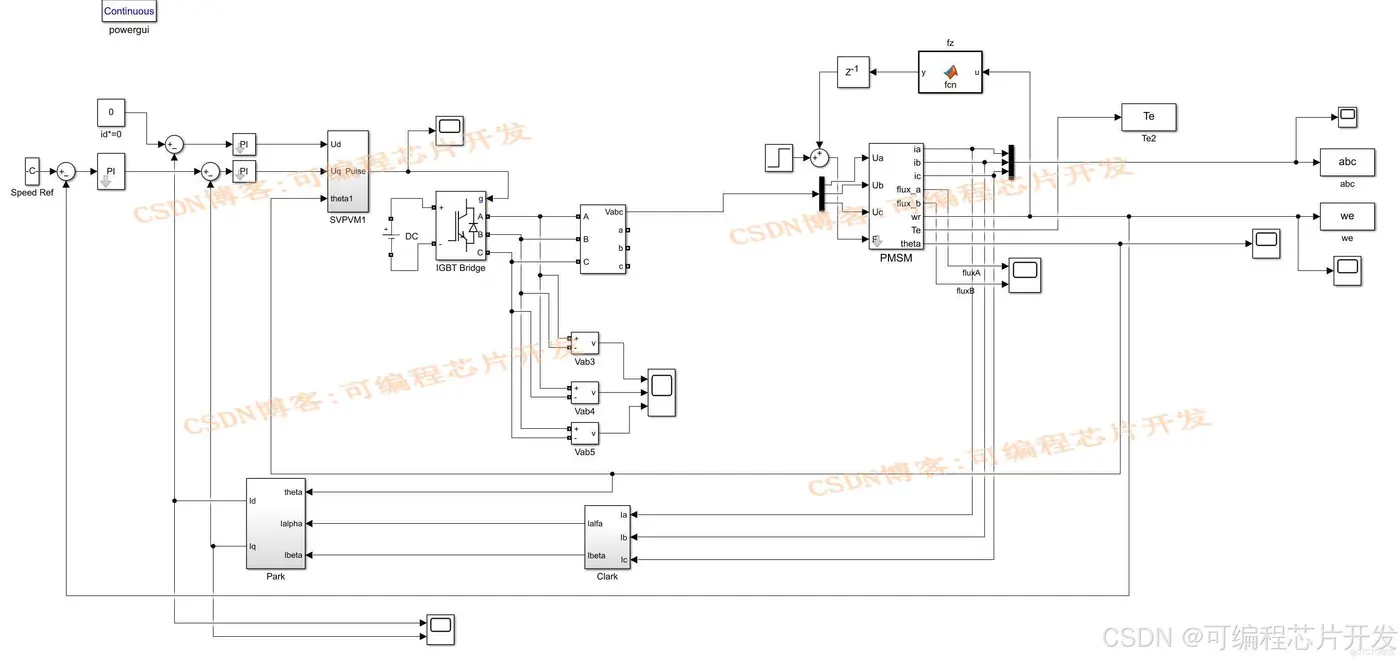
1.课题概述
基于双PI控制器和三电平SVPWM交流同步直线电机矢量控制系统的simulink建模与仿真。
2.系统仿真结果






3.核心程序与模型
版本:MATLAB2022a

4.系统原理简介
交流同步直线电机在现代工业领域,如高精度加工、物流传输、电梯驱动等方面具有广泛的应用前景。由于其具有结构简单、效率高、精度好等优点,对于其控制系统的研究具有重要的现实意义。基于双 PI 控制器和三电平 SVPWM 的矢量控制系统能够有效地提高电机的控制性能,实现高精度、高动态响应的运行要求,因此深入研究其原理对于推动相关领域的技术发展具有关键作用。
4.1 三电平SVPWM 原理
三电平 SVPWM(空间矢量脉宽调制)是一种用于多电平逆变器的调制技术,能够有效地提高逆变器的输出电压质量,降低谐波含量,减少电机的损耗和电磁干扰。

在一个开关周期内,按照计算得到的作用时间,合理地切换逆变器的开关状态,就可以合成出接近参考电压矢量的输出电压,从而实现对交流同步直线电机的高质量驱动。
4.2 双PI控制器
在设计速度环 PI 控制器时,需要根据电机的参数和系统的性能要求,通过理论计算和实验调试来确定合适的 和 值。例如,可以采用工程整定法,先根据经验确定一个大致的比例增益 ,使系统能够快速响应但不过度振荡,然后逐渐增加积分增益 ,以消除稳态误差,同时观察系统的稳定性和响应性能,进行反复调整,直到达到满意的控制效果。
电流环 PI 控制器的设计也需要考虑电机的参数、逆变器的特性以及系统的动态性能要求。一般来说,电流环的响应速度要比速度环快,因此电流环的比例增益相对较大,积分增益相对较小,以保证电流能够快速跟踪指令,同时避免积分饱和等问题。
4.3 交流同步直线电机
交流同步直线电机是一种将电能直接转换为直线运动机械能的电机。它的工作原理基于电磁感应定律,与旋转同步电机类似,只是其运动方式是直线运动而不是旋转运动。磁体或带有绕组的结构。当定子绕组通入三相交流电时,会在气隙中产生一个行波磁场,这个磁场与动子上的永磁体磁场或绕组磁场相互作用,产生直线方向的电磁推力,推动动子做直线运动。
