【三相AC-DC-AC PWM变换器】基于三相PWM VSC的电源供应SimPowerSystems模型研究(Simulink仿真实现)

简介: 【三相AC-DC-AC PWM变换器】基于三相PWM VSC的电源供应SimPowerSystems模型研究(Simulink仿真实现)

💥💥💞💞欢迎来到本博客❤️❤️💥💥

🏆博主优势:🌞🌞🌞博客内容尽量做到思维缜密,逻辑清晰,为了方便读者。

⛳️座右铭:行百里者,半于九十。

⛳️赠与读者

👨‍💻做科研,涉及到一个深在的思想系统,需要科研者逻辑缜密,踏实认真,但是不能只是努力,很多时候借力比努力更重要,然后还要有仰望星空的创新点和启发点。当哲学课上老师问你什么是科学,什么是电的时候,不要觉得这些问题搞笑。哲学是科学之母,哲学就是追究终极问题,寻找那些不言自明只有小孩子会问的但是你却回答不出来的问题。建议读者按目录次序逐一浏览,免得骤然跌入幽暗的迷宫找不到来时的路,它不足为你揭示全部问题的答案,但若能让人胸中升起一朵朵疑云,也未尝不会酿成晚霞斑斓的别一番景致,万一它居然给你带来了一场精神世界的苦雨,那就借机洗刷一下原来存放在那儿的“躺平”上的尘埃吧。

    或许,雨过云收,神驰的天地更清朗.......🔎🔎🔎

💥1 概述

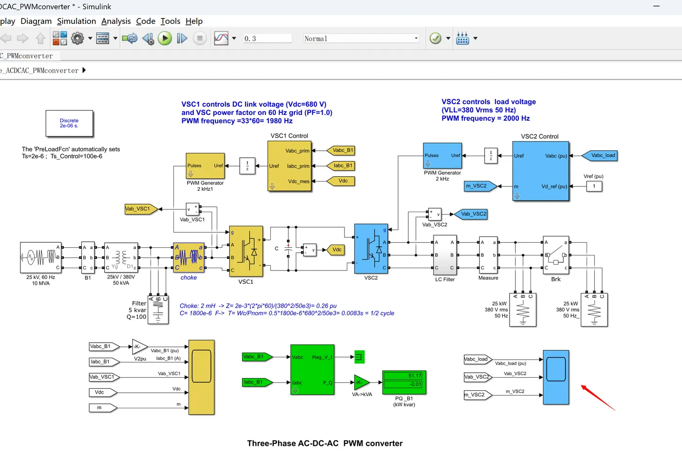
【三相AC-DC-AC PWM变换器】基于三相PWM VSC的电源供应SimPowerSystems模型研究。一个50千瓦,380伏特,50赫兹的负载通过AC-DC-AC电源连接到一个25千伏,60赫兹的电网。该电源由两个电压源变换器VSC1和VSC2通过一个直流链路连接而成。

连接到60赫兹电网的VSC1作为整流器运行。它将直流链路电压调节到680伏特,并在交流电网上保持单位功率因数。PWM斩波频率为1980赫兹。

连接到50赫兹负载的VSC2作为逆变器运行。它产生50赫兹频率,并将负载电压调节到380伏特有效值。PWM斩波频率为2000赫兹。

电路以2微秒离散化。VSC1和VSC2控制系统的采样时间为100微秒。

基于SimPowerSystems模型的三相AC-DC-AC PWM变换器电源供应研究涉及一个50千瓦、380伏特、50赫兹负载通过AC-DC-AC电源连接到一个25千伏、60赫兹电网的情景。这个电源系统由两个电压源变换器VSC1和VSC2通过一个直流链路连接而成。

VSC1连接到60赫兹电网,充当整流器的角色。它调节直流链路电压至680伏特,并在接入的交流电网上保持单位功率因数。PWM斩波频率为1980赫兹。

VSC2连接到50赫兹负载,充当逆变器的功能。它输出50赫兹的交流电,并将负载电压调节至380伏特有效值。PWM斩波频率为2000赫兹。

在2微秒的离散化时间内,VSC1和VSC2的控制系统采样时间为100微秒。通过这个研究,我们可以深入了解这种复杂的AC-DC-AC PWM变换器系统在不同频率和电压条件下的性能表现,为未来的电力系统设计和优化提供有益的参考和指导。

1. 三相AC-DC-AC PWM变换器的结构与工作原理

1.1 基本拓扑结构

三相AC-DC-AC PWM变换器由三级功率转换单元构成:

  • 整流级(AC-DC) :采用三相桥式拓扑(6个二极管或IGBT),将60Hz电网交流电(如220V三相)转换为脉动直流电。整流器拓扑包括全桥(6开关)或半桥结构,后者通过电容分压减少开关数量但输出能力受限。

    image.gif 编辑

    image.gif 编辑
  • 直流滤波级:由电感(L1)和电容(C)组成LC滤波器,抑制整流输出的电压纹波,形成稳定直流母线电压(V<sub>dc</sub>)。电感限制电流突变,电容吸收高频谐波,典型参数为L=5mH、C=2000μF。
  • 逆变级(DC-AC) :采用PWM控制的IGBT全桥逆变器(6个IGBT),将V<sub>dc</sub>转换为可变频/变压的三相交流电,驱动电机等负载。通过PWM调制生成近似正弦的输出波形。

图1:典型AC-DC-AC PWM变换器拓扑

1.2 PWM调制核心原理

  • SPWM(正弦脉宽调制) :将三相正弦参考波(相位差120°)与高频三角载波比较,生成驱动IGBT的PWM信号。调制指数控制输出电压幅值,载波频率(通常10-20kHz)决定谐波分布。
  • SVPWM(空间矢量调制)
  1. 将三相电压映射为α-β平面矢量,划分6个扇区;
  2. 计算参考矢量所在扇区及相邻基本矢量作用时间(T<sub>1</sub>, T<sub>2</sub>);
  3. 转换为三相占空比信号,经死区补偿后驱动IGBT。

优势:比SPWM直流电压利用率高15%,谐波失真更低。

1.3 关键参数设计

  • 整流侧:输入电感(抑制d<i>/d<t>)、直流电容(维持V<sub>dc</sub>稳定);
  • 逆变侧:输出LC滤波器(如每相L=2mH, C=10μF)抑制开关谐波;

    image.gif 编辑
  • 死区时间:通常1-3μs,防止上下桥臂直通短路。

    image.gif 编辑

2. SimPowerSystems工具箱建模实现

2.1 核心模块库路径与功能

模块名称 库路径 功能说明
三相电压源 SimPowerSystems > Fundamental Blocks > Electrical Sources 模拟电网(频率/幅值可调)
通用桥式整流器 SimPowerSystems > Power Electronics > Universal Bridge 支持二极管/IGBT整流,可选拓扑
PWM发生器 SimPowerSystems > Control & Measurements > PWM Generator 生成SPWM/SVPWM信号
三相VI测量 SimPowerSystems > Fundamental Blocks > Measurements 采集电压/电流信号
并联RLC负载 SimPowerSystems > Fundamental Blocks > Elements 模拟滤波电容/负载阻抗
Powergui SimPowerSystems > Fundamental Blocks 系统仿真配置与谐波分析

image.gif 编辑

2.2 完整建模步骤

  1. 整流-滤波级建模
  • 拖拽Universal Bridge模块,设置设备类型为“Diode”或“IGBT”;
  • 添加Parallel RLC Branch作为直流电容(Branch Type=C),串联电感(Branch Type=L)。

示例参数:C=3300μF, L=2.5mH, R=0.1Ω(等效损耗)

  1. 逆变级建模
  • 使用Universal Bridge选择“IGBT/Diode”类型;
  • 连接3-phase PWM Generator模块,选择调制类型(SPWM或SVPWM)。

    image.gif 编辑
  1. 控制回路设计
  • 双闭环控制(见图2):
  • 外环:直流电压PI控制器(Discrete PI Controller)生成d轴电流参考I<sub>d,ref</sub>;
  • 内环:d-q解耦电流控制器(dq0 Transformation + PI)生成调制电压V<sub>α</sub>, V<sub>β</sub>。
  • PLL同步Phase-Locked Loop模块实现电网相位跟踪。


    image.gif 编辑

图2:双闭环控制结构

  1. SVPWM模块实现
  • 按图3构建5个子模块:
  • 扇区计算(Sector Calculation)
  • 中间变量X,Y,Z计算
  • 矢量作用时间T<sub>1</sub>/T<sub>2</sub>计算
  • 三相占空比转换
  • 死区补偿与PWM输出。

3. PWM控制策略实现与优化

3.1 SPWM与SVPWM对比

调制类型 调制原理 直流利用率 谐波特性
SPWM 正弦波与三角载波比较 0.866·V<sub>dc</sub> 载波频率附近集中谐波
SVPWM 空间矢量合成+扇区优化切换 1.0·V<sub>dc</sub> 谐波分散,THD降低30%

3.2 先进控制策略

  • 模型预测控制(MPC)
  1. 建立VSC离散状态方程;
  2. 预测未来开关状态下的系统行为;
  3. 优化目标函数(如电流跟踪误差、开关损耗)选择最优开关状态。

实验验证:比传统PI响应速度快50%,动态性能更优。

  • 虚拟同步机(VSM)控制
    模拟同步电机惯性与阻尼特性,增强弱电网稳定性:


    image.gif 编辑
% 虚拟惯量控制核心方程
J·dΔω/dt = P_ref - P_out - D·Δω   % J=虚拟惯量, D=阻尼系数
  • image.gif

4. 仿真验证与结果分析

4.1 标准测试案例参数

参数 参数
电网电压 220V/50Hz 直流电容 3300μF
交流侧电感 2.5mH 开关频率 10kHz
直流母线电压 650V 负载电阻 14.52Ω

4.2 关键性能指标验证

  • 整流侧性能
  • 输入电流THD<5%(SPWM)→ 加装LCL滤波器后降至<3%;
  • 功率因数>0.99(双闭环控制下)。
  • 逆变侧性能
  • 输出电压谐波:SVPWM比SPWM的THD降低15%(载波比=21时);
  • 动态响应:负载突变时直流电压超调<5%,恢复时间<20ms。

图4:仿真波形示例(来源:)

  • (a) 电网电压与电流(同相位,PF≈1)
  • (b) 直流母线电压稳定在650V±2%
  • (c) 逆变输出三相平衡电压(THD=4.2%)

4.3 实时仿真平台验证

  • RT-LAB平台:使用OP5700仿真机连接物理IGBT模块,实现硬件在环(HIL)测试;

    image.gif 编辑
  • 关键验证项
  1. 模型准确性(HSS模型vs实测误差<3%);
  2. 弱电网下稳定性(VSM控制抑制振荡)。

5. 工程应用与扩展方向

  • 典型应用场景:变频驱动器(VFD)、新能源并网变流器、HVDC轻量化系统;
  • 前沿研究方向
  • 多目标优化MPC(权衡效率与谐波);
  • 宽禁带器件(SiC/GaN)的高频化设计(开关频率>50kHz);
  • 虚拟阻抗自适应控制提升弱电网鲁棒性。

结论:基于SimPowerSystems的三相PWM VSC模型,通过模块化搭建整流-逆变链路,结合双闭环与SVPWM控制,可实现高效率电能转换。仿真验证表明其在THD(<5%)、动态响应(恢复时间<20ms)等关键指标上满足工业需求,为实际系统设计提供可靠数字孪生平台。

📚2 运行结果

image.gif 编辑

image.gif 编辑

image.gif 编辑

image.gif 编辑

🎉3 参考文献

文章中一些内容引自网络,会注明出处或引用为参考文献,难免有未尽之处,如有不妥,请随时联系删除。

[1]邹建龙.基于三相PWM变换器的蓄电池放电装置研究[D].华中科技大学,2003.DOI:10.7666/d.y498656.

[2]荣智林.基于三相PWM整流器的蓄电池充放电装置研究[D].中南林业科技大学,2007.DOI:10.7666/d.Y1849070.

[3]陈爱萍,李朝健,张深基.新型高功率因数三相ACDC

相关文章
|
6月前
|
传感器 人工智能 算法
基于模型预测控制MPC的光伏供电的DC-AC变换器设计研究(Simulink仿真实现)
基于模型预测控制MPC的光伏供电的DC-AC变换器设计研究(Simulink仿真实现)
201 1
|
6月前
|
传感器 人工智能 算法
基于模型预测控制MPC的光伏供电的DC-AC变换器设计研究(Simulink仿真实现)
基于模型预测控制MPC的光伏供电的DC-AC变换器设计研究(Simulink仿真实现)
228 0
BOSHIDA DC/AC电源模块的节能特点与环保优势
BOSHIDA DC/AC电源模块的节能特点与环保优势
BOSHIDA DC/AC电源模块的节能特点与环保优势
DC/AC电源模块为现代电子设备提供稳定的能源
DC/AC电源模块为现代电子设备提供稳定的能源
 DC/AC电源模块为现代电子设备提供稳定的能源
DC/AC电源模块:让电力转换变得更简单
DC/AC电源模块:让电力转换变得更简单
DC/AC电源模块:让电力转换变得更简单
DC/AC电源模块能够提供高效率和可靠性的能源转换
DC/AC电源模块能够提供高效率和可靠性的能源转换
DC/AC电源模块能够提供高效率和可靠性的能源转换
BOSHIDA 使用DC/AC电源模块时需要注意的事项
BOSHIDA 使用DC/AC电源模块时需要注意的事项
241 14
BOSHIDA  使用DC/AC电源模块时需要注意的事项
DC/AC电源模块在工业科技中重要的作用
DC/AC电源模块在工业科技中发挥着重要的作用
DC/AC电源模块在工业科技中重要的作用
|
芯片 网络架构
开关电源DC-DC电源应用
DC-DC指直流转直流电源(Direct Current)。是一种在直流电路中将一个电压值的电能变为另一个电压值的电能的装置。如,通过一个转换器能将一个直流电压(5.0V)转换成其他的直流电压(1.5V或12.0V),我们称这个转换器为DC-DC转换器,或称之为开关电源或开关调整器。 DC-DC转换器一般由控制芯片,电感线圈,二极管,三极管,电容器构成。在讨论DC-DC转换器的性能时,如果单针对控制芯片,是不能判断其优劣的。其外围电路的元器件特性,和基板的布线方式等,能改变电源电路的性能,因此,应进行综合判断。 DC-DC转换器的使用有利于简化电源电路设计,缩短研制周期,实现最佳指标等,被
331 5
|
传感器 机器人
DC/AC电源模块在工业科技中发挥着重要作用
DC/AC电源模块在工业科技中发挥着重要作用
DC/AC电源模块在工业科技中发挥着重要作用