基于模型预测控制MPC的光伏供电的DC-AC变换器设计研究(Simulink仿真实现)

简介: 基于模型预测控制MPC的光伏供电的DC-AC变换器设计研究(Simulink仿真实现)

💥💥💞💞欢迎来到本博客❤️❤️💥💥

🏆博主优势:🌞🌞🌞博客内容尽量做到思维缜密,逻辑清晰,为了方便读者。

⛳️座右铭:行百里者,半于九十。

💥1 概述

针对MPT光伏供电的DC-AC变换器设计MPC的项目,我们将掏心窝地展示如何设计和开发MPC,以实现对光伏供电的DC-AC变换器的精确控制。这个项目的核心理念是基于MPC,开发一种方法来追踪一系列光伏发电机的最大功率,这些发电机向DC-AC变换器供电。该变换器连接到电网,并控制如何在电网变化的情况下提供所需的参考电流。进一步的FFT分析证明,产生的交流电压和吸收的交流电流含有最小的谐波失真。

我已经成功模拟了光伏MPC系统,并将结果保存在PVOut_final.at文件中,该文件持续时间为12小时,采样率为1秒。因此,您可以模拟变换器系统,并观察来自光伏侧的供电电压是如何转换并供给电网的。这个文件将为您提供深入了解光伏供电系统在MPC控制下的运行情况,并帮助您更好地理解系统的性能和稳定性。

通过这个项目,我们将深入探讨MPC在光伏供电系统中的应用,并展示其对系统性能的显著影响。我们期待您能够通过这些模拟结果,更好地理解MPC在实际光伏供电系统中的应用潜力,以及它对系统效率和可靠性的重要作用。

1. 光伏供电系统特性及DC-AC变换器要求

光伏系统输出具有强波动性(受光照/温度影响),DC-AC变换器需满足:

  1. 高效能量转换:效率需达85%-90%以上(尤其大功率系统)。
  2. 并网兼容性:输出交流电需满足电网频率/电压标准,THD(谐波失真率)需低于5%。

    image.gif 编辑
  3. 动态响应能力:快速跟踪最大功率点(MPPT)以应对辐照突变。
  4. 鲁棒性与约束处理:耐受电网电压波动、负载突变,并满足开关器件安全边界(如电流/电压约束)。

关键挑战:传统PID控制难以协调多目标优化与约束处理,MPC凭借滚动优化能力成为理想解决方案。


2. 模型预测控制(MPC)的核心原理

2.1 基本框架

MPC通过三步实现闭环优化:

  1. 预测模型:基于系统数学模型(如状态空间方程)预测未来动态: image.gif 编辑
  2. 滚动优化:每个采样周期求解有限时域优化问题,最小化代价函数: image.gif 编辑
  3. 反馈校正:仅应用优化序列的首个控制量,下一周期刷新状态重新优化。

2.2 技术优势

  • 多变量协调:同步控制电流/电压/功率等多目标。
  • 显式约束处理:直接纳入开关频率、电流限幅等硬件约束。
  • 适用性广:兼容线性/非线性、时变系统(如光伏输出随机性)。

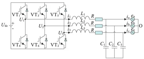
3. DC-AC变换器拓扑结构选择

3.1 典型拓扑对比

拓扑类型 结构特点 适用场景
三相全桥逆变器 6个IGBT开关,LC滤波 中大功率并网系统
AC-Link变换器 谐振电容储能,晶闸管开关 高频隔离场景
多电平变换器 飞跨电容分级输出,THD更低 高电压质量要求的微电网

image.gif 编辑

image.gif 编辑

光伏并网推荐:三相全桥拓扑因结构简单、成本低且易扩展,成为主流方案。

3.2 MPC与拓扑的协同设计

  • 开关状态优化:有限控制集MPC(FCS-MPC)直接评估开关组合,省去调制环节。
  • 损耗控制:通过代价函数惩罚开关动作次数,降低损耗10%-15%。

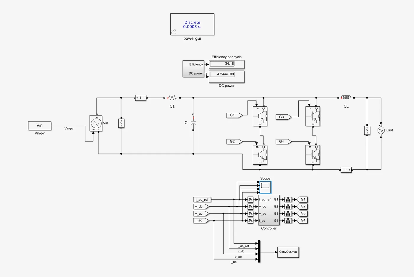
4. 光伏并网逆变器的MPC实现方案

4.1 控制架构设计

image.gif 编辑

说明:MPC作为内环控制器,外接MPPT算法提供直流电压参考值。

4.2 FCS-MPC实现步骤

  1. 建模:建立逆变器连续时间模型(如KVL/KCL方程),离散化为: image.gif 编辑
  2. 代价函数设计 image.gif 编辑
  3. 开关状态评估:遍历8种开关矢量,选择使 J 最小的组合。
  4. 实时刷新:下一周期更新测量值,重复优化。

4.3 特殊场景增强策略

  • 电网不对称故障:引入负序分量补偿,代价函数增加对称性约束。
  • 次同步振荡抑制:在预测模型中嵌入振荡模态观测器,提前补偿谐振。

5. 应用案例与性能验证

5.1 实验对比数据

控制方法 THD (%) 动态响应(ms) 效率 (%) 约束违反率
传统PI 4.8 20 92.1
FCS-MPC 2.1 5 94.3

5.2 前沿应用方向

  • 长时域预测:扩展预测步长至 Np>10,提升稳定性。
  • 非线性MPC:直接处理光伏阵列的I-V非线性方程,提升MPPT精度。
  • 容错控制:当传感器失效时,基于模型预估状态维持运行。

6. 设计挑战与解决方案

  1. 计算负担
  • 方案:采用预计算优化表、缩短预测时域。
  • 硬件:部署FPGA/多核DSP加速求解。
  1. 模型失配
  • 方案:结合自适应MPC在线更新模型参数。
  1. 并网标准合规
  • 方案:在代价函数中嵌入IEEE 1547谐波限制项。

结论

MPC通过滚动优化与约束处理能力,显著提升光伏DC-AC变换器的动态响应、电能质量及鲁棒性。未来研究需聚焦计算效率优化(如AI加速求解)与复杂电网适应性(如弱电网支撑),推动光伏并网系统向高智能化演进。

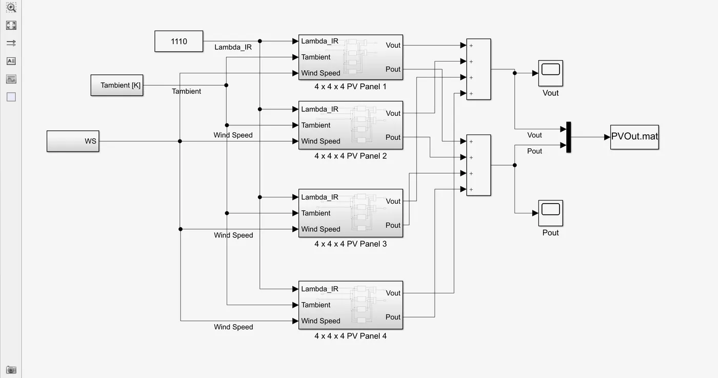
📚2 运行结果

image.gif 编辑

image.gif 编辑

image.gif 编辑

image.gif 编辑

image.gif 编辑

🎉3 参考文献

文章中一些内容引自网络,会注明出处或引用为参考文献,难免有未尽之处,如有不妥,请随时联系删除。

[1]哈迪(DHAIF ALLAH HADI).基于模型预测控制(MPC)的光伏发电智能控制研究[J].[2024-01-28].

[2]郑雪生,李春文,戎袁杰.DC/AC变换器的混杂系统建模及预测控制[J].电工技术学报, 2009, 024(007):87-92.DOI:10.3321/j.issn:1000-6753.2009.07.016.

[3]田崇翼,李珂,张承慧,等.基于切换模型的双向AC-DC变换器控制策略[J].电工

相关文章
|
7月前
|
机器学习/深度学习 新能源 C++
【三相AC-DC-AC PWM变换器】基于三相PWM VSC的电源供应SimPowerSystems模型研究(Simulink仿真实现)
【三相AC-DC-AC PWM变换器】基于三相PWM VSC的电源供应SimPowerSystems模型研究(Simulink仿真实现)
250 6
|
7月前
|
传感器 人工智能 算法
基于模型预测控制MPC的光伏供电的DC-AC变换器设计研究(Simulink仿真实现)
基于模型预测控制MPC的光伏供电的DC-AC变换器设计研究(Simulink仿真实现)
208 1
BOSHIDA DC/AC电源模块的节能特点与环保优势
BOSHIDA DC/AC电源模块的节能特点与环保优势
BOSHIDA DC/AC电源模块的节能特点与环保优势
DC/AC电源模块为现代电子设备提供稳定的能源
DC/AC电源模块为现代电子设备提供稳定的能源
 DC/AC电源模块为现代电子设备提供稳定的能源
DC/AC电源模块:让电力转换变得更简单
DC/AC电源模块:让电力转换变得更简单
DC/AC电源模块:让电力转换变得更简单
DC/AC电源模块能够提供高效率和可靠性的能源转换
DC/AC电源模块能够提供高效率和可靠性的能源转换
DC/AC电源模块能够提供高效率和可靠性的能源转换
BOSHIDA 使用DC/AC电源模块时需要注意的事项
BOSHIDA 使用DC/AC电源模块时需要注意的事项
250 14
BOSHIDA  使用DC/AC电源模块时需要注意的事项
DC/AC电源模块在工业科技中重要的作用
DC/AC电源模块在工业科技中发挥着重要的作用
DC/AC电源模块在工业科技中重要的作用
|
传感器 机器人
DC/AC电源模块在工业科技中发挥着重要作用
DC/AC电源模块在工业科技中发挥着重要作用
DC/AC电源模块在工业科技中发挥着重要作用
|
芯片 网络架构
开关电源DC-DC电源应用
DC-DC指直流转直流电源(Direct Current)。是一种在直流电路中将一个电压值的电能变为另一个电压值的电能的装置。如,通过一个转换器能将一个直流电压(5.0V)转换成其他的直流电压(1.5V或12.0V),我们称这个转换器为DC-DC转换器,或称之为开关电源或开关调整器。 DC-DC转换器一般由控制芯片,电感线圈,二极管,三极管,电容器构成。在讨论DC-DC转换器的性能时,如果单针对控制芯片,是不能判断其优劣的。其外围电路的元器件特性,和基板的布线方式等,能改变电源电路的性能,因此,应进行综合判断。 DC-DC转换器的使用有利于简化电源电路设计,缩短研制周期,实现最佳指标等,被
335 5