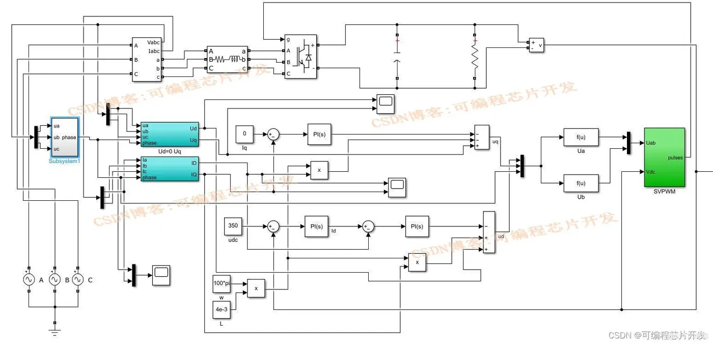
1.课题概述
基于电压电流双闭环控制的三相整流器系统simulink建模与仿真。
2.系统仿真结果
(完整程序运行后无水印)



3.核心程序与模型
版本:MATLAB2022a
4.系统原理简介
三相整流器作为电力电子变换的核心部件,广泛应用于各种工业及能源系统中,其性能直接影响到整个系统的效率和稳定性。基于电压电流双闭环控制的三相整流器系统,通过分别对直流侧电压和交流侧电流实施控制,能够有效地提高系统的动态响应速度和稳态精度,同时保证良好的功率因数和谐波性能。
4.1控制系统结构
双闭环控制系统通常包括外环电压控制和内环电流控制两个层次。外环根据设定的直流侧电压参考值调节电流指令,内环则根据这个电流指令实时调整三相桥的触发角,以控制交流侧输入电流,进而间接控制直流侧电压。
4.2内环电流控制
内环电流控制的目标是使实际的交流侧线电流跟踪电流指令,即维持电流误差为零。采用PI(比例积分)控制器作为电流调节器,其输出为触发角的调制信号。设交流侧线电流为ia(t),电流指令为cmd(t),电流误差为ei(t)=icmd(t)−ia(t),则PI控制器输出upi,i可表示为:

为了确保整个控制系统的稳定性,需要仔细设计控制器参数并分析闭环系统的稳定性。这通常涉及根轨迹法、Nyquist图或Bode图等分析工具。此外,为了改善功率因数和减少谐波,还可能在电流控制中引入谐波抑制策略,如采用滞环比较器或特定的滤波算法。