D触发器
创建单个 D 触发器。
D触发器是一种存储位并在时钟信号(通常)正沿处定期更新的电路。D 触发器在使用时钟始终块时由逻辑合成器创建。AD触发器是“组合逻辑块后跟触发器”的最简单形式,其中组合逻辑部分只是一条线。
Module Declaration
module top_module ( input clk, // Clocks are used in sequential circuits input d, output reg q );
答案:
module top_module ( input clk, // Clocks are used in sequential circuits input d, output reg q );// always @(posedge clk)begin q <= d ; end endmodule
8个 D触发器
创建 8 个 D 触发器。所有 DFF 都应由clk 的上升沿触发。
Module Declaration
module top_module ( input clk, input [7:0] d, output [7:0] q );
答案:
module top_module ( input clk, input [7:0] d, output [7:0] q ); always @(posedge clk)begin q <= d ; end endmodule
8个带同步复位的D触发器
创建具有高电平有效同步复位的 8 个 D 触发器。所有 DFF 都应由clk 的上升沿触发。
Module Declaration
module top_module ( input clk, input reset, // Synchronous reset input [7:0] d, output [7:0] q );
答案:
module top_module ( input clk, input reset, // Synchronous reset input [7:0] d, output [7:0] q ); always @(posedge clk)begin if(reset == 1) q <= 0 ; else q <= d ; end endmodule
8个带复位值的D触发器
创建具有高电平有效同步复位的 8 个 D 触发器。触发器必须重置为 0x34 而不是零。所有的DFF应由被触发负的边缘CLK。
Module Declaration
module top_module ( input clk, input reset, // Synchronous reset input [7:0] d, output [7:0] q );
答案:
module top_module ( input clk, input reset, input [7:0] d, output [7:0] q ); always @(negedge clk)begin if(reset == 1) q <= 8'h34; else q <= d ; end endmodule
8个带异步复位的D触发器
创建具有高电平有效异步复位的 8 个 D 触发器。所有 DFF 都应由clk 的上升沿触发。
Module Declaration
module top_module ( input clk, input areset, // active high asynchronous reset input [7:0] d, output [7:0] q );
答案:
module top_module ( input clk, input areset, // active high asynchronous reset input [7:0] d, output [7:0] q ); always @(posedge clk or posedge areset)begin if(areset == 1) q <= 8'h00; else q <= d ; end endmodule
16 个 D 触发器
创建 16 个 D 触发器。有时只修改一组触发器的一部分很有用。字节使能输入控制是否应在该周期写入 16 个寄存器的每个字节。byteena[1]控制高字节d[15:8],而byteena[0]控制低字节d[7:0]。
resetn是一个同步的、低电平有效的复位。
所有 DFF 都应由clk 的上升沿触发。
Module Declaration
module top_module ( input clk, input resetn, input [1:0] byteena, input [15:0] d, output [15:0] q );
答案:
module top_module ( input clk, input resetn, input [1:0] byteena, input [15:0] d, output [15:0] q ); always @(posedge clk)begin if(resetn == 0) q <= 8'h00; else if(byteena [1] ==1 && byteena [0] ==1) q <= d; else if(byteena [1] ==1) q[15:8]<= d[15:8]; else if(byteena [0] ==1) q[7:0]<= d[7:0]; else q <= q; end endmodule
D 锁存器
实现以下电路:
请注意,这是一个闩锁,因此预计会出现有关推断闩锁的 Quartus 警告。
Module Declaration
module top_module ( input d, input ena, output q);
答案:
module top_module ( input d, input ena, output q); always @(ena)begin if(ena == 1) q = d ; end endmodule
DFF
实现以下电路:
Module Declaration
module top_module ( input clk, input d, input ar, // asynchronous reset output q);
答案:
module top_module ( input clk, input d, input ar, // asynchronous reset output q); always @(posedge clk or posedge ar)begin if(ar == 1)begin q<=0; end else begin q<=d; end end endmodule
DFF1
实现以下电路:
Module Declaration
module top_module ( input clk, input d, input r, // synchronous reset output q);
答案:
module top_module ( input clk, input d, input r, // synchronous reset output q); always @(posedge clk)begin if(r == 1)begin q<=0; end else begin q<=d; end end endmodule
DFF+gate
Module Declaration
module top_module ( input clk, input in, output out);
答案:
module top_module ( input clk, input in, output out); always @(posedge clk)begin out<=in^out; end endmodule
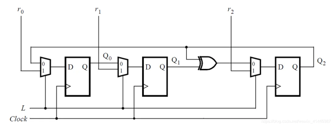
MAX and DFF
考虑下面的时序电路:
假设您要为该电路实现分层 Verilog 代码,使用其中包含触发器和多路复用器的子模块的三个实例。为此子模块编写一个名为top_module的 Verilog 模块(包含一个触发器和多路复用器)。
Module Declaration
module top_module ( input clk, input L, input r_in, input q_in, output reg Q);
答案:
module top_module ( input clk, input L, input r_in, input q_in, output reg Q); always @(posedge clk)begin if(L==0)begin Q <= q_in; end else begin Q <= r_in; end end endmodule
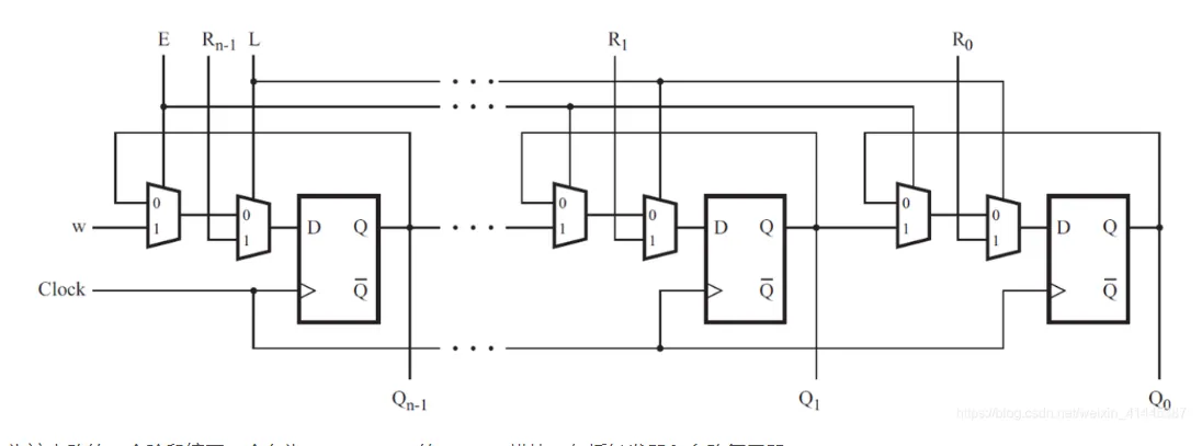
MAX and DFF1
考虑如下所示的n位移位寄存器电路:
为该电路的一个阶段编写一个名为 top_module 的 Verilog 模块,包括触发器和多路复用器。
Module Declaration
module top_module ( input clk, input w, R, E, L, output Q );
答案:
module top_module ( input clk, input w, R, E, L, output Q ); wire E_in = (E==1)?w:Q; always @(posedge clk)begin if(L==1)begin Q <= R; end else begin Q <= E_in; end end endmodule
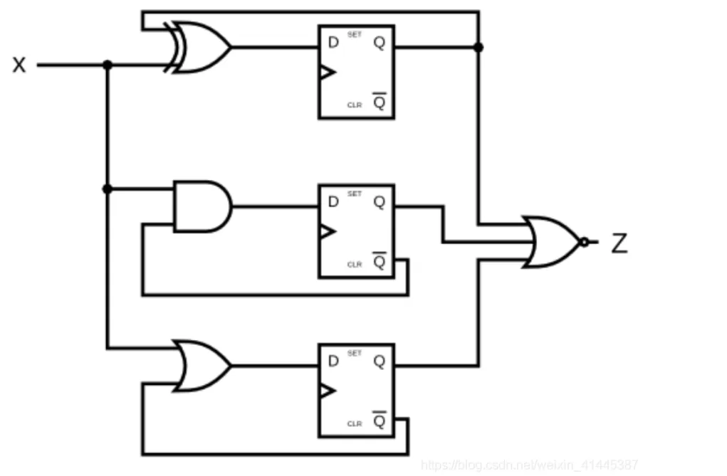
DFF and gates
给定如图所示的有限状态机电路,假设 D 触发器在机器启动之前初始复位为零。
建立这个电路。
Module Declaration
module top_module ( input clk, input x, output z );
答案:
module top_module ( input clk, input x, output z ); assign z = !(Q0|Q1|Q2); reg Q0; always @(posedge clk)begin Q0 <= x^Q0; end reg Q1; always @(posedge clk)begin Q1 <= x&!Q1; end reg Q2; always @(posedge clk)begin Q2 <= x|!Q2; end endmodule






