南京观海微电子---2种 电流检测中的高低边采样电阻和共模抑制比问题

简介: 电流检测主要有两种方法:使用集成电流检测芯片配合采样电阻,或自行搭建运放电路。前者精度高、设计简便,后者对电阻匹配要求高,需关注共模抑制比(CMRR)。CMRR反映电路抑制共模干扰的能力,一般在60-120dB之间,但随频率升高而下降,影响高频性能。图示展示了高端、低端检测电路及CMRR频率响应特性。

电流检测有两种方法:

  • 一种是用封装好的电流检测芯片+采样电阻;
  • 另一种是自己搭建运放电路

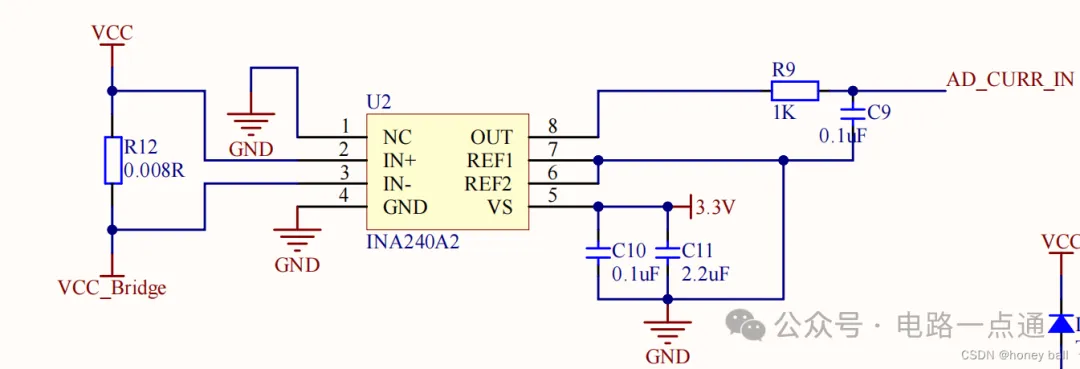
高端检测:

低端检测:

自己搭建运放电路:(这种对电阻的精度要求较高,对称电路中电阻的一致性,为了减小共模抑制比)

共模抑制比:

共模抑制比:

共模电压波形:

共模抑制比:

共模电压波形:



一般运放的共模抑制比在60---120之间:


共模抑制比频率曲线图:当频率处于高频的时候,共模抑制比就会大幅减小,无法抑制共模信号:


相关文章
南京观海微电子----运放与MOS管组成的恒流源电路原理分析
本文详解运放与MOS管构成的恒流源电路原理。通过负反馈机制,采样电阻实时监测电流,运放调节三极管导通程度,维持负载电流稳定。结合MOS管输出与转移特性曲线,分析其工作区,并说明各元件作用,如稳压管提供基准电压、电阻限流缓冲等,实现高精度恒流输出。
南京观海微电子----运放与MOS管组成的恒流源电路原理分析
|
3月前
|
存储 缓存 芯片
南京观海微电子---快速上手DDR读写例程——DDR接口专栏(三)
本文介绍如何使用FPGA中DDR IP核的Native接口进行读写操作,详细解析用户接口信号及时序控制,并结合Verilog代码实现DDR3的初始化、连续写入与读取验证,帮助开发者掌握DDR高速存储应用。
南京观海微电子---快速上手DDR读写例程——DDR接口专栏(三)
|
3月前
|
存储
南京观海微电子----开关电源电路图
本文详解开关电源电路原理,涵盖主电路、控制电路、检测电路及辅助电源等组成部分,解析交流转直流全过程。重点介绍主动式PFC、调宽式稳压、单端反激/正激、推挽、降压、升压及反转式等典型电路工作原理,结合图示说明能量转换与电压调节机制,适用于各类电子设备供电设计。(238字)
|
3月前
|
前端开发 vr&ar
南京观海微电子----MOS管的放大电路分析-运用模电的理论计算验证
本文介绍功率MOS管在放大电路中的应用,通过三电阻偏置电路分析其静态工作点与动态小信号模型。结合Multisim仿真,验证MOS管是否工作在饱和区,并计算跨导、电流及电压增益,结果与理论相符,体现模电理论在实际设计中的指导作用。(239字)
|
3月前
|
数据安全/隐私保护 芯片
南京观海微电子-----GH7002/7003/7005/7006/7009初始化代码调试说明
本文介绍GH7002/7003/7005/7006/7009系列芯片的基础寄存器结构,分为协议类与私有类。私有寄存器需通过page number和密码使能访问,详细说明了Page 1至Page B中各关键寄存器的功能及配置方法,包含写使能、读使能及DCS模式切换操作流程。
南京观海微电子-----GH7002/7003/7005/7006/7009初始化代码调试说明
南京观海微电子---残影原理和调试方法简介
本文详解液晶显示中AC与DC残影的成因、判定及调试方法。AC残像源于液晶配向不足,DC残像由离子聚集与电压偏置引起,可通过调节Vcom和非对称gamma改善,同时介绍Flicker闪烁现象及其优化方案。
|
3月前
|
芯片
南京观海微电子---高速MOS驱动电路设计和应用指南
自举栅极驱动技术用于高边N沟道MOSFET驱动,通过自举电容和电平移位电路实现高压侧浮动供电。适用于中高电压系统,可集成于PWM控制器或专用驱动IC,提升效率并延长开关导通时间,广泛应用于电源管理领域。
南京观海微电子---高速MOS驱动电路设计和应用指南
|
3月前
|
C语言
南京观海微电子----MOS管外围电路中的电阻有什么用?
本简介介绍了MOS管开关电路的工作原理及关键元件作用。DS电压对DG、GS结电容充电,G极电压达阈值时MOS导通,R7提供泄放并加速开关。关断时,R6与D3回路快速放电,R6抑制震荡。Rc吸收尖峰,D5防止反峰电压击穿MOS管,C11、R8、D5回路对稳定波形至关重要。
南京观海微电子----MOS管外围电路中的电阻有什么用?
南京观海微电子----MOS管是如何控制电流方向的
MOS管通过栅极电压控制漏极电流,结合电压比较器(如LM358)实现动态调节。控制电压与参考电压比较后,循环调节MOS导通与截止,从而精确控制电流大小与方向,方向由MOS管类型(N/P沟道)决定,广泛应用于电流调控与开关场景。
南京观海微电子----MOS管是如何控制电流方向的
|
3月前
|
传感器 芯片 内存技术
南京观海微电子---GPIO八种模式及工作原理(电路原理和三极管)
本文详细介绍STM32的GPIO接口类型、工作模式及初始化配置。涵盖普通GPIO、协议类、内存与模拟接口,解析八种GPIO模式(如浮空、上/下拉、推挽、开漏)及其应用场景,并对比F1与F4系列差异,配以框图与代码实例,全面掌握GPIO原理与使用方法。
南京观海微电子---GPIO八种模式及工作原理(电路原理和三极管)