第1节 引 言
在能源日益紧张的今天,电热水器,饮水机,电饭煲之类的家用电器在保温时,由于其简单的温控系统,利用温敏电阻来实现温控,因而会造成很大的能源浪费浪费。但是利用AT89C51单片机为核心,配合温度传感器,信号处理电路,显示电路,输出控制电路,故障报警电路等组成,软件选用汇编语言编程。单片机可将温度传感器检测到的水温模拟量转换成数字量,显示于LED显示器上。该系统灵活性强,易于操作,可靠性高,将会有更广阔的开发前景。
1.1 水温控制系统概述
能源问题已经是当前最为热门的话题,离开能源的日子,世界将失去一切颜色,人们将寸步难行,虽然本设计是节省电能角度出发,而电能又是可再生能源,但是在今天还是有很多的电能是依靠火力,核电等一系列不可再生的自然资源所产生,一旦这些自然资源耗尽,我们将面临电能资源的巨大的缺口,因而本设计从开源节流的截流角度出发,节省电能,保护环境。
1.2 本设计任务和主要内容
设计并制作一个水温自动控制系统,控制对象为1升净水,容器为搪瓷器皿。水温可以在一定范围内由人工设定,并能在环境温度降低时实现自动控制,以保持设定的温度基本不变。
本设计主要内容如下:
(1)温度设定范围为40~90℃,最小区分度为1℃,标定温度≤1℃。
(2)环境温度降低时温度控制的静态误差≤1℃。
(3)用十进制数码管显示水的实际温度。
(4)采用适当的控制方法,当设定温度突变(由40℃提高到60℃)时,减小系统的调节时间和超调量。
(5)温度控制的静态误差≤0.2℃。
第2节 系统主要硬件电路设计
2.1 单片机控制系统原理
2.2 温度采样电路
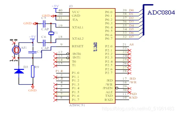
&emsp系统的信号采集电路主要由温度传感器(AD590)、基准电压(7812)及A/D转换电路(ADC0804)三部分组成。如图:2-2
2.2.4 ADC0804性能描述
ADC0804为8bit的一路A/D转换器,其输入电压范围在0—5v,转换速度小于100us,转换精度0.39﹪。满足系统的要求。
如图2-3 A/D转换电路+157812-15电炉AD590
由于系统控制的水温范围为35℃–95℃,所以当输出电压为零伏时AD590的输出电流为308.2uA,因此为了使Ui的电位为零就必须使电流等于电流等于308.2uA, 三端稳压7812的输出电压为12v所以取电阻R2=30k , R1=10k的电位器。又由于ADC0804的输入电压范围为0—5v ,为了提高精度所以令水温为95℃时IbIcout
图2-3 A/D转换电路
ADC0804的输入电压为5v(即Uo=5v)。当水温为95℃时AD590的输出电流为368.2uA。因此取R5=81k , R5=5k的电位器。
2.3 温度控制电路
此部分电路主要由光电耦合器MOC3041和双向可控硅BTA12组成。MOC3041光电耦合器的耐压值为400v,它的输出级由过零触发的双向可控硅构成,它控制着主电路双向可控硅的导通和关闭。100Ω电阻与0.01uF电容组成双向可控硅保护电路。控制部分电路图如图2-4 部分控制电路。
2.4主机控制部分
此部分是电路的核心部分,系统的控制采用了单片机89C52。单片机89C52内部有8KB单元的程序存储器及256字节的数据存储器。因此系统不必扩展外部程序存储器和数据存储器这样大大的减少了系统硬件部分。如图2-5 主机控制部分
2.5键盘及数字显示部分
在设计键盘/显示电路时,我们使用单片机2051做为电路控制的核心,单片机2051具有一个全双工的串行口采用串口,利用此串行口能够方便的实现系统的控制和显示功能。键盘/显示接口电路如图2-6。
图3-4-1中单片机2051的P1口接数码管的8只引脚,这样易于对数码管的译码,使数码管能显示设计者所需的各数值、小数点、符号等等。
单片机2051的P3.3、P3.4、P3.5接3-8译码器74L138,译码器的输出端直接接八个数码管的控制端和键盘,键盘扫描和显示器扫描同用端口这样能大大的减少单片机的I/O,减少硬件的花费。
键盘的接法的差别直接影响到硬件和软件的设计,考虑到单片机2051的端口资源有限,所以我们在设计中将传统的44的键盘接成82的形式(如图2-7),键盘的扫描除了和显示共用的8个端外,另外的两个端直接和2051的P3.2和P3.7相连。
3.1 系统主程序设计






