南京观海微电子---时序分析基本概念(二)——保持时间

简介: 本文详解触发器的保持时间(Th)概念,通过级联寄存器实例分析数据稳定要求,结合时序图推导保持时间裕量(Th_slack)计算公式,并给出具体计算示例,帮助理解数字电路中的时序约束与亚稳态问题。

1. 概念的理解

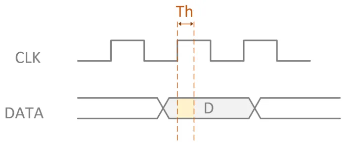
以上升沿锁存为例,保持时间(Th)是指在触发器的时钟信号上升沿到来以后,数据稳定不变的时间。如下图所示,一个数据要在上升沿被锁存,那么这个数据需要在时钟上升沿到来后的保持时间内保持稳定。

保持时间是对触发器而言,以能够稳定准确的锁存或者触发为目的,对其输入数据信号保持稳定的时间要求。

2. 简单的实例

以两个级联寄存器为例。

时钟通过CLK PIN管脚输入,到达第一个寄存器的时钟端口经历的时延为Tclk1,到达第二个寄存器的线上时延为Tclk2。

第一个寄存器从时钟进入时钟端口驱动寄存器到寄存器输出数据的延时为Tco,Tco为寄存器内部的时延。

数据从第一个寄存器Q端口输出,经历Tdata延时到达第二个寄存器的数据输入端。Tdata可能包含路径上的延时以及引入的组合逻辑电路导致的延时。

时序图如下图所示:

图中,紫色区域为Th需要的时间,蓝色的区域为富余的保持时间(Th slack)。

如果由于Tclk2时间较长,使得Th slack为0,但Reg2的D输入口数据仍然能在下个时钟上升沿到来后保持Th时间,则Reg2寄存器仍然能稳定的采集到输入数据,如下图所示。

最后一种情况,如果由于Tclk2时间过长,使得Th slack为负值,Reg2的D输入口数据在下个时钟上升沿到来后保持时间不足Th,则Reg2寄存器不能稳定的采集到输入数据D,而是个亚稳态,如下图所示。

3. 时序计算公式

由以下时序图,我们可以得到保持时间的计算公式:

Th_slack = Tcycle + Tclk1 + Tco + Tdata - Tcycle - Tclk2 - Th;

其中Tcycle为CLK一个时钟周期的时间。

例:如果已知Tcycle为10ns(即工作时钟100MHz)、Tclk1为3ns、Tclk2为2ns、Tdata为3ns、Th为0.5ns、Tco为1ns,则求Th_slack为多少?

答:通过套用上面的公式可得

Th_slack = 10 + 3 + 1 + 3 - 10 - 2 - 0.5 = 4.5 ns

相关文章
|
4天前
|
云安全 人工智能 自然语言处理
|
8天前
|
人工智能 Java API
Java 正式进入 Agentic AI 时代:Spring AI Alibaba 1.1 发布背后的技术演进
Spring AI Alibaba 1.1 正式发布,提供极简方式构建企业级AI智能体。基于ReactAgent核心,支持多智能体协作、上下文工程与生产级管控,助力开发者快速打造可靠、可扩展的智能应用。
800 17
|
11天前
|
数据采集 人工智能 自然语言处理
Meta SAM3开源:让图像分割,听懂你的话
Meta发布并开源SAM 3,首个支持文本或视觉提示的统一图像视频分割模型,可精准分割“红色条纹伞”等开放词汇概念,覆盖400万独特概念,性能达人类水平75%–80%,推动视觉分割新突破。
803 59
Meta SAM3开源:让图像分割,听懂你的话
|
2天前
|
人工智能 安全 小程序
阿里云无影云电脑是什么?最新收费价格个人版、企业版和商业版无影云电脑收费价格
阿里云无影云电脑是运行在云端的虚拟电脑,分企业版和个人版。企业版适用于办公、设计等场景,4核8G配置低至199元/年;个人版适合游戏、娱乐,黄金款14元/月起。支持多端接入,灵活按需使用。
235 164
|
9天前
|
搜索推荐 编译器 Linux
一个可用于企业开发及通用跨平台的Makefile文件
一款适用于企业级开发的通用跨平台Makefile,支持C/C++混合编译、多目标输出(可执行文件、静态/动态库)、Release/Debug版本管理。配置简洁,仅需修改带`MF_CONFIGURE_`前缀的变量,支持脚本化配置与子Makefile管理,具备完善日志、错误提示和跨平台兼容性,附详细文档与示例,便于学习与集成。
335 116
|
2天前
|
机器学习/深度学习 人工智能 自然语言处理
Z-Image:冲击体验上限的下一代图像生成模型
通义实验室推出全新文生图模型Z-Image,以6B参数实现“快、稳、轻、准”突破。Turbo版本仅需8步亚秒级生成,支持16GB显存设备,中英双语理解与文字渲染尤为出色,真实感和美学表现媲美国际顶尖模型,被誉为“最值得关注的开源生图模型之一”。
364 3
|
6天前
|
弹性计算 搜索推荐 应用服务中间件
阿里云服务器租用价格:一年、1小时及一个月收费标准及优惠活动参考
阿里云服务器优惠汇总:轻量应用服务器200M带宽38元/年起,ECS云服务器2核2G 99元/年、2核4G 199元/年,4核16G 89元/月,8核32G 160元/月,香港轻量服务器25元/月起,支持按小时计费,新老用户同享,续费同价,限时秒杀低至1折。
406 166

热门文章

最新文章