前言
本文完全采用公式去搭建模型,而不是拖拽模块,有利于加深对公示的理解,提升对simulink的建模水平。
正文
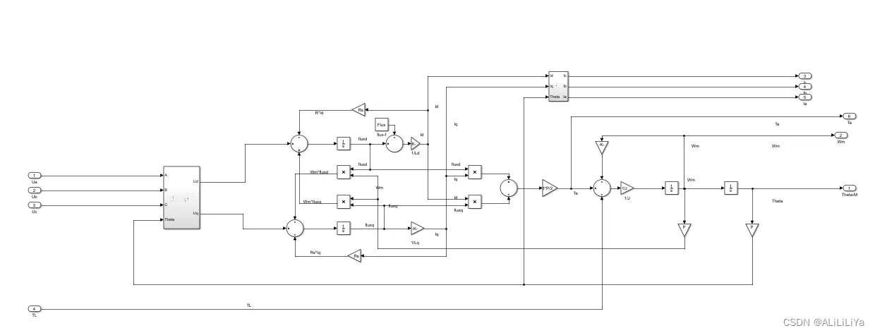
1.PMSM(永磁同步电机)建模
根据电机的转矩、电压电流关系公式进行搭建。纯数学公式搭建PMSM本体。
2.SVPWM(矢量脉宽调制技术)的搭建
上图为封装好的SVPWM模型。
这里面有两个输入参数,分别为电压Ud,和调制时间Ts。
3.park变换和克拉克clark变换
上图为park变换。
上图为clark逆变换。
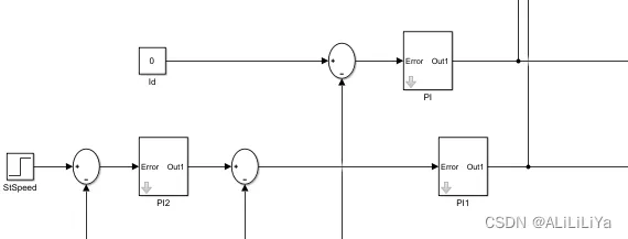
4.PID调节双闭环控制
通过调节PID参数,达到理想控制目标。
5.仿真结果
电流波形图
电压波形图
速度波形图
转矩波形图
6.结论
可见控制效果较好,能够短时间达到预期效果。适用于学习永磁同步电机(PMSM)控制的同学完成simulink仿真。
想动手建立模型的可以参考上传资料----->>>控制模型建立
有相关问题的可以一起讨论哦–~~~~~~~~









