【直流微电网保护】【本地松弛母线、光伏系统、电池和直流负载】【光伏系统使用标准的光伏模型+升压变换器】【电池使用标准的锂离子电池模型+双有源桥变换器】Simulink仿真实现

简介: 【直流微电网保护】【本地松弛母线、光伏系统、电池和直流负载】【光伏系统使用标准的光伏模型+升压变换器】【电池使用标准的锂离子电池模型+双有源桥变换器】Simulink仿真实现

💥💥💞💞欢迎来到本博客❤️❤️💥💥

🏆博主优势:🌞🌞🌞博客内容尽量做到思维缜密,逻辑清晰,为了方便读者。

⛳️座右铭:行百里者,半于九十。

⛳️赠与读者

👨‍💻做科研,涉及到一个深在的思想系统,需要科研者逻辑缜密,踏实认真,但是不能只是努力,很多时候借力比努力更重要,然后还要有仰望星空的创新点和启发点。当哲学课上老师问你什么是科学,什么是电的时候,不要觉得这些问题搞笑。哲学是科学之母,哲学就是追究终极问题,寻找那些不言自明只有小孩子会问的但是你却回答不出来的问题。建议读者按目录次序逐一浏览,免得骤然跌入幽暗的迷宫找不到来时的路,它不足为你揭示全部问题的答案,但若能让人胸中升起一朵朵疑云,也未尝不会酿成晚霞斑斓的别一番景致,万一它居然给你带来了一场精神世界的苦雨,那就借机洗刷一下原来存放在那儿的“躺平”上的尘埃吧。

    或许,雨过云收,神驰的天地更清朗.......🔎🔎🔎

💥1 概述

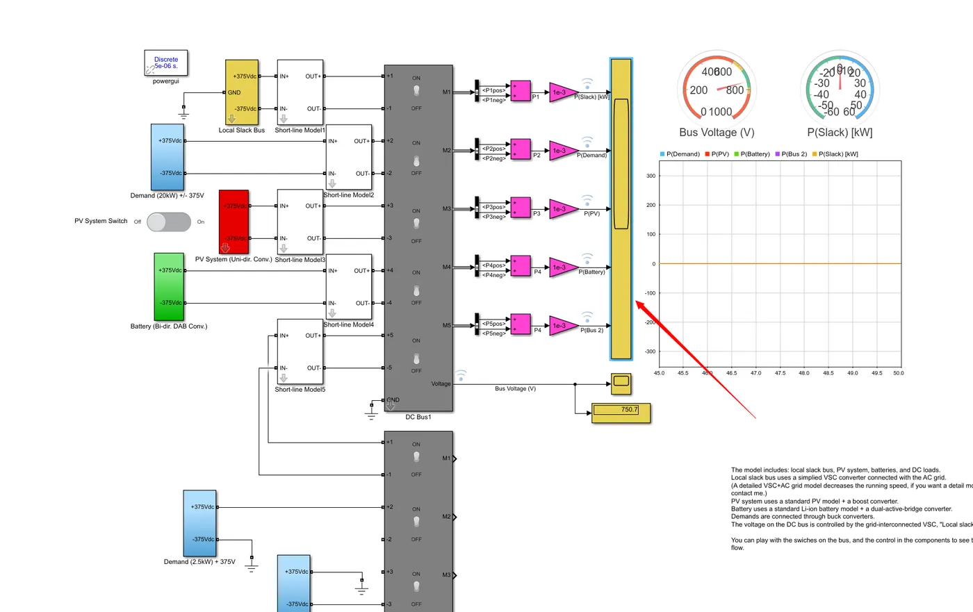
该模型包括:本地松弛母线、光伏系统、电池和直流负载。

本地松弛母线使用VSC变流器与交流电网相连。

光伏系统使用标准的光伏模型+升压变换器。

电池使用标准的锂离子电池模型+双有源桥变换器。

需求通过降压变换器连接。

直流母线上的电压由与电网相连的VSC“本地松弛母线”控制。

您可以通过在母线上操作开关和组件中的控制来查看电力流动。

文献来源:

image.gif 编辑

摘要:应对气候变化的环境激励正在推动提高电力配电系统的能效,并整合先进的可再生能源技术。例如,通过高效的功率电子变换器(PEC)集成风能/光伏资源、储能系统和电动车辆。随后,直流微电网(MGs)和配电系统在文献中受到了广泛关注,因为它们为这些现代资源与消费者之间提供了简单而灵活的接口。然而,在广泛采用之前,仍存在许多与设计和标准化直流保护装置相关的技术挑战必须克服。例如,已经提出了许多针对直流MGs量身定制的保护方案,但其中很少有考虑实际实施的计量要求。本文首先将回顾在MATLAB/Simulink中模拟的直流MG模型上的直流侧故障瞬变的关键特征,并分析对PEC组件的破坏性影响。其次,对新发布的直流保护方案进行了回顾。这些保护方案按其基本运行原理进行分类,并给出了数学推导的计量要求。

近年来,功率电子变换器技术的最新进展已经实现了高效率的交直流转换,实现了高压直流(HVDC)输电和低压直流(LVDC)配电系统的发展。尽管HVDC已经在许多国家得到广泛应用,但多端直流配电系统的商业推广仍需要进一步的研究、开发和标准化才能被广泛采用。

直流微网具有许多优势,包括比传统交流微网更高的端到端能源效率和更容易集成现代能源资源。由于这些系统不受皮肤效应影响,并且需要的转换级别较少,因此能够提高能源效率。此外,直流微网通过高效的功率电子技术为最先进的可再生技术(包括风能/光伏资源、能量存储系统和电动车辆等)的集成提供了一个更简单的平台。

迄今为止,直流配电网络在公共电力系统中并未得到广泛应用。它们的应用受限于小规模电力网络,如电信、飞机和船舶电力系统。商业化的直流配电网络的主要障碍是昂贵的变流器和直流电力的缺乏直接消费者。然而,最近的趋势显示,功率电子变换器的成本正在降低,用户对直流电力的需求正在增加,从而提高了未来近期直流微网的可行性。

其中一个仍然存在的挑战是为多端LVDC配电网络设计有效的直流保护方案。主要困难在于直流系统的非传统故障电流响应,这为保护带来了两个问题。第一个问题与在短路情况下滤波电容器的放电有关。这会导致迅速增加的瞬态故障电流峰值,如果不通过快速作用的直流保护中断,将对故障路径中的任何电子元件造成损坏风险。另一个问题是直流故障电流不一定会有易于中断的零交叉点,需要使用大型断路器。尽管许多研究人员在开发理论上有效的直流微网保护策略方面付出了大量努力,但其中很少有人考虑实际实施的计量要求。

本文将研究使用直流微网模型验证的直流故障的基本特性,并推导最近提出的LVDC保护方案的新的计量要求。第二部分将回顾直流端故障瞬态的理论推导,并分析功率电子变换器对故障电流瞬态行为的破坏性影响。第三部分将根据基本运行原理对现有最先进的保护方案进行分类和回顾。最后,将对每种保护方案类别的计量要求进行数学分析。

在直流微网中的直流故障行为

为了设计有效的保护策略,用于互连直流网络并为特定保护方案分配测量要求,需要对由变流器供电的直流微网的直流侧短路故障行为进行审查。以电压源变流器(VSC)供电网络为例,本节将回顾直流侧短路故障响应的理论推导。随后,使用在MATLAB/Simulink中建立的直流微网模型进行案例研究,分析功率电子变换器对故障电流瞬态行为的破坏性影响。

image.gif 编辑

image.gif 编辑

image.gif 编辑

image.gif 编辑

本文对直流微网的最新保护方案进行了分类,并针对每种方案提出了新的计量要求,重点关注了与实际实施相关的测量挑战。研究发现,瞬时过电流保护需要宽带测量传感器和超快采样率,以避免错过初始故障电流峰值。差动保护方案需要非常精确的时间同步测量,并且需要最小的时间同步误差,以避免在外部故障发生时导致保护误操作。特别是在紧凑的直流网络中存在高的di/dt时,这一要求在实际中可能过于困难实现。此外,基于本地测量量变化率的非单位保护方案也被提出,以避免使用通信链路。然而,数值导数计算对噪声非常敏感,因此应进行信号调理,包括选择适当的计算时间步长和有效的低通滤波器。

作者认为,本文的研究结果强调了重新定义直流保护研究社区关注重点的重要性。虽然当前的努力集中在解决最新固态和机械技术的局限性(例如在PECs中的故障承受能力,SSCBs中的电流中断,断路器的选择性/速度等方面),但本文表明,这种方法可能导致无法实现的解决方案,因为计量要求尚未得到充分考虑。所提出的研究结果提供了一个强有力的论据,认为在技术解决方案中考虑计量能力/限制是实现有影响力和改变游戏规则的研究的重要部分。未来,作者计划通过提供受实际测量限制塑造的近期可实现的新型直流微网保护解决方案,展示这种新视角的价值。

📚2 运行结果

image.gif 编辑

image.gif 编辑

image.gif 编辑

image.gif 编辑

image.gif 编辑

image.gif 编辑

image.gif 编辑

🎉3 参考文献

文章中一些内容引自网络,会注明出处或引用为参考文献资料获取,更多粉丝福利,MATLAB|Simulink|Python资源获取【请看主页然后私信】

相关文章
|
Web App开发 安全 Java
SpringBoot开发案例之集成SSL证书
SSL简介 SSL(Secure Sockets Layer 安全套接层),及其继任者传输层安全(Transport Layer Security,TLS)是为网络通信提供安全及数据完整性的一种安全协议。
13694 0
|
存储 供应链 前端开发
宜搭平台搭建应用的最佳实践(二)| 学习笔记
快速学习宜搭平台搭建应用的最佳实践。
宜搭平台搭建应用的最佳实践(二)| 学习笔记
|
监控 NoSQL 程序员
Redis 高可用篇:你管这叫 Sentinel 哨兵集群原理
Redis 高可用篇:你管这叫 Sentinel 哨兵集群原理
252 5
|
资源调度 算法 Linux
深入理解操作系统之进程管理与调度
【4月更文挑战第28天】 在现代计算机系统的核心,操作系统承担着资源管理和任务协调的重要职责。本文将深入探讨操作系统的心脏——进程管理及其调度机制。我们将剖析进程的概念、生命周期以及它们如何在多任务环境中被操作系统有效调度。文中不仅涉及理论模型,更通过实际案例分析现代操作系统如Linux和Windows在进程管理上的异同。此外,还将讨论如何通过优化调度算法来提升系统性能和响应速度,以及这些方法对未来操作系统设计的启示。
|
前端开发 安全 搜索推荐
Gitlab配置webhook趟坑全纪录&常见环境问题排查思路与思考总结
是问题,总会有解决办法,一时想不到,不必焦躁,不必死磕,晾一晾,转换一下思路,说不定第二天就会“山重水复疑无路,柳暗花明又一村”!
Gitlab配置webhook趟坑全纪录&常见环境问题排查思路与思考总结
|
7天前
|
存储 关系型数据库 分布式数据库
PostgreSQL 18 发布,快来 PolarDB 尝鲜!
PostgreSQL 18 发布,PolarDB for PostgreSQL 全面兼容。新版本支持异步I/O、UUIDv7、虚拟生成列、逻辑复制增强及OAuth认证,显著提升性能与安全。PolarDB-PG 18 支持存算分离架构,融合海量弹性存储与极致计算性能,搭配丰富插件生态,为企业提供高效、稳定、灵活的云数据库解决方案,助力企业数字化转型如虎添翼!
|
6天前
|
存储 人工智能 Java
AI 超级智能体全栈项目阶段二:Prompt 优化技巧与学术分析 AI 应用开发实现上下文联系多轮对话
本文讲解 Prompt 基本概念与 10 个优化技巧,结合学术分析 AI 应用的需求分析、设计方案,介绍 Spring AI 中 ChatClient 及 Advisors 的使用。
315 130
AI 超级智能体全栈项目阶段二:Prompt 优化技巧与学术分析 AI 应用开发实现上下文联系多轮对话