一、实验目的
熟悉利用QuartusⅡ的图形编辑输入法设计简单组合电路,掌握层次化设计方法,并通过8位全加器的设计,进一步熟悉利用EDA软件进行数字系统设计的流程。
二、实验仪器与器材
计算机1台,GW48-PK2S实验箱1台,QuartusⅡ6.0 1套。
三、实验内容
1. 基本命题
利用图形输入法设计一个一位半加器和全加器,再利用级联方法构成8位加法器。
2. 扩展命题
利用文本输入法设计4位并行进位加法器,再利用层次设计方法构成8位加法器。通过时序仿真,比较两种加法器的性能。
四、实验设计思路
按照如图2-1,2-2,2-3设计半加器、全加器、串行级联加法器
① 设计半加器
图2-1半加器设计图
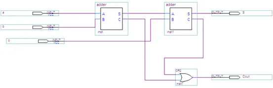
② 设计全加器
图2-2全加加器设计图
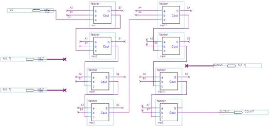
③ 设计串行级联8位加法器
图2-3串行级联8位加法器设计图
④ 仿真波形图
对以上的串行级联加法器进行仿真。设置时钟频率为/1/10ns。每20ns对a,b输入口进行+2操作。所得结果见图2-8。由图可知延时大约为14ns。
图2-4串行级联加法器仿真波形图
对以上的串行级联加法器进行仿真。设置时钟频率为/2.0us。每10us对a,b输入口进行+2操作。所得结果见图2-4。由图可知延时大约为10us。
五、实验要求
将实验原理、设计过程、编译仿真波形和分析结果、硬件测试实验结果写进实验报告。
六、实验思考题
(1)与单一设计文件比较,实现层次化设计应注意哪些问题?
答:实现层次化设计需要注意的是:假设B设计中引用A设计,那么需要将A设计的工程文件放在B设计的工程文件中,另外,B设计的工程必须要以B的实体名称对应,不然仿真的时候会出错。
(2)比较图形编辑和文本编辑两种8位二进制加法器的性能,分析它们的主要异同点。以下是文本编辑的参考程序。
1) 4位二进制数加法器ADDER4B的VHDL描述
LIBRARY IEEE; USE IEEE.STD_LOGIC_1164.ALL; USE IEEE.STD_LOGIC_UNSIGNED.ALL; ENTITY ADDER4B IS PORT ( CIN4 : IN STD_LOGIC; A4 : IN STD_LOGIC_VECTOR(3 DOWNTO 0); B4 : IN STD_LOGIC_VECTOR(3 DOWNTO 0); S4 : OUT STD_LOGIC_VECTOR(3 DOWNTO 0); COUT4 : OUT STD_LOGIC); END ADDER4B; ARCHITECTURE behav OF ADDER4B IS SIGNAL SINT : STD_LOGIC_VECTOR(4 DOWNTO 0); SIGNAL AA,BB : STD_LOGIC_VECTOR(4 DOWNTO 0); BEGIN AA<='0'&A4; BB<='0'&B4; SINT <= AA + BB + CIN4; S4 <= SINT(3 DOWNTO 0); COUT4 <= SINT(4); END behav;
图2-9ADDER4B仿真波形图
对以上的ADDER8B进行仿真。设置时钟频率为/2.0us。每10us对a,b输入口进行+2操作。所得结果见图2-9。由图可知延时大约为20us。
2)应用ADDER4B设计8位二进制数加法器ADDER8B的VHDL描述
LIBRARY IEEE; USE IEEE.STD_LOGIC_1164.ALL; USE IEEE.STD_LOGIC_UNSIGNED.ALL; ENTITY ADDER8B IS PORT ( CIN : IN STD_LOGIC; A : IN STD_LOGIC_VECTOR(7 DOWNTO 0); B : IN STD_LOGIC_VECTOR(7 DOWNTO 0); S : OUT STD_LOGIC_VECTOR(7 DOWNTO 0); COUT : OUT STD_LOGIC ); END ADDER8B; ARCHITECTURE struc OF ADDER8B IS COMPONENT ADDER4B PORT ( CIN4 : IN STD_LOGIC; A4 : IN STD_LOGIC_VECTOR(3 DOWNTO 0); B4 : IN STD_LOGIC_VECTOR(3 DOWNTO 0); S4 : OUT STD_LOGIC_VECTOR(3 DOWNTO 0); COUT4 : OUT STD_LOGIC ); END COMPONENT; SIGNAL CARRY_OUT : STD_LOGIC; BEGIN U1 : ADDER4B -- 例化一个4位二进制加法器U1 PORT MAP ( CIN4 => CIN, A4 => A(3 DOWNTO 0), B4 => B(3 DOWNTO 0), S4 => S(3 DOWNTO 0), COUT4 => CARRY_OUT ); U2 : ADDER4B --例化一个4位二进制加法器U2 PORT MAP ( CIN4 => CARRY_OUT, A4 => A(7 DOWNTO 4), B4 => B(7 DOWNTO 4), S4 => S(7 DOWNTO 4),COUT4 => COUT ); END struc;
图2-10ADDER8B仿真波形图
对以上的ADDER8B进行仿真。设置时钟频率为/2.0us。每10us对a,b输入口进行+2操作。所得结果见图2-10。由图可知延时大约为20us。
实验错误小结:
Quartus中仿真时出现no simulation input file assignment specify 解决方法
这个错误的意思是:仿真文件没有被指定,要仿真的话先要建一个仿真文件:
情况1、file -> new -> 选择Other file选项卡 -> Vector Waveform File
然后把输入输出端口加进去,再设置输入的信号,保存,就可以仿真了。
情况2、如果你之前已经建立过了,就打开assignments->settings->simulator settings
看里面的有个文本框 simulation input 里面是否为空,为空的话就要找到你所建立的Vector Waveform File 文件,是以*.VMF结尾的,如果没找到,你又以为你建立了Vector Waveform File ,很可能粗心的你还没保存Vector Waveform File ,保存了才会在project里面找到。
作者:kissazi2
出处:http://www.cnblogs.com/kissazi2/
本文版权归作者所有,欢迎转载,但未经作者同意必须保留此段声明,且在文章页面明显位置给出原文连接,否则保留追究法律责任的权利。
转载:http://www.cnblogs.com/kissazi2/p/3175446.html
![clip_image001[4] clip_image001[4]](https://ucc.alicdn.com/z3c7pga4dsyyg/developer-article50334/20241009/ce46fb4416544afeb3c71c78cf4f32a8.png?x-oss-process=image/resize,w_1400/format,webp)
![clip_image003[4] clip_image003[4]](https://ucc.alicdn.com/z3c7pga4dsyyg/developer-article50334/20241009/0ee5bb59b6d94895a28307b32504c5c2.png?x-oss-process=image/resize,w_1400/format,webp)
![clip_image005[4] clip_image005[4]](https://ucc.alicdn.com/z3c7pga4dsyyg/developer-article50334/20241009/940505d6896d4eefb56be474676b2ac5.png?x-oss-process=image/resize,w_1400/format,webp)
![clip_image007[4] clip_image007[4]](https://ucc.alicdn.com/z3c7pga4dsyyg/developer-article50334/20241009/1ea480c6e3754c8f9f747255abebe710.jpeg?x-oss-process=image/resize,w_1400/format,webp)

![clip_image009[4] clip_image009[4]](https://ucc.alicdn.com/z3c7pga4dsyyg/developer-article50334/20241009/a76cba0337af4847865fe0de8c19beae.jpeg?x-oss-process=image/resize,w_1400/format,webp)
![clip_image011[4] clip_image011[4]](https://ucc.alicdn.com/z3c7pga4dsyyg/developer-article50334/20241009/ffae036cf8394a688745e33136cdb728.jpeg?x-oss-process=image/resize,w_1400/format,webp)