.NET Micro Framework模拟器提供了5个模拟按键(上、下、左、右和确认按键),所以一般.NET MF开发板也只需要提供5个按键就可以了,而这5个键,也是直接和CPU的pin脚相连,用GPIO的输入相关的函数就可以操作了,使用非常简单。
但是对一些特殊的应用,如一些.NET Micro Framework教育箱或一些工业实际用的系统,5个按键显然太少了点。但是如果需要十几个按键,如果直连芯片pin脚,显然占用的资源比较多了,也会导致其它的功能无法使用了,这时候最常用的就是扫描键盘了。

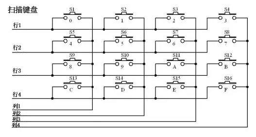
上述扫描键盘的原理图应该是最简单的一种了,复杂一点的,在行或列上,通过一个上拉电阻接VCC。这样,我们只需要8个pin脚,就可以获取16个按键的信息了。
一般实现的思路也比较简单:就是把行(或列)接芯片输出pin脚,把列(或行)接芯片输入pin脚,输出pin脚依次输出低(或高,需要看电路中接的上拉还是下拉电阻)电平,然后检查输入pin脚的电平变化。如果有变化,那么就说明,该列和该行的按键被按下了。
往往这个判断就放在while循环或线程里,不断的去运行。对一些单片而言,如果实现的功能单一,这样做也无可厚非,但是对一个系统平台来说,如果也这样做,显然对系统的资源占用还是比较厉害的。
所以最好的办法还是要采用中断的方式,平时的时候不去判断,靠中断触发,一旦中断触发了,然后再启动一轮判断,确定是哪一个按键被按下了。
1、扫描方式实现按键获取
public class ScanKeypad
{
public event NativeEventHandler OnInterrupt;
OutputPort[] rows = null;
InputPort[] cols = null;
public ScanKeypad(Cpu.Pin[] Output_Pins, Cpu.Pin[] Input_Pins)
{
rows = new OutputPort[] { new OutputPort(Output_Pins[0], false), new OutputPort(Output_Pins[1], false), new OutputPort(Output_Pins[2], false), new OutputPort(Output_Pins[3], false) };
cols = new InputPort[] { new InputPort(Input_Pins[0], true, Port.ResistorMode.PullUp), new InputPort(Input_Pins[1], true, Port.ResistorMode.PullUp), new InputPort(Input_Pins[2], true, Port.ResistorMode.PullUp), new InputPort(Input_Pins[3], true, Port.ResistorMode.PullUp) };
Thread threadKeypad = new Thread(new ThreadStart(KeypadScan));
threadKeypad.Start();
}
void KeypadScan()
{
int key = -1, oldKey = -1;
while (true)
{
key = -1;
for (int i = 0; i < rows.Length; i++)
{
rows[i].Write(false);
for (int j = 0; j < cols.Length; j++)
{
if (!cols[j].Read())
{
key = i * rows.Length + j;
break;
}
}
rows[i].Write(true);
if (key > -1) break;
}
if (key > -1 && key != oldKey)
{
if (OnInterrupt != null) OnInterrupt((uint)key, 1, DateTime.Now);
oldKey = key;
}
else if (oldKey > -1 && key == -1)
{
if (OnInterrupt != null) OnInterrupt((uint)oldKey, 0, DateTime.Now);
oldKey = -1;
}
Thread.Sleep(100);
}
}
}
2、中断方式实现按键获取
public class InterruptKeypad
{
public event NativeEventHandler OnInterrupt;
OutputPort[] rows = null;
InterruptPort[] cols = null;
Cpu.Pin[] Pins = null;
uint key = 0;
public InterruptKeypad(Cpu.Pin[] Output_Pins, Cpu.Pin[] Input_Pins)
{
rows = new OutputPort[] { new OutputPort(Output_Pins[0], false), new OutputPort(Output_Pins[1], false), new OutputPort(Output_Pins[2], false), new OutputPort(Output_Pins[3], false) };
cols = new InterruptPort[Input_Pins.Length];
Pins = Input_Pins;
for (int i = 0; i < Input_Pins.Length; i++)
{
cols[i] = new InterruptPort(Input_Pins[i], true, Port.ResistorMode.PullUp, Port.InterruptMode.InterruptEdgeBoth);
cols[i].OnInterrupt += new NativeEventHandler(InterruptKeypad_OnInterrupt);
}
}
private uint GetPinIndex(uint pin)
{
for (uint i = 0; i < Pins.Length; i++)
{
if (pin == (uint)Pins[i]) return i;
}
return 0;
}
void InterruptKeypad_OnInterrupt(uint data1, uint data2, DateTime time)
{
if (data2 == 1)
{
for (int i = 0; i < cols.Length; i++)
{
cols[i].OnInterrupt -= new NativeEventHandler(InterruptKeypad_OnInterrupt);
}
//--
uint col = GetPinIndex(data1);
for (int i = 0; i < rows.Length; i++)
{
rows[i].Write(true);
if (cols[col].Read())
{
key = (uint)(i * rows.Length + col);
Thread threadKeypad = new Thread(new ThreadStart(KeypadRun));
threadKeypad.Start();
break;
}
}
//--
for (int i = 0; i < rows.Length; i++) rows[i].Write(false);
for (int i = 0; i < cols.Length; i++)
{
cols[i].OnInterrupt += new NativeEventHandler(InterruptKeypad_OnInterrupt);
}
}
}
void KeypadRun()
{
OnInterrupt(key, 1, DateTime.Now);
OnInterrupt(key, 0, DateTime.Now);
}
}
注意,中断方式中,触发事件必须放在线程里执行,否则会有问题(如果在Winform中使用,最好不用线程,而用winfrom提供的timer,否则就无法直接操作UI了,那就必须用委托方式了,和windows上的编程类似)。
问题点1:由于我们采用的键盘并没有加上拉(或下拉)电阻电路,在最初做这个程序的时候,InputPort(Input_Pins[1], true, Port.ResistorMode.PullUp),最后一个参数,底层并没有实现内部上拉,下拉和悬空功能,所以设置是无效的。这就造成了,在按钮没有按下时,输入pin脚的状态是未知的,有时候是1,有时候是0,程序是无法正确运行的。
此外STM32F103和STM32F207的GPIO寄存器差别很大,内部实现上拉、下拉的设置也是不同的。分别实现后,发现内部上拉正常,设置下拉效果不明显,pin脚的状态还是未知的。所以我们实现的程序都设置为上拉。
问题点2:在实现中断方式的扫描键盘的代码的时候,发现PB6、PC0和PB1三个pin脚触发中断异常,但是在NativeSample层面又正常。目前没有发现这三个pin脚有何特别之处,此问题以后待查。所以如果采用中断方式,这三个pin脚不能使用。
以上两种方式都是在应用层面实现的,其实如果扫描键盘的pin脚固定,更好的方式可以在底层用C++实现,并且还可以把8个物理pin脚,虚拟出16个pin脚来,用法和物理的pin脚完全一样。
官方SimpleWPFApplication示例,是一个比较典型的WPF应用,但是需要5个按键才能操作,我们的紫藤207系统仅提供了一个物理按钮,所以是无法操作的。接上扫描键盘后,我们就有可能完整的演示这个示例了,不过由于我们使用的是扫描键盘,所以原程序无法使用,必须做如下修改才可以。
public sealed class GPIOButtonInputProvider
{
public readonly Dispatcher Dispatcher;
private DispatcherOperationCallback callback;
private InputProviderSite site;
private PresentationSource source;
public GPIOButtonInputProvider(PresentationSource source)
{
this.source = source;
site = InputManager.CurrentInputManager.RegisterInputProvider(this);
callback = new DispatcherOperationCallback(delegate(object report)
{
InputReportArgs args = (InputReportArgs)report;
return site.ReportInput(args.Device, args.Report);
});
Dispatcher = Dispatcher.CurrentDispatcher;
Cpu.Pin[] Output_Pins = { (Cpu.Pin)GPIO_NAMES.PC8, (Cpu.Pin)GPIO_NAMES.PC9, (Cpu.Pin)GPIO_NAMES.PB7, (Cpu.Pin)GPIO_NAMES.PC2 };
Cpu.Pin[] Input_Pins = { (Cpu.Pin)GPIO_NAMES.PC3, (Cpu.Pin)GPIO_NAMES.PA0, (Cpu.Pin)GPIO_NAMES.PA5, (Cpu.Pin)GPIO_NAMES.PA6 };
InterruptKeypad key = new InterruptKeypad(Output_Pins, Input_Pins);
key.OnInterrupt += new NativeEventHandler(key_OnInterrupt);
}
void key_OnInterrupt(uint data1, uint data2, DateTime time)
{
RawButtonActions action = (data2 != 0) ? RawButtonActions.ButtonUp : RawButtonActions.ButtonDown;
RawButtonInputReport report = new RawButtonInputReport(source, time, GetButton(data1), action);
Dispatcher.BeginInvoke(callback, new InputReportArgs(InputManager.CurrentInputManager.ButtonDevice, report));
}
Button GetButton(uint data)
{
switch (data)
{
case 2:
return Button.VK_UP;
case 5:
return Button.VK_LEFT;
case 6:
return Button.VK_SELECT;
case 10:
return Button.VK_DOWN;
case 7:
return Button.VK_RIGHT;
}
return Button.None;
}
}
把GpioButtonInputProvider.cs里面的程序这样修改后,就可以使用了。
效果图如下:

实际运行视频链接如下:
http://v.youku.com/v_show/id_XNDI3ODU4OTg4.html
从视频可以看出,STM32F207平台运行WPF程序还是蛮流畅的。
-------------------------------------------------------------------------------
下载地址:http://www.sky-walker.com.cn/MFRelease/Sample/ScanKey_WPFTest.rar
MF简介:http://blog.csdn.net/yefanqiu/article/details/5711770
MF资料:http://www.sky-walker.com.cn/News.asp?Id=25
本文转自yefanqiu51CTO博客,原文链接:http://blog.51cto.com/yfsoft/932037,如需转载请自行联系原作者
