基于双dq变换的六相永磁同步电机矢量控制仿真、附参考文献

简介: ✅作者简介:热爱科研的Matlab仿真开发者,擅长毕业设计辅导、数学建模、数据处理、建模仿真、程序设计、完整代码获取、论文复现及科研仿真。🍎 往期回顾关注个人主页:Matlab科研工作室 👇 关注我领取海量matlab电子书和数学建模资料 🍊个人信条:格物致知,完整Matlab代码获取及仿真咨询内容私信。🔥 内容介绍一、引言六相永磁同步电机(PMSM)因其具有高功率密度、高转矩惯量比以及良好的容错性能等优点,在航空航天、电动汽车等领域得到了广泛应用。矢量控制技术是实现六相 PMSM 高性能控制的关键,而基于双 dq 变换的矢量控制方法能够有效解耦电机的电磁转矩和磁链

✅作者简介:热爱科研的Matlab仿真开发者,擅长毕业设计辅导、数学建模、数据处理、建模仿真、程序设计、完整代码获取、论文复现及科研仿真

🍎 往期回顾关注个人主页:Matlab科研工作室

👇 关注我领取海量matlab电子书和数学建模资料

🍊个人信条:格物致知,完整Matlab代码获取及仿真咨询内容私信

🔥 内容介绍

一、引言

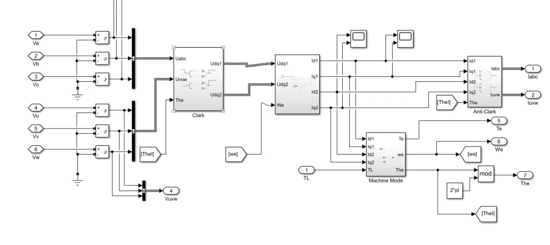
六相永磁同步电机(PMSM)因其具有高功率密度、高转矩惯量比以及良好的容错性能等优点,在航空航天、电动汽车等领域得到了广泛应用。矢量控制技术是实现六相 PMSM 高性能控制的关键,而基于双 dq 变换的矢量控制方法能够有效解耦电机的电磁转矩和磁链,提高电机的控制性能。本文将详细阐述基于双 dq 变换的六相永磁同步电机矢量控制的背景原理,并介绍两种基于双 d - q 的坐标变换以及基于空间电压矢量解耦的坐标变换,同时提及自然坐标系下电机数学建模的相关条件。

二、六相永磁同步电机的特点与应用背景

(一)六相永磁同步电机的优势

相比于传统的三相永磁同步电机,六相永磁同步电机具有更多的绕组,这使得它能够在相同体积下产生更大的转矩,提高了功率密度。同时,多相结构增强了电机的容错能力,当某一相或几相出现故障时,电机仍能维持一定的运行性能,保障系统的可靠性。例如,在航空航天应用中,电机的可靠性至关重要,六相永磁同步电机的容错特性能够有效降低因电机故障导致的飞行事故风险。

(二)应用领域

六相永磁同步电机广泛应用于对电机性能要求较高的领域。在电动汽车领域,其高功率密度和良好的转矩响应特性能够满足车辆对动力性能的需求;在工业驱动领域,可用于高精度的运动控制场合,如机器人关节驱动、数控机床等,能够实现精确的速度和位置控制。

三、自然坐标系下六相永磁同步电机数学建模

(一)基本假设

在建立六相永磁同步电机在自然坐标系下的数学模型时,通常做出以下假设:

  1. 电机定子铁芯的磁导率无穷大,忽略磁滞和涡流损耗。这一假设简化了磁路分析,使得可以将注意力主要集中在电路和电磁转矩的关系上。
  2. 永磁体产生的磁场在气隙中按正弦规律分布,且不考虑电机饱和以及齿槽效应等非线性因素的影响。这样可以利用正弦波的特性进行数学分析和计算,简化模型的复杂度。


⛳️ 运行结果

🔗 参考文献

[1]王喆.双三相永磁同步电机模型预测控制策略研究[D].浙江大学,2023.

🍅往期回顾扫扫下方二维码

相关文章
|
1月前
|
弹性计算
回放 | 阿里云OpenClaw虾友会开放麦-北京站
3月13日晚上7点,弹性计算首场OpenClaw活动——阿里云OpenClaw虾友开放麦在北京朝阳科技园C区顺利落地。活动以轻松的开放麦形式,在周五晚上为用户打造了一个轻松畅聊“云端养虾”心得的机会。
|
1月前
|
存储 人工智能 自然语言处理
OpenClaw从阿里云+本地部署到使用:连接Obsidian、Notion驱动的个人知识库搭建手册
在信息爆炸的时代,零散的资料收藏、重复的学习成本、低效的检索体验,让很多人陷入“知识焦虑”。而个人知识库的核心价值,正是将碎片化信息转化为结构化知识,实现高效存储、精准检索与灵活复用。2026年,开源AI智能体OpenClaw(曾用名Clawdbot)凭借强大的文件读写、语义理解与自动化能力,成为搭建个人知识库的核心工具——它可作为检索层的“智能大脑”,连接Obsidian、Notion等存储工具,通过自然语言交互实现知识的快速录入、关联与查询。
692 2
|
1月前
|
人工智能 安全 JavaScript
OpenClaw有什么用?本地/阿里云部署+百炼集成+个股分析实战盈利及避坑指南
OpenClaw是2026年首个开源、可本地/云端部署的AI Agent平台,不止聊天,更能自动抓新闻、分邮件、写代码、建个股模型;支持飞书/微信等20+平台,数据全链路本地化,真正让AI替你闭环干活。
484 7
|
1月前
|
人工智能 算法 安全
AI辅助编程设计之道:从Spec到Code工程实践
大语言模型正重塑开发模式,但盲目依赖AI生成代码易陷入“描述-生成-修改”循环。核心问题在于跳过设计阶段:模糊需求无法支撑高质量输出。Spec驱动开发强调以结构化文档(需求、架构、接口等)明确设计,再由AI高效实现。人专注设计与验证,AI负责编码与建议——这才是提效关键。(239字)
620 7
|
1月前
|
缓存 JavaScript 前端开发
Bun.js:四大核心功能 + 性能对比 + 实战教程,新手也能快速上手
Bun.js 是一款高性能、一体化的 JavaScript/TypeScript 工具链,集运行时、包管理器、打包器、测试器于一身,启动快、配置简、兼容 Node.js,支持 TS/JSX 零配置运行。适合新项目、性能敏感型应用及 TypeScript 全栈开发。(239字)
525 1
|
1月前
|
人工智能 Linux API
智能养“AI大虾”指南:OpenClaw多端部署+Memory配置+阿里云百炼接入及常见问题解答
2026年的OpenClaw(俗称“龙虾”,曾用名Clawdbot)早已不是单纯的AI任务执行工具,其全新升级的Memory记忆系统打破了大模型“对话即忘”的结构性限制,让AI真正实现跨会话的持久化记忆,成为真正贴合用户需求的智能助手。而想要充分发挥OpenClaw的记忆能力与任务执行能力,高效的部署配置、稳定的模型API对接是核心前提。本文将从**阿里云云端部署**、**MacOS/Linux/Windows11本地部署**、**Memory记忆系统深度配置**、**阿里云百炼Coding Plan API对接**四大核心板块出发,搭配可直接执行的代码命令和实操步骤,同时解答部署配置中的高频
1239 1
|
7月前
|
存储 算法 测试技术
【AC/DC微电网的能源管理策略】微电网仿真模型包括光伏发电机、燃料电池系统、超级电容器和直流侧的电池,包括电压源变换器(VSC),用于将微电网的直流侧与交流侧相连接Simulink仿真实现
【AC/DC微电网的能源管理策略】微电网仿真模型包括光伏发电机、燃料电池系统、超级电容器和直流侧的电池,包括电压源变换器(VSC),用于将微电网的直流侧与交流侧相连接Simulink仿真实现
667 6
基于PI控制的PMSM永磁同步电机控制系统simulink建模与仿真
该文探讨了基于PI控制的PMSM永磁同步电机Simulink建模与仿真,采用矢量控制策略,不依赖Simulink内置模型。在MATLAB2022a环境下,建立了电机数学模型,简化了复杂的电磁关系。PI控制器用于实现电流解耦控制,提高动态响应。控制系统通过PI调节直轴和交轴电流,经坐标变换和PWM调制驱动电机运行,实现高性能闭环控制。
从零开始做逆变器系列 ( 二 ): 单极性、双极性、单极性倍频SPWM
从零开始做逆变器系列 ( 二 ): 单极性、双极性、单极性倍频SPWM