基于KF卡尔曼滤波的车辆纵向位移、速度状态估计+去噪simulink仿真

简介: 基于KF卡尔曼滤波的车辆纵向位移、速度状态估计+去噪simulink仿真

🌿 往期回顾可以关注主页,点击搜索

智能优化算法   神经网络预测    雷达通信        

无线传感器      电力系统          信号处理          

图像处理          路径规划         元胞自动机      

无人机            物理应用        机器学习系列      

车间调度系列    滤波跟踪系列   数据分析系列

图像处理系列

✅作者简介:热爱科研的Matlab仿真开发者,擅长毕业设计辅导、数学建模、数据处理、建模仿真、程序设计、完整代码获取、论文复现及科研仿真

🍎 往期回顾关注个人主页:Matlab科研工作室

👇 关注我领取海量matlab电子书和数学建模资料

🍊个人信条:格物致知,完整Matlab代码获取及仿真咨询内容私信

🔥 内容介绍

一、背景

(一)车辆状态估计的重要性

在智能交通系统和自动驾驶技术中,准确估计车辆的状态(如纵向位移、速度)至关重要。对于自动驾驶车辆,实时且精确的状态信息是做出合理决策的基础,例如自动跟车、自适应巡航控制等功能都依赖于对车辆当前位置和速度的准确把握。在智能交通管理方面,车辆状态估计有助于优化交通流量,提高道路的整体通行效率。例如,交通管理系统可以根据车辆的实时速度和位置信息,合理调整信号灯时长,缓解拥堵。

(二)测量数据的噪声问题

实际中,用于获取车辆状态信息的传感器(如 GPS、轮速传感器等)会受到各种因素的干扰,导致测量数据存在噪声。例如,GPS 信号可能会受到天气、建筑物遮挡等影响,产生位置测量误差;轮速传感器也可能因为路面状况、传感器本身的精度问题等,给出带有噪声的速度测量值。这些噪声会影响车辆状态估计的准确性,如果不进行处理,可能导致自动驾驶决策失误或交通管理策略失效。

(三)卡尔曼滤波的优势

卡尔曼滤波(KF)作为一种高效的递归滤波算法,在处理包含噪声的动态系统状态估计问题上具有显著优势。它不需要大量的历史数据存储,而是通过当前时刻的测量值和上一时刻的估计值,递归地计算当前时刻的最优状态估计。这使得它非常适合实时性要求高的车辆状态估计场景。同时,KF 基于最小均方误差准则,能够在噪声环境下尽可能准确地估计系统状态,有效去除测量数据中的噪声干扰。

二、原理

(一)卡尔曼滤波基础理论

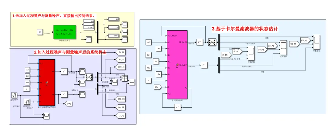
(二)车辆纵向位移和速度估计实现

  1. 初始化:在开始估计前,需要对初始状态 x^0∣0 和初始估计协方差 P0∣0 进行初始化。初始状态可以根据车辆的已知初始位置和速度设定,初始估计协方差则反映了对初始估计的不确定程度,通常设为一个较大的对角矩阵。同时,还需要确定过程噪声协方差 Q 和测量噪声协方差 R,这些参数可以根据传感器的特性和实际经验进行调整。
  2. 实时估计:在车辆运行过程中,传感器不断获取新的测量值 zk。每获取一组新的测量值,就按照卡尔曼滤波的预测和更新步骤进行计算,得到当前时刻车辆纵向位移和速度的最优估计值 x^kk。随着时间的推移,估计值会逐渐趋近于车辆的真实状态,并且测量噪声的影响会被不断削弱。例如,如果 GPS 测量的位移值受到噪声干扰而波动较大,经过卡尔曼滤波处理后,估计出的纵向位移会更加平滑,接近车辆的真实位移。

三、附详解 PPT 及参考资料建议

(一)PPT 内容框架

  1. 封面:标题为 “基于 KF 卡尔曼滤波的车辆纵向位移、速度状态估计及去噪”,并注明作者、日期等信息。
  2. 引言:介绍车辆状态估计在智能交通和自动驾驶中的重要性,引出测量数据噪声问题以及卡尔曼滤波作为解决方案的优势。
  3. 卡尔曼滤波原理
  • 详细讲解线性动态系统模型,包括状态转移方程和测量方程,结合车辆纵向运动模型进行说明,配以图表展示状态向量、矩阵等概念。
  • 分步骤阐述预测和更新过程,每个公式都进行解释,并通过简单的数值示例演示计算过程,帮助理解。
  1. 车辆应用实现
  • 说明车辆纵向位移和速度估计的初始化过程,包括初始状态、协方差以及噪声协方差的设定依据。
  • 展示实时估计的流程,结合实际传感器测量数据的特点,讲解如何应用卡尔曼滤波进行状态估计和去噪,可通过仿真结果或实际测试数据的对比图,直观展示滤波前后的效果。
  1. 结论与展望:总结基于卡尔曼滤波的车辆纵向状态估计的效果和优势,对未来可能的改进方向(如考虑更复杂的车辆运动模型、融合更多传感器数据等)进行展望。

⛳️ 运行结果

📣 部分代码

🔗 参考文献

🍅往期回顾扫扫下方二维码

相关文章
|
13天前
|
人工智能 JavaScript Ubuntu
5分钟上手龙虾AI!OpenClaw部署(阿里云+本地)+ 免费多模型配置保姆级教程(MiniMax、Claude、阿里云百炼)
OpenClaw(昵称“龙虾AI”)作为2026年热门的开源个人AI助手,由PSPDFKit创始人Peter Steinberger开发,核心优势在于“真正执行任务”——不仅能聊天互动,还能自动处理邮件、管理日程、订机票、写代码等,且所有数据本地处理,隐私完全可控。它支持接入MiniMax、Claude、GPT等多类大模型,兼容微信、Telegram、飞书等主流聊天工具,搭配100+可扩展技能,成为兼顾实用性与隐私性的AI工具首选。
19735 108
|
5天前
|
人工智能 安全 Linux
【OpenClaw保姆级图文教程】阿里云/本地部署集成模型Ollama/Qwen3.5/百炼 API 步骤流程及避坑指南
2026年,AI代理工具的部署逻辑已从“单一云端依赖”转向“云端+本地双轨模式”。OpenClaw(曾用名Clawdbot)作为开源AI代理框架,既支持对接阿里云百炼等云端免费API,也能通过Ollama部署本地大模型,完美解决两类核心需求:一是担心云端API泄露核心数据的隐私安全诉求;二是频繁调用导致token消耗过高的成本控制需求。
4164 7
|
7天前
|
人工智能 安全 API
OpenClaw“小龙虾”进阶保姆级攻略!阿里云/本地部署+百炼API配置+4种Skills安装方法
很多用户成功部署OpenClaw(昵称“小龙虾”)后,都会陷入“看似能用却不好用”的困境——默认状态下的OpenClaw更像一个聊天机器人,缺乏连接外部工具、执行实际任务的能力。而Skills(技能插件)作为OpenClaw的“动手能力核心”,正是打破这一局限的关键:装对Skills,它能帮你自动化处理流程、检索全网资源、管理平台账号,真正变身“能做事的AI管家”。
5033 7
|
9天前
|
人工智能 安全 前端开发
Team 版 OpenClaw:HiClaw 开源,5 分钟完成本地安装
HiClaw 基于 OpenClaw、Higress AI Gateway、Element IM 客户端+Tuwunel IM 服务器(均基于 Matrix 实时通信协议)、MinIO 共享文件系统打造。
7668 5
|
8天前
|
人工智能 API 网络安全
Mac mini × OpenClaw 保姆级配置教程(附阿里云/本地部署OpenClaw配置百炼API图文指南)
Mac mini凭借小巧机身、低功耗和稳定性能,成为OpenClaw(原Clawdbot)本地部署的首选设备——既能作为家用AI节点实现7×24小时运行,又能通过本地存储保障数据隐私,搭配阿里云部署方案,可灵活满足“长期值守”与“隐私优先”的双重需求。对新手而言,无需复杂命令行操作,无需专业技术储备,按本文步骤复制粘贴代码,即可完成OpenClaw的全流程配置,同时接入阿里云百炼API,解锁更强的AI任务执行能力。
6299 2
|
17天前
|
人工智能 自然语言处理 JavaScript
2026年Windows+Ollama本地部署OpenClaw保姆级教程:本地AI Agent+阿里云上快速搭建
2026年OpenClaw凭借本地部署、私有化运行的特性,成为打造个人智能体的核心工具,而Ollama作为轻量级本地大模型管理工具,能让OpenClaw摆脱对云端大模型的依赖,实现**本地推理、数据不泄露、全流程私有化**的智能体验。本文基于Windows 11系统,从硬件环境准备、Ollama安装与模型定制、OpenClaw部署配置、技能扩展到常见问题排查,打造保姆级本地部署教程,同时补充阿里云OpenClaw(Clawdbot)快速部署步骤,兼顾本地私有化需求与云端7×24小时运行需求,文中所有代码命令均可直接复制执行,确保零基础用户也能快速搭建属于自己的本地智能体。
18965 116
|
11天前
|
人工智能 JSON API
保姆级教程:OpenClaw阿里云及本地部署+模型切换流程+GLM5.0/Seedance2.0/MiniMax M2.5接入指南
2026年,GLM5.0、Seedance2.0、MiniMax M2.5等旗舰大模型相继发布,凭借出色的性能与极具竞争力的成本优势,成为AI工具的热门选择。OpenClaw作为灵活的AI Agent平台,支持无缝接入这些主流模型,通过简单配置即可实现“永久切换、快速切换、主备切换”三种模式,让不同场景下的任务执行更高效、更稳定。
6965 4
|
11天前
|
人工智能 JavaScript API
保姆级教程:OpenClaw阿里云/本地部署配置Tavily Search skill 实时联网,让OpenClaw“睁眼看世界”
默认状态下的OpenClaw如同“闭门造车”的隐士,仅能依赖模型训练数据回答问题,无法获取实时新闻、最新数据或训练截止日期后的新信息。2026年,激活其联网能力的最优方案是配置Tavily Search技能——无需科学上网、无需信用卡验证,每月1000次免费搜索额度完全满足个人需求,搭配ClawHub技能市场,还能一键拓展天气查询、邮件管理等实用功能。
6986 5

热门文章

最新文章