南京观海微电子----LDO低压差线性稳压

简介: 本文详解AMS1117/LM1117低压差线性稳压芯片原理与应用,涵盖固定及可调输出型号的工作机制、典型电路设计、热损耗计算与效率分析,对比传统与新型LDO结构,介绍LM317、78XX系列等常用稳压器特点,适用于电源电路设计参考。(239字符)

一.原理图

此篇介绍后一部分LDO(低压差线性稳压芯片AMS1117)的使用,与前半部分开关芯片类似,AMS1117也有固定输出与可调输出的型号区分,此处使用的是3.3V固定电压输出。

补充:AMS1117与LM1117无差别,只是生产厂家不同。

二.线性稳压原理

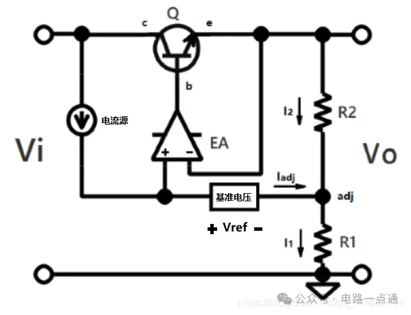
1.传统结构图

2.传统结构图分析

当有足够的输入电压Vi产生时,由于齐纳二极管D(稳压二极管),参考电压Vref稳定。同时集电极b处会首先建立起一个大于0的电位,使三极管导通(建立此电位的结构并未画出),芯片开始工作。

由于Vi有波动,假如Vi增大,Vo随之增大,那么f点的电压Vf增大,Vref-Vf减小,误差放大器输出减小,基极电压Vb减小。因为Ve=Vb-Vbe≈Vb-0.7也同样减小,相当于Vo减小,形成负反馈。同时Vce增大。

3.线性稳压芯片的特点

1.Vo=Vref*(1+R2/R1);

2.由于三极管Ic约等于Ie,因此通过线性稳压芯片的输入输出电流基本相等。

3.Vi到Vo所降的压实际是加在了三极管Q上(即Vce=Vi-Vo),因此如果Vi与Vo压差或输出电流过大那么三极管将严重发热导致芯片烧毁,因此数据手册中常常给出最大压差和最大结温Tjmax(最大可承受温度,一般为125℃)。

有这么几个公式需注意(芯片工作条件苛刻时要考虑):

芯片内部的损耗功率Pd=(Vi-Vo)* Iout;

当前芯片结温 Tj=Tc+Pd * θJA(Tc为当前环境温度;θJA为热阻,单位为℃/W,即芯片损耗功率每瓦上升的温度,受封装形式影响,数据手册中会给出)

4.由2.3两点可发现,线性稳压芯片的效率 η≈(VoIe)/(ViIc)=Vo/Vi,效率较低。如果Vo=3.3V,Vi=6.6V,那么效率只有50%,其余能量都用在了芯片的热损耗上。因此对于效率要求高或所需降压较大时,不适用线性稳压芯片,而应考虑之前介绍的开关降压稳压芯片。

5.三极管正常工作时Vce要有一定的值,因此Vi-Vo要大于一个限定值Vdo,即芯片正常工作时输入输出的最小压差(数据手册会给出)。如果不满足,则输出无法达到设定值(大致关系如下图所示)。

4.新型结构图

现在主流的低压差线性稳压都是采用新型结构图,如LM1117,LM317等;

稳压原理分析:

当Vo由于Vi波动上升时,(Vea+) -(Vea-)减小,后面便与传统结构分析相同。

由于反馈电压直接从输出上取值,因此这种结构的LDO瞬态响应更好。

此处与传统结构不同。

三.LM1117为例

1.基本介绍

★LM1117是一款低压差线性电压调节器。

★当压差达到1.2V时,可正常工作,输出电流可达800mA。

★LM1117有可调电压的版本,通过2个外部电阻可实现1.25~13.8V输出电压范围。另外还有5个固定电压输出(1.8V、2.5V、2.85V、3.3V和5V)的型号。

2.内部结构

从上图可看出:

1.LM1117有一个限流保护和一个过热保护。

2.三极管处通过NPN与PNP串联形成复合管(达林顿结构),使放大倍数增加。整体可看成PNP管(与前级管子类型相同)

3.输出电压固定型号的芯片1脚是GND,R1和R2集成在芯片内部;输出可调型号芯片的1脚是ADJ,R1和R2自行设计接在芯片外部。

4.由于整体看成了PNP管,控制方式正好与上面介绍的NPN型相反(可看到误差放大器输入端接法也相反)。

当Vo由于Vi波动上升时,(Vea+) -(Vea-)增加,由于是PNP型,Vo下降,实现平衡。

3.固定输出型号的一般接法

★输出电压固定芯片的接法较为简单,只需在输入输出接上滤波电容。可以使用大小电容滤波,如本篇最上面的原理图。

★可发现在电路中选择了钽电容滤波。钽电容相对于铝电解电容来说性能更好,但是耐压值一般较低,选择时需十分注意(因为电压超过钽电容耐压值时会火花四溅),同时钽电容价格也相对更高。

★如果条件允许,最好在输入和输出端分别加上适当的稳压二极管,防止浪涌电压。

4.可调输出型号的一般接法

R1和R2自行配置,可实现不同的输出调节范围。Cadj可不添加。

5.补充(LM317、78XX系列、78MXX系列、78LXX系列)

★LM317是一款三端可调稳压器(并无固定电压的型号)。输出电流可达1.5A,最小压差3V左右。具体可看数据手册。

★78XX系列、78MXX系列、78LXX系列是三端固定稳压器。三个系列分别对应输出电流1.5A、0.5A、0.1A。只有固定输出电压型号,无可调型号。如:7805代表固定5V输出。同时,输入输出电压的压差为2~3V,相比LM1117的1.2V略大。

★在一块PCB板中,如果用电单元之间会相互干扰或者电流要求总和超过了一个LDO的输出能力,则可以采用多个相同的LDO分别为其供电。

相关文章
|
SQL 关系型数据库 数据库
PG/Greenplum
PG/Greenplum 是指 PostgreSQL(简称 PG)和 Greenplum(简称 GP)两种关系型数据库管理系统。它们都是基于 SQL(结构化查询语言)的开放源代码数据库系统,具有高性能、可扩展性和高可靠性等特点
767 7
|
2月前
|
人工智能 自然语言处理 算法
2025 全球GEO优化行业年度观察:AI商业化元年,国产服务商异军突起
2025年,生成式引擎优化(GEO)从技术小众迈向企业营销标配,市场规模达480亿元,跨境增速超90%。AI搜索普及推动流量逻辑变革,即搜AI、边鱼科技引领技术突破与普惠落地,合规化、垂直化成未来趋势,GEO正重塑企业数字营销新格局。
|
Web App开发
Mac 技术篇-触控板双指前进后退手势设置方法,mac关闭chrome浏览器双指返回手势实例演示
Mac 技术篇-触控板双指前进后退手势设置方法,mac关闭chrome浏览器双指返回手势实例演示
2856 0
Mac 技术篇-触控板双指前进后退手势设置方法,mac关闭chrome浏览器双指返回手势实例演示
|
1月前
|
存储 运维 NoSQL
Agentic RAG:用LangGraph打造会自动修正检索错误的 RAG 系统
本文介绍基于 LangGraph 与 Redis 构建生产级 Agentic RAG 系统,通过引入智能体机制实现检索结果的自动评估与查询重写,解决传统 RAG 回答偏离问题。系统具备自校正、决策透明与模块化优势,显著提升复杂场景下的问答准确率。
136 4
Agentic RAG:用LangGraph打造会自动修正检索错误的 RAG 系统
|
6月前
|
人工智能 算法 安全
算法备案新手攻略——2025全网最新最详细解读版
本文介绍了算法备案的背景、法规依据、备案类型及流程,涵盖生成合成、个性化推送等五大算法类型,并详细说明所需材料与备案周期,强调未备案将面临行政处罚甚至刑事追责,助力企业合规运营。
|
9月前
|
存储 数据采集 安全
一文深入了解RFID与条码技术的差异
RFID与条码技术都是用于物体信息识别的重要手段,但两者在工作原理、数据存储、读取方式、速度、耐用性、成本及安全性等方面存在显著差异。条码依赖光学扫描,成本低但易受环境影响,数据量有限;RFID通过射频信号传输,具备更大存储容量、非接触式读取、快速多标签处理能力以及更高安全性,适合复杂环境。根据实际需求选择合适技术,二者均为物联网时代物品识别的关键工具。
|
边缘计算 人工智能 5G
《元宇宙痛点求解:网络延迟与带宽限制突破指南》
元宇宙的沉浸式体验依赖于低延迟和高带宽网络,但当前网络延迟和带宽限制严重影响了用户体验,如VR游戏中的画面延迟和社交场景中的卡顿。5G、6G技术及卫星通信将大幅降低延迟并提升带宽,边缘计算与云计算的协同优化数据处理,AI智能调整传输策略,SDN等创新网络架构也将助力突破瓶颈。未来,这些技术将共同推动元宇宙实现流畅、逼真的沉浸式体验。
529 1
《元宇宙痛点求解:网络延迟与带宽限制突破指南》
|
芯片
LDO的原理及测试方法
LM317是一种可调稳压器,核心是Bandgap Reference,用于提供1.25到37V的输出电压和1.5A的电流。了解其内部结构有助于测试和电路设计,例如理解温度系数对稳定性的影响,以及参数如IADJ(通常为50uA)的设计。测试时关注输出电压的线性和负载调整率,同时注意输入电流与输出电流的关系。LM317的测试还包括参考电压、滤波器性能、纹波抑制比等,确保电路的稳定性和效率。在多站点测试中,还需确保辅助电路的一致性和校准。
773 4
|
存储 缓存 监控
Docker容器性能调优的关键技巧,涵盖CPU、内存、网络及磁盘I/O的优化策略,结合实战案例,旨在帮助读者有效提升Docker容器的性能与稳定性。
本文介绍了Docker容器性能调优的关键技巧,涵盖CPU、内存、网络及磁盘I/O的优化策略,结合实战案例,旨在帮助读者有效提升Docker容器的性能与稳定性。
1293 7
|
存储 数据挖掘 API
购物平台数据抓取实战指南:从API到深度分析
本指南介绍如何通过API接口抓取淘宝、京东、拼多多等电商平台的数据,涵盖API选择、注册配置、数据抓取与处理、深度分析等内容,帮助企业和开发者挖掘数据价值,支持市场分析和决策制定。