南京观海微电子----焊机用DC-DC 24V 升压电路分析

简介: 本文分析焊机中DC-DC 24V升压电路的工作原理,核心为UC3843脉宽调制芯片,构成Boost升压拓扑。输入22V经电感、MOS管、二极管等元件升压至24V,通过反馈调节脉宽稳定输出,具备过流保护与尖峰吸收功能,适用于高可靠性电源系统设计。(239字)

焊机用DC-DC 24V 升压电路分析

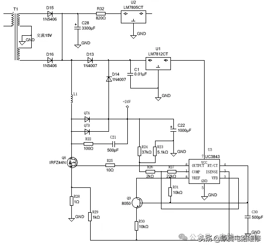
辅电升压电路关键元件有:UC3843、电感、MOS功率管、整流二极管等组成。其核心是UC3843。UC3843是脉宽调制IC,工作频率可达500kHz,组成电路引脚少、外围元件简单,启动电流仅需1mA,开启电压8.5V,是驱动功率MOSFET的理想器件。图2是UC3843的内部结构原理图。

图2 芯片内部结构图

根据该电路板,画出了辅电电路部分的原理图,如图3

图3 辅电原理图

从原理图上可以看出,+24V电压发生电路是1个Boost变换器,输出电压比输入电压高,工作原理,由电源变压器输出的双15V交流电压,经二极管D15、D16全波整流电路整流,电容C28滤波,输出约22V(全波整流约1.4倍交流电压)直流电压,分3路,1路经三端稳压7805输出5V直流电压给相关电路,1路经L1加到功率管Q8的漏极,1路经三端稳压7812输出12V直流电压给UC3843的7脚供电,芯片启动,从其8脚输出5V基准电压,给芯片4脚外接电容C30充电,芯片内部震荡,产生锯齿波,可以在4脚测出,然后在6脚输出脉冲波形,开关频率由C30和R31决定,经R25 10欧姆电阻,加给场管Q8的G极,控制Q8的导通与关断,Q8开关管的工作过程,22V电源经电感线圈L1供电给功率开关管Q8的漏极,同时芯片6脚输出驱动脉冲,使得开关管Q8导通,导通后,电流经开关管Q8、R28到地,电能转化为磁能储存于L1中,由于L1电感的作用,电流是由小到大上升的,则电阻R12上的电压是由低到高上升的,当电压值上升到一定程度时, 芯片6脚输出低电位,将开关管Q8的G极电位迅速拉低。此时开关管Q1截止断开,电感L1的放出储存的电能与前面的22V电压串联,流经D7(D92M-02),给C22电容1000uF/35V充电。并给负载供电。当负载变化时,电路的输出电压、电流都将发生变化,此时,输出电压经R24、R23分压给芯片2脚1个的电压信号以及3脚的电平值(输出电流在R28而形成的压降)也随之改变,从而使芯片内部的电流比较器输出值也发生改变,从而改变6脚的输出脉宽。如果输出电流过大,芯片3脚电压大于1V时,关闭输出,从而保护了功率开关管。当3脚上的电压消失后,芯片又继续工作。C21、R22尖峰吸收作用,为了保护二极管D7 。

如果24V电压异常,可按图4框图排查

相关文章
|
10月前
|
消息中间件 监控 数据可视化
实时看板数据分析的力量:推动高效决策的17个关键维度
实时看板数据分析通过可视化工具将企业运营数据实时整合展示,助力快速决策。它结合数据收集、处理与交互分析,广泛应用于制造、零售、金融等领域,提升响应速度与协作效率。技术上依赖流数据处理与可视化工具,如Power BI、Tableau等,同时关注数据安全与用户体验优化。
600 1
|
Windows 计算机视觉 安全
流媒体技术学习笔记之(十三)Windows安装FFmpeg
一、下载地址: 网址:https://ffmpeg.org/ 选择Windows版本:https://ffmpeg.org/download.html#build-windows 二、解压安装: 下载并解压FFmpeg文件夹,它会生成一个类似名为“ffmpeg-20150504-git-eb9fb50-win32-static”的新文件夹:   打开你想安装的任意磁盘,例如:d盘。
5606 0
|
5月前
|
缓存 前端开发 芯片
南京观海微电子---AXI总线技术简介——ZYNQ PS和PL的互联技术
AXI是Xilinx ZYNQ系列中实现ARM与FPGA高速通信的核心协议,支持Lite、4和Stream三种总线,分别适用于控制、批量传输和数据流场景。通过AXI Interconnect实现多设备互联,结合DMA等IP核,可高效完成数据交互,广泛应用于嵌入式系统开发。
南京观海微电子---AXI总线技术简介——ZYNQ PS和PL的互联技术
|
5月前
|
存储 芯片 异构计算
南京观海微电子---MIG IP核的使用——DDR接口专栏(二)
本文介绍Xilinx FPGA中MIG IP核的使用方法,涵盖DDR3颗粒选型、FPGA匹配、MIG参数配置及管脚分配等关键步骤,帮助用户实现对片外DDR存储器的高效读写操作。
南京观海微电子---MIG IP核的使用——DDR接口专栏(二)
|
5月前
|
前端开发 vr&ar
南京观海微电子----MOS管的放大电路分析-运用模电的理论计算验证
本文介绍功率MOS管在放大电路中的应用,通过三电阻偏置电路分析其静态工作点与动态小信号模型。结合Multisim仿真,验证MOS管是否工作在饱和区,并计算跨导、电流及电压增益,结果与理论相符,体现模电理论在实际设计中的指导作用。(239字)
|
9月前
|
人工智能 JSON 前端开发
Mock 在 API 研发中的痛点、价值与进化及Apipost解决方案最佳实践
在 API 开发中,Mock 技术能有效解决后端接口未就绪带来的开发阻碍,保障前端独立高效开发。本文通过电商平台支付接口的实例,分析了常见 Mock 方案的局限性,并深入介绍了 Apipost 提供的灵活 Mock 能力:从固定值返回,到使用内置函数生成动态数据,再到自定义函数处理复杂逻辑,最后实现根据请求参数返回不同响应。这些能力不仅提升了开发效率,也增强了测试的全面性,为前后端协作提供了更高效的解决方案。
490 3
|
5月前
|
存储 芯片 内存技术
南京观海微电子----DDR的工作原理——DDR接口专栏(一)
DDR从SDR发展至今已至DDR5,历经多代演进。每代通过降低电压、提升预取(Prefetch)、引入Bank Group等技术,显著提高带宽与能效。DDR4采用16bit预取与Bank Group交错,实现高速传输;其寻址利用分时复用,大幅提升容量。文章详解了DDR架构、信号引脚及内存颗粒内部结构,揭示高容量与高性能实现原理。
南京观海微电子----DDR的工作原理——DDR接口专栏(一)
|
5月前
|
编解码
观海微电子----LCD颜色
本文介绍了颜色的基本概念及其在LCD显示中的应用。从颜色的视觉形成、三要素(色相、明度、饱和度)到RGB色彩系统、CIE标准色度学系统,涵盖色域、色温、色坐标等关键参数,并解析彩色滤光片、色块分Bin及色偏等显示技术要点,系统阐述了颜色科学与液晶显示的关联原理。(238字)
观海微电子----LCD颜色
|
JSON JavaScript 测试技术
【Docker项目实战】使用Docker部署PPTist在线演示文稿应用
【10月更文挑战第9天】使用Docker部署PPTist在线演示文稿应用
927 2
【Docker项目实战】使用Docker部署PPTist在线演示文稿应用
|
运维 算法 Ubuntu
Copilot测评报告——2025如果你需要做运维,强烈推荐你使用Copilot
作为一名开发工程师,我曾参与阿里云Copilot的测评工作。2025年最新版Copilot支持Alinux、CentOS、Ubuntu、Anolis OS等操作系统,并新增了Agent模式,可直接执行命令并返回系统健康度等信息,大幅提升了运维效率。它还具备复杂任务理解能力,能处理定时任务和脚本编写,结合管道符号使用,极大便利了运维工作。强烈推荐给中高级运维工程师使用。
963 22