南京观海微电子---二极管钳位电路

简介: 本文介绍钳位电路的工作原理及类型,重点讲解正向、负向和偏置钳位电路的设计与应用。强调电容器放电时间需远大于信号半周期,并指出电解电容不适用于此类电路。通过公式 t=RC 计算放电时间,结合二极管与偏置电压实现信号电平偏移。

在选择电阻器和电容器时,您必须注意电容器的放电时间,因为它会保持波形的时间段。它必须比时间段的一半大得多,以便电容器放电缓慢。电解电容器不应用于钳位电路,因为它们的充电和放电速度很慢。放电时间()可以使用以下公式计算:

t (Tau) = RC

其中R是电路中使用的电阻,C是电容器的电容。

基于夹紧的夹紧电路主要有三种类型:

  1. 正向钳位器
  2. 负钳位器
  3. 偏置夹紧器

正向钳位器

当负循环箝位/移位高于零电压电平时,箝位电路称为正箝位器,因为整个信号都移位到正极。这是一个非常简单的电路设计,您只需要按照下面的电路图进行操作:

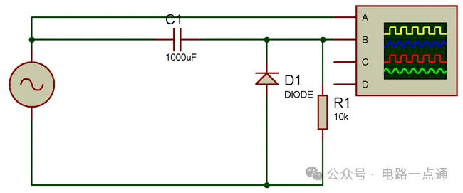
首先将变压器的 12V(交流电源)引脚连接到电容器,然后将二极管的正极端子连接到电容器的另一个端子,将负极端子连接到变压器的 0V 引脚。现在将一个 10K 电阻器并联到二极管。如图所示,将示波器的通道A连接到输入侧,将通道B连接到输出侧。现在你已经准备好了。打开变压器和示波器并将两个通道调整为 0V 线路,您会看到通道 B 向下移动,如下图所示。通道 A 为黄色,通道 B 为蓝色。

在第一个正半周期期间,二极管正向偏置,电容器在峰值V处充电m在负半周期期间,二极管反向偏置并充当开路。因此,输出电压变为:

Vo= Vi + Vm

这里 V我是输入电压,Vo是输出电压,Vm是电容器充电的最大电压。因此,输出偏移了 –Vm水平,因为它是负电压。这种偏移完全取决于电容器存储的电荷。

偏置夹紧器

偏置钳位与前面讨论的正负位箝位器没有什么不同。它仅由带二极管的偏置电压组成。

因此,如果将偏置电压与正钳位连接,则只需添加输出电压,并且它将作为偏置电压移至更正的电平。

如果将偏置电压与负钳位连接,则只需添加输出电压,并作为偏置电压移至更负电平。

但请记住,如果将负偏置电压与正钳位连接,那么它不会移位到正电平,而是会移位到某个负电平,因为它会从输出电压中减去。

如果将正偏置电压与负钳位连接,则不会移位至负电平,而是会移位至某个正电平,因为它会从输出电压中减去。

我们设计了一个正置钳位,正偏置电压低于正置置电压。

负极钳位也可以以同样的方式设计,只需反转二极管和偏置电压即可。

相关文章
|
1天前
|
云安全 监控 安全
|
6天前
|
机器学习/深度学习 人工智能 自然语言处理
Z-Image:冲击体验上限的下一代图像生成模型
通义实验室推出全新文生图模型Z-Image,以6B参数实现“快、稳、轻、准”突破。Turbo版本仅需8步亚秒级生成,支持16GB显存设备,中英双语理解与文字渲染尤为出色,真实感和美学表现媲美国际顶尖模型,被誉为“最值得关注的开源生图模型之一”。
765 5
|
12天前
|
人工智能 Java API
Java 正式进入 Agentic AI 时代:Spring AI Alibaba 1.1 发布背后的技术演进
Spring AI Alibaba 1.1 正式发布,提供极简方式构建企业级AI智能体。基于ReactAgent核心,支持多智能体协作、上下文工程与生产级管控,助力开发者快速打造可靠、可扩展的智能应用。
1029 37
|
8天前
|
机器学习/深度学习 人工智能 数据可视化
1秒生图!6B参数如何“以小博大”生成超真实图像?
Z-Image是6B参数开源图像生成模型,仅需16GB显存即可生成媲美百亿级模型的超真实图像,支持中英双语文本渲染与智能编辑,登顶Hugging Face趋势榜,首日下载破50万。
581 36
|
12天前
|
人工智能 前端开发 算法
大厂CIO独家分享:AI如何重塑开发者未来十年
在 AI 时代,若你还在紧盯代码量、执着于全栈工程师的招聘,或者仅凭技术贡献率来评判价值,执着于业务提效的比例而忽略产研价值,你很可能已经被所谓的“常识”困住了脚步。
640 53
大厂CIO独家分享:AI如何重塑开发者未来十年
|
7天前
|
存储 自然语言处理 测试技术
一行代码,让 Elasticsearch 集群瞬间雪崩——5000W 数据压测下的性能避坑全攻略
本文深入剖析 Elasticsearch 中模糊查询的三大陷阱及性能优化方案。通过5000 万级数据量下做了高压测试,用真实数据复刻事故现场,助力开发者规避“查询雪崩”,为您的业务保驾护航。
421 27
|
15天前
|
数据采集 人工智能 自然语言处理
Meta SAM3开源:让图像分割,听懂你的话
Meta发布并开源SAM 3,首个支持文本或视觉提示的统一图像视频分割模型,可精准分割“红色条纹伞”等开放词汇概念,覆盖400万独特概念,性能达人类水平75%–80%,推动视觉分割新突破。
878 59
Meta SAM3开源:让图像分割,听懂你的话
|
4天前
|
弹性计算 网络协议 Linux
阿里云ECS云服务器详细新手购买流程步骤(图文详解)
新手怎么购买阿里云服务器ECS?今天出一期阿里云服务器ECS自定义购买流程:图文全解析,阿里云服务器ECS购买流程图解,自定义购买ECS的设置选项是最复杂的,以自定义购买云服务器ECS为例,包括付费类型、地域、网络及可用区、实例、镜像、系统盘、数据盘、公网IP、安全组及登录凭证详细设置教程:
198 114