南京观海微电子--GIP Introduction

简介: GIP(Gate in Panel)技术将扫描驱动电路集成于显示面板内部,省去外置栅极芯片,降低材料与制造成本,实现更窄边框。其通过内置移位寄存器生成栅极控制信号,提升集成度,广泛应用于液晶面板驱动设计中。

What is GIP?

GIP(Gate in panel):将IC Gate电路中的shift register circuit 移至 panel端。

提供控制信号给panel即可达到gate function

Why use GIP?

GIP技术就是把扫描芯片集成在显示面板上,达到节省扫描芯片,降低材料成本,减少工艺步骤并缩短工艺时间,从而降低面板成本、实现更窄边框的目的。

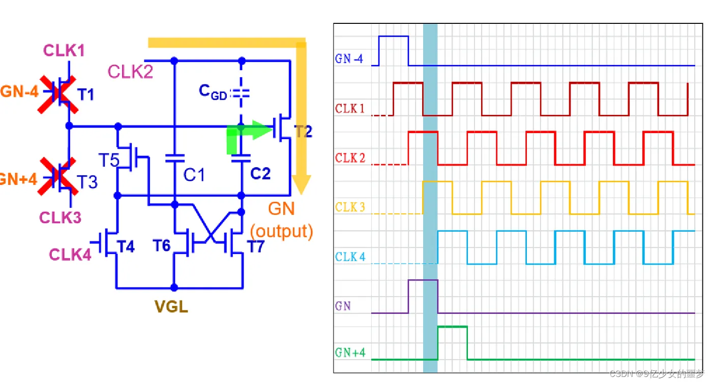
GIP Panel Structure

Gip timing

GIP timing的设定是根据客户的需求来的,不同的面板厂设计可能不同

驱动的方式分为左右两边

输入:STV&CLK  输出:gate waveform

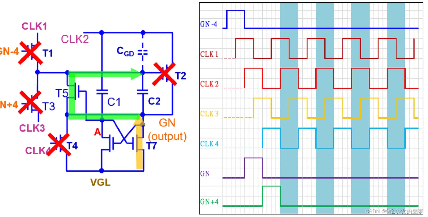
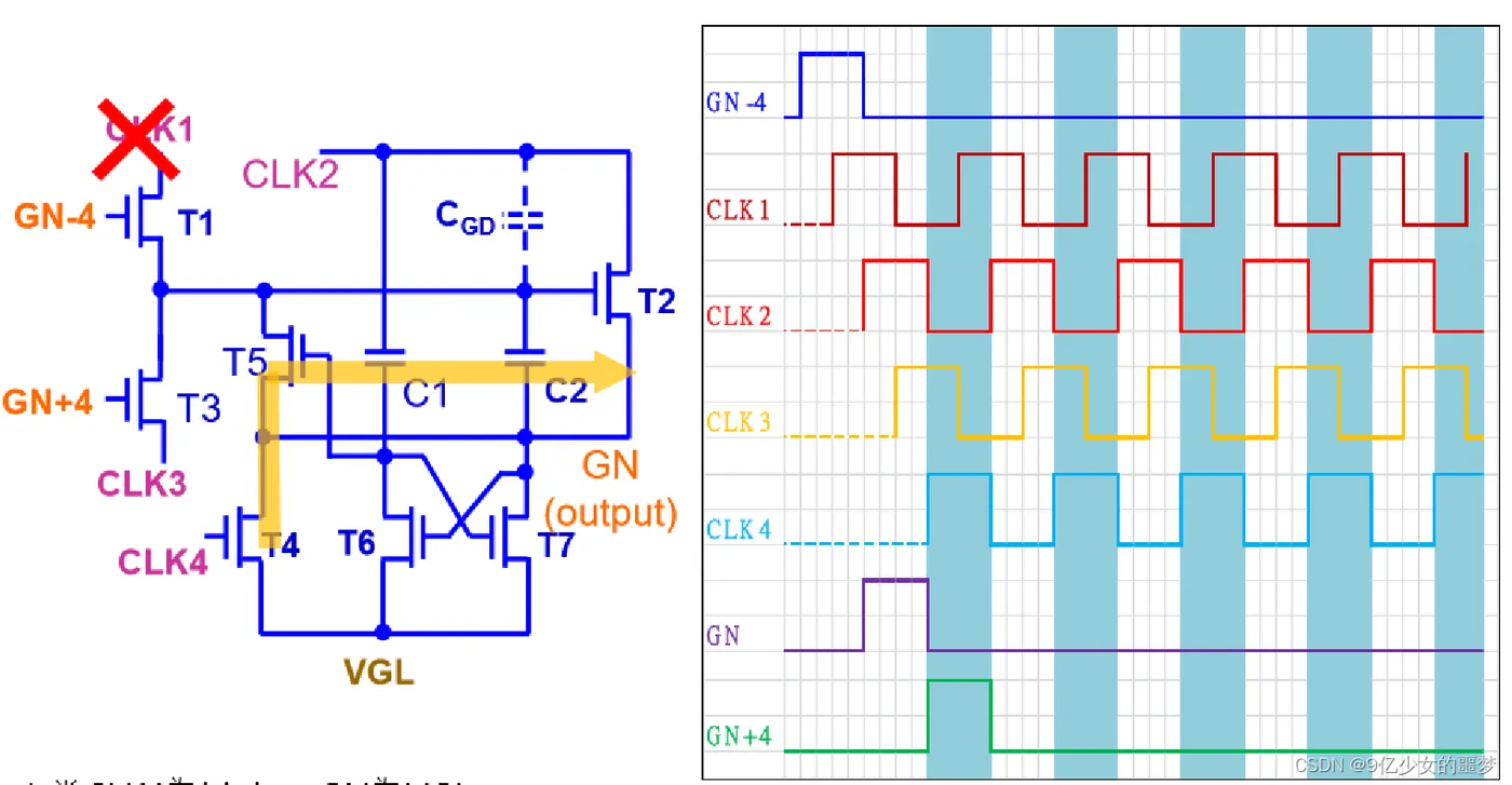
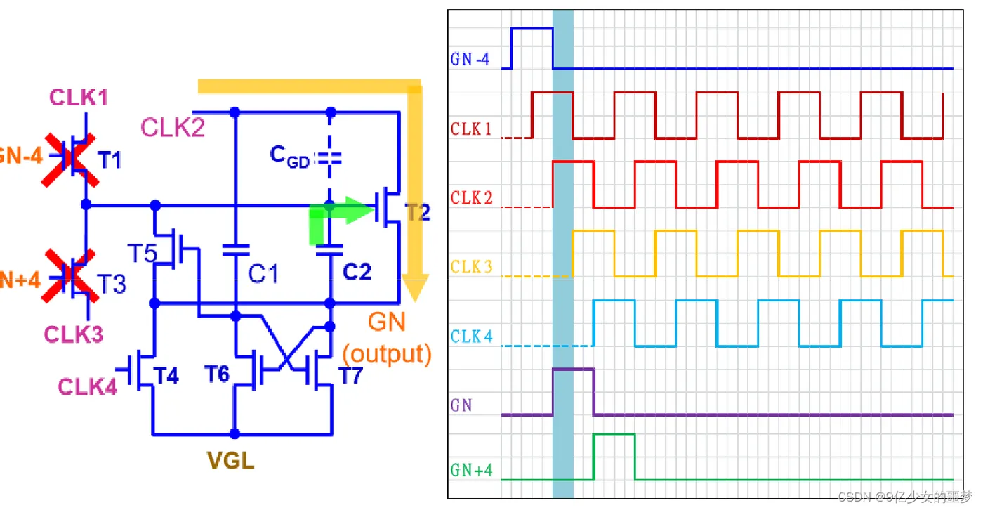
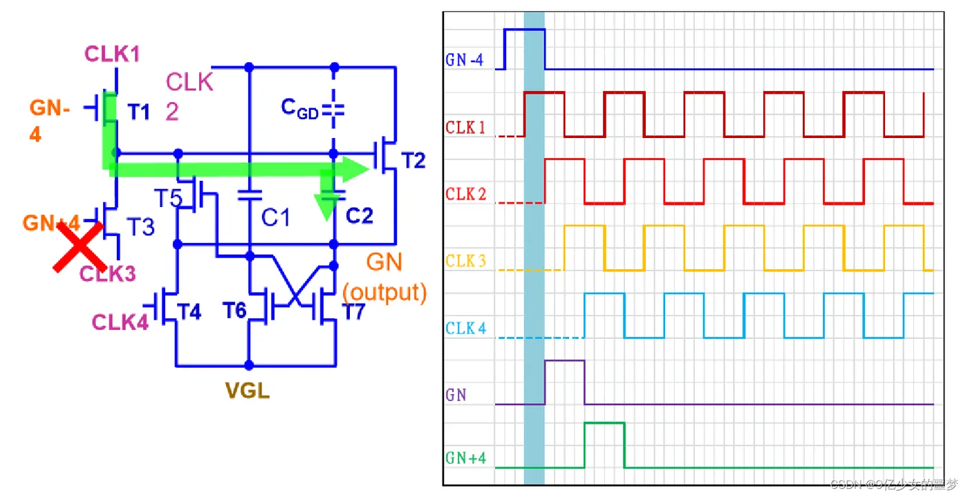
以IVO的GIP设计为例:

输入信号(GN-4)与CLK1搭配控制GN 拉高的时间。  

下两级的Gate(GN+4)与CLK4控制GN 拉低的时间。

对以上电路进行推导

输入为GN-4,输出为GN

相关文章
|
4天前
|
云安全 人工智能 自然语言处理
|
8天前
|
人工智能 Java API
Java 正式进入 Agentic AI 时代:Spring AI Alibaba 1.1 发布背后的技术演进
Spring AI Alibaba 1.1 正式发布,提供极简方式构建企业级AI智能体。基于ReactAgent核心,支持多智能体协作、上下文工程与生产级管控,助力开发者快速打造可靠、可扩展的智能应用。
800 17
|
11天前
|
数据采集 人工智能 自然语言处理
Meta SAM3开源:让图像分割,听懂你的话
Meta发布并开源SAM 3,首个支持文本或视觉提示的统一图像视频分割模型,可精准分割“红色条纹伞”等开放词汇概念,覆盖400万独特概念,性能达人类水平75%–80%,推动视觉分割新突破。
803 59
Meta SAM3开源:让图像分割,听懂你的话
|
2天前
|
人工智能 安全 小程序
阿里云无影云电脑是什么?最新收费价格个人版、企业版和商业版无影云电脑收费价格
阿里云无影云电脑是运行在云端的虚拟电脑,分企业版和个人版。企业版适用于办公、设计等场景,4核8G配置低至199元/年;个人版适合游戏、娱乐,黄金款14元/月起。支持多端接入,灵活按需使用。
235 164
|
9天前
|
搜索推荐 编译器 Linux
一个可用于企业开发及通用跨平台的Makefile文件
一款适用于企业级开发的通用跨平台Makefile,支持C/C++混合编译、多目标输出(可执行文件、静态/动态库)、Release/Debug版本管理。配置简洁,仅需修改带`MF_CONFIGURE_`前缀的变量,支持脚本化配置与子Makefile管理,具备完善日志、错误提示和跨平台兼容性,附详细文档与示例,便于学习与集成。
335 116
|
2天前
|
机器学习/深度学习 人工智能 自然语言处理
Z-Image:冲击体验上限的下一代图像生成模型
通义实验室推出全新文生图模型Z-Image,以6B参数实现“快、稳、轻、准”突破。Turbo版本仅需8步亚秒级生成,支持16GB显存设备,中英双语理解与文字渲染尤为出色,真实感和美学表现媲美国际顶尖模型,被誉为“最值得关注的开源生图模型之一”。
364 3
|
6天前
|
弹性计算 搜索推荐 应用服务中间件
阿里云服务器租用价格:一年、1小时及一个月收费标准及优惠活动参考
阿里云服务器优惠汇总:轻量应用服务器200M带宽38元/年起,ECS云服务器2核2G 99元/年、2核4G 199元/年,4核16G 89元/月,8核32G 160元/月,香港轻量服务器25元/月起,支持按小时计费,新老用户同享,续费同价,限时秒杀低至1折。
406 166

热门文章

最新文章