基于 STM32 的智能窗户控制系统设计与实现【源码分享】
智能家居的发展正让越来越多的传统设备焕发生机,而“窗户”作为家庭环境调节与安全防护的重要环节,其自动化与智能化价值也愈发显现。本文将基于 STM32 微控制器 + ESP8266 Wi-Fi 模块,设计并实现一个具备环境感知、安全监测、自动控制与远程交互能力的智能窗户控制系统。整个方案以嵌入式设计为核心,兼具工程可实施性和软硬件扩展能力。

源码分享
免费开源,源码见:
https://blog.csdn.net/weixin_52908342/article/details/155538167
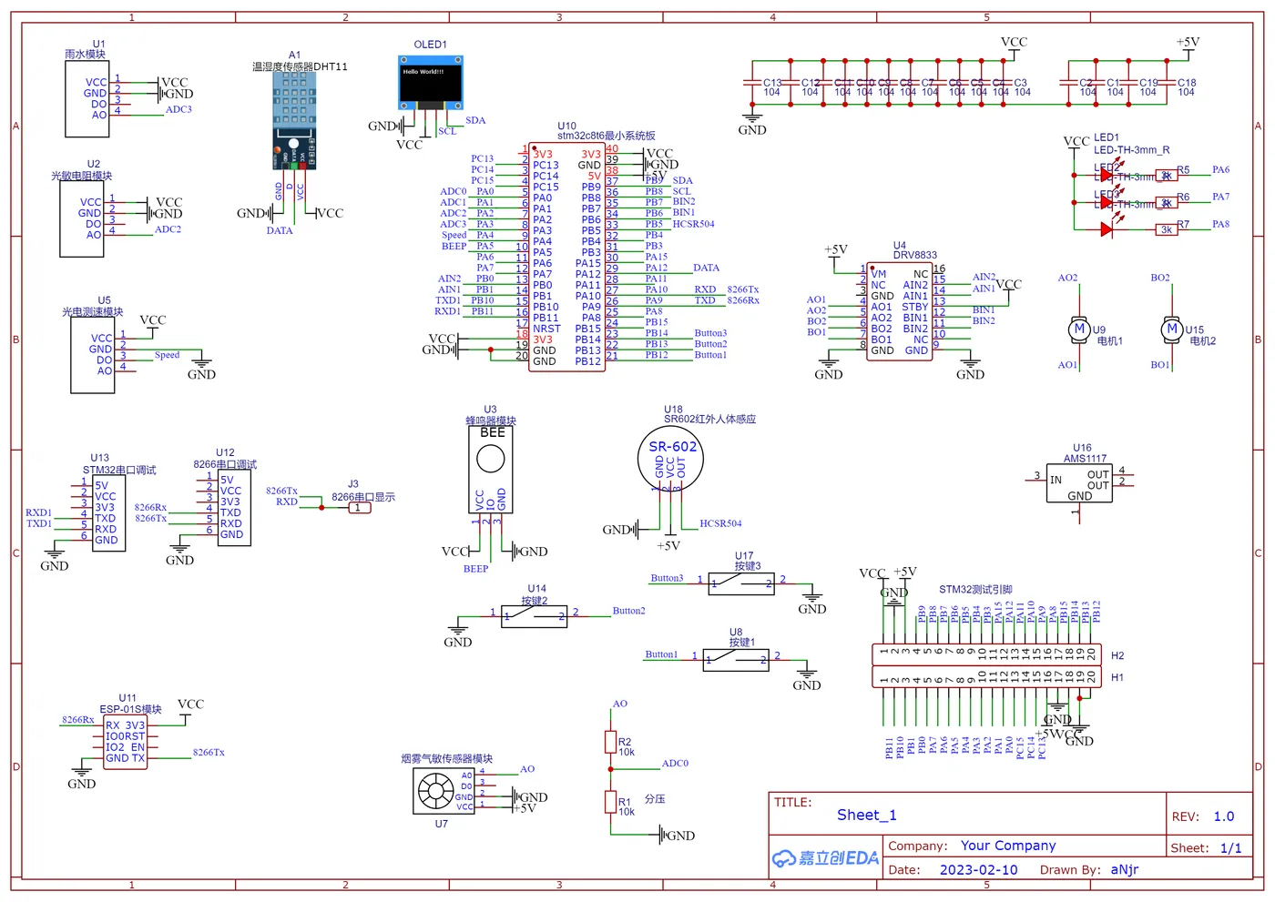
一、系统总体架构
智能窗户控制系统以 STM32 为主控,协同 ESP8266 进行无线通信,实现以下功能:
- 构建传感器局域网,采集窗户周边环境数据
- 实时监测温湿度、雨滴、风力、光照等环境信息
- 监测异常入侵情况,并进行本地或远程告警
- 控制电机实现自动开关窗
- 使用手机 APP 远程查看数据与控制窗户开合
- 提供扩展接口,实现更多场景自动化
整体结构如下:
┌─────────────────────────────────┐
│ 手机 App / 云端服务 │
└───────────────▲─────────────────┘
│ Wi-Fi (ESP8266)
┌───────────────┴─────────────────┐
│ ESP8266 │
│ Wi-Fi 通信 / MQTT / HTTP 控制通道 │
└───────────────▲─────────────────┘
│ UART
┌───────────────┴─────────────────┐
│ STM32 │
│ 传感器管理 | 控制算法 | 电机驱动 | 安防检测 │
│ │
│ 传感器总线(I2C/ADC/UART) │
└───────────────┬─────────────────┘
│
┌────────┴──────────┐
│ │ │
雨滴传感器 温湿度传感器 光照传感器
风速模块 霍尔/红外入侵检测 窗户位置检测
二、无线传感器局域网的搭建(ESP8266)
为了实现远程控制与数据查看,系统采用 ESP8266 作为无线通信模块。实现方式包含两个部分:
1. ESP8266 与 STM32 的串口通信协议
通过 UART 通信,设计轻量级的数据帧结构,如:
[Header][Cmd][Len][Payload][Checksum]
用于实现以下命令交互:
- 上传传感器数据
- 发送开窗/关窗指令
- 状态同步、心跳包
2. Wi-Fi 与云端/APP 的通信
主流方式包括:
- MQTT:轻量、实时性强,适合 IoT
- HTTP + REST API:便于调试和快速集成
- WebSocket:适合实现实时状态推送
ESP8266 作为网关,将 STM32 的数据透明地上传至云端,实现室内外双向通信。

三、温湿度检测与环境数据采集
系统采用常用的温湿度传感器(如 SHT30、DHT20)采集 室内外温湿度,并由 STM32 进行以下处理:
- 数据滤波:如均值滤波、低通滤波
- 数据校准:消除传感器误差
- 趋势判断:用于窗户开关策略决策
例如:
当室外温度低于室内且空气质量好时,可自动开窗通风;
反之,则保持关闭或仅部分开启。
根据季节与用户习惯,还可以结合配置文件制定不同控制策略。
四、非法入侵检测与驱离机制
考虑到窗户也是入侵入口,系统可接入多种检测方式:
1. 红外人体检测(PIR)
检测近距离移动物体,适合夜间警戒。
2. 窗户振动与位移监测
通过加速度计/震动传感器检测外力破窗行为。
3. 磁性开关/霍尔传感器
判断窗户是否被强行开启。
当检测到异常时:
- 本地警告(蜂鸣器、灯光)
- 推送警报到手机 APP
- 可选择自动关闭窗户
实现家庭安防的一道额外防线。
五、雨滴、风力、光照检测与天气联动
户外天气的快速变化是影响开窗的关键因素,系统通过以下传感器实时监测:
1. 雨滴传感器
检测降雨,一旦触发立即关窗。
2. 风速检测模块(小型风力传感器)
风力过大时需限制开窗角度,避免损坏。
3. 光照强度传感器(光敏电阻/光照度计)
通过光强变化判断时间段或天气情况,有助于完善自动控制策略:
例如
- 光照变弱 + 风雨信号 → 可能即将下雨
- 高光照 → 夏季需要减少室外热量进入
多源数据融合使窗户控制更智能。
六、电机控制与自动开关算法
核心执行机构为直流电机或步进电机,通过 L298N、TB6612 或更高效的无刷驱动进行控制。
1. 电机结构设计
- 推杆式开窗器:行程大、推力强
- 齿轮齿条式:控制精度高
- 小型舵机:适用于小窗户
2. 自动开关窗算法
算法可基于多条件决策,例如:
if (下雨 OR 风力过大) → 立即关窗
else if (室外温度低于室内 && 空气质量好 && 无异常入侵) → 自动开窗
else if (夜间 && 温度较低) → 保持关闭
可结合 PID 控制调节开窗角度,也可通过限位开关保证安全。
七、手机 APP 远程控制与可视化
通过 ESP8266 将数据上传至云端,APP 可实时查看:
- 室内外温湿度
- 光照、风力、雨滴状态
- 开窗位置和当前状态
- 安防告警记录
用户可远程执行:
- 开窗 / 关窗 / 停止
- 切换自动/手动模式
- 设置窗户开合策略
- 启动安防警戒模式
UI 可使用 Flutter、uni-app 或原生方案开发。

总结
本文构建了一个 完整的智能窗户控制系统方案,涵盖了传感器网络、环境监测、安防检测、电机控制算法、无线通信和远程 APP 交互。
通过 STM32 + ESP8266 的组合,使原本普通的窗户具备了环境感知、自动控制与远程操控能力,加速传统家居设备的智能化升级。