虚拟同步发电机(VSG)惯量阻尼自适应控制仿真模型(simulink仿真实现)

简介: 虚拟同步发电机(VSG)惯量阻尼自适应控制仿真模型(simulink仿真实现)

💥💥💞💞欢迎来到本博客❤️❤️💥💥

🏆博主优势:🌞🌞🌞博客内容尽量做到思维缜密,逻辑清晰,为了方便读者。

⛳️座右铭:行百里者,半于九十。

⛳️赠与读者

👨‍💻做科研,涉及到一个深在的思想系统,需要科研者逻辑缜密,踏实认真,但是不能只是努力,很多时候借力比努力更重要,然后还要有仰望星空的创新点和启发点。当哲学课上老师问你什么是科学,什么是电的时候,不要觉得这些问题搞笑。哲学是科学之母,哲学就是追究终极问题,寻找那些不言自明只有小孩子会问的但是你却回答不出来的问题。建议读者按目录次序逐一浏览,免得骤然跌入幽暗的迷宫找不到来时的路,它不足为你揭示全部问题的答案,但若能让人胸中升起一朵朵疑云,也未尝不会酿成晚霞斑斓的别一番景致,万一它居然给你带来了一场精神世界的苦雨,那就借机洗刷一下原来存放在那儿的“躺平”上的尘埃吧。

    或许,雨过云收,神驰的天地更清朗.......🔎🔎🔎

💥1 概述

参考文献:

image.gif 编辑

虚拟同步发电机(VSG)惯量阻尼自适应控制仿真模型研究

随着电力系统的发展,虚拟同步发电机(VSG)技术越来越受到关注。VSG是一种新型的可再生能源发电技术,可以有效地提高电力系统的稳定性和可靠性。然而,由于VSG具有较小的惯量和阻尼特性,其控制方法相对复杂。

为了克服VSG的惯量和阻尼特性不足的问题,研究人员提出了一种自适应控制策略。该策略可以根据VSG当前的工作状态和系统需求,动态调整控制参数,以实现更好的性能。

为了验证自适应控制策略的有效性,研究人员建立了一个VSG惯量阻尼自适应控制的仿真模型。该模型考虑了VSG的动态行为、系统扰动和外部负荷变化等因素,并进行了详细的仿真实验。

通过仿真实验,研究人员发现自适应控制策略可以显著改善VSG的稳定性和可靠性。此外,该策略还可以减少VSG的能耗和损耗,提高系统的经济性和环保性。

总的来说,虚拟同步发电机(VSG)惯量阻尼自适应控制仿真模型的研究为VSG技术的进一步应用和推广提供了重要的理论基础和技术支持。希望这一研究成果能够为电力系统的可持续发展做出贡献。

随着新能源发电技术的不断推广和应用,像风力发电和光伏发电这样的新能源逐渐取代传统能源,电力系统的稳定性面临前所未有的挑战。由于风力发电和光伏发电等新能源的渗透率增加,电力系统的等效惯量和等效阻尼逐渐减小,导致系统稳定性问题日益严峻。为了解决这一问题,虚拟同步发电机(VSG)技术应运而生。然而,传统的VSG并网逆变器采用恒定的惯量和阻尼控制,使得系统在受到扰动时鲁棒性不足。为了增强系统的鲁棒性,优化其频率响应曲线,我们提出了一种全新的并网VSG惯量阻尼自适应控制仿真模型。通过分析不同旋转惯量和阻尼系数对系统输出特性的影响,我们建立了VSG数学模型,并结合同步发电机(SG)功角特性曲线和频率振荡曲线,设计出了旋转惯量和阻尼系数的自适应控制策略。该模型采用simulink进行实现,建议在matlab2018b及以上版本中运行。

一、VSG基本原理与结构

虚拟同步发电机(VSG)是一种通过电力电子装置模拟同步发电机机电特性的控制技术,其核心在于通过数学建模和算法嵌入,使逆变器具备惯量、阻尼、调频调压等动态特性。其典型拓扑结构包括直流电源(如储能单元)、逆变器、LC滤波器及控制系统模块(图1)。其中:

  1. 有功-频率控制:模拟同步发电机转子运动方程(式1),通过虚拟惯量 JJ 和阻尼系数 DD 调节功率-频率响应:
    image.gif 编辑
    式中,Pm 为机械功率参考值,Pe 为电磁功率,ω 为角速度。
  2. 无功-电压控制:基于励磁调节器原理,通过无功下垂特性调节电压幅值,维持电网电压稳定性。
  3. 电压电流双闭环:实现三相交流电的解耦控制,确保动态响应速度和稳态精度。

二、惯量阻尼的作用机制与矛盾

  1. 虚拟惯量($ J \) :增强系统惯性支撑能力,延缓频率变化速率,但过大的 $ J $ 会导致有功功率超调量增加、调节时间延长,并降低系统阻尼,易引发功率振荡。
  2. 阻尼系数($ D \) :抑制功率振荡,缩短调节时间,但过高的 $ D $ 会引入稳态有功功率误差。

    image.gif 编辑
  3. 矛盾与权衡:惯量阻尼的设定需在动态响应速度、超调抑制和稳态误差之间取得平衡,传统固定参数难以适应多工况需求,故需引入自适应控制。

三、自适应控制策略设计

  1. 核心目标:根据系统实时状态(如频率偏差 ΔfΔf、频率变化率 dΔf/dtdΔf/dt、储能荷电状态(SOC)等),动态调整 JJ 和 DD,优化动态性能并满足运行约束。
  2. 典型方法
  • RBF神经网络:以 Δf 和 dΔf/dt 为输入,通过非线性映射输出 J,并结合二阶系统最优阻尼比确定 DD(图2)。
  • 深度强化学习(DDPG) :通过奖励函数优化策略网络,实现惯量阻尼和虚拟阻抗的协同自适应调节,适用于复杂非线性系统。
  • 模糊自适应控制:基于功角特性设计模糊规则,动态调节 J 和 D,结合变论域技术提升控制精度。
  • 储能约束模型:考虑储能SOC限制,建立小信号模型计算 J 和 D 的安全范围,避免过充/过放。

四、仿真模型构建与验证

  1. 工具选择
  • MATLAB/Simulink:优势在于模块化建模、灵活支持自定义算法(如神经网络、模糊逻辑)和实时仿真验证。例如,文献[27]搭建了包含3台VSG的孤岛模式仿真模型,验证负荷突变下的动态响应。
  • PSASP:适用于大规模电网稳态分析,但自定义复杂算法(如自适应控制)时灵活性不足。
  1. 关键指标验证
  • 动态响应:对比功率超调量、调节时间和频率恢复速度。例如,优化后VSG控制可使有功超调量降低30%以上,调节时间缩短至0.5秒内。
  • 稳定性分析:通过根轨迹法评估系统阻尼比和相位裕度,确保参数自适应过程中极点位于左半平面。
  • 储能约束适应性:验证SOC越限时 J 和 D 的平滑切换能力,避免因储能容量不足引发二次失稳。
  1. 典型案例
  • 案例1(DDPG算法) :在并联VSG中,传统虚拟阻抗导致功率分配误差达6%,而DDPG自适应策略可将误差降至1%以下。
  • 案例2(模糊自适应) :在微网频率波动抑制中,变论域模糊控制较传统方法减少频率超调量40%,调节时间缩短25%。

五、研究挑战与展望

  1. 挑战
  • 模型-数据融合:高比例新能源接入下,系统非线性增强,需结合物理模型与数据驱动方法提升自适应精度。
  • 多时间尺度协调:惯量阻尼自适应需与一次/二次调频、虚拟阻抗控制协同,避免控制环路冲突。
  • 硬件实现复杂度:智能算法(如深度学习)的实时计算需求对嵌入式平台提出挑战。
  1. 未来方向
  • 数字孪生技术:构建高保真VSG数字模型,支持控制策略的预验证与参数优化。
  • 边缘计算应用:利用边缘设备实现分布式自适应控制,降低通信延迟。
  • 多能源协同:探索VSG与氢储能、压缩空气储能的联合控制,扩展自适应策略的应用场景。

📚2 运行结果

2.1 模型搭建

该模型和原文模型很像,包括较多子模块,有功频率环、电压电流双闭环及调制模块、无功电压环、自适应控制模块、PWM模块等。

image.gif 编辑

image.gif 编辑

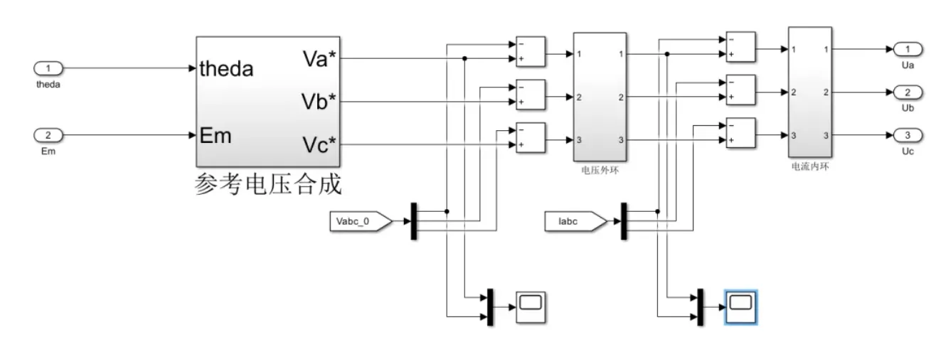
2.2 电压电流双闭环模块

image.gif 编辑

2.3 SVPWM调制策略

image.gif 编辑

2.4 无功电压模块

image.gif 编辑

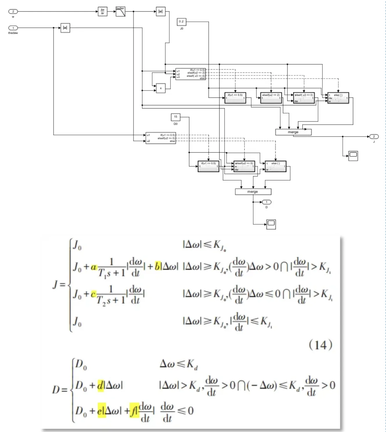
2.5 自适应控制策略及算法

image.gif 编辑

2.6 D和J的变化

image.gif 编辑

image.gif 编辑

以下为原文结果:

image.gif 编辑

2.7 有功功率

image.gif 编辑

2.8 三相电流

image.gif 编辑

🎉3 参考文献

文章中一些内容引自网络,会注明出处或引用资料获取,更多粉丝福利,MATLAB|Simulink|Python资源获取【请看主页然后私信】

相关文章
|
JavaScript
在vue3中使用markdown编辑器
在vue3中使用markdown编辑器
在vue3中使用markdown编辑器
|
7月前
你为什么卸载了WPS?WPS 如何卸载干净?卸载不了WPS?看这里
本文介绍了如何彻底卸载电脑软件,包括WPS、Office 2016及Steam游戏等,分析了软件卸载不干净的原因,并推荐使用第三方工具如Geek进行深度清理,帮助用户解决残留文件、注册表项和服务项问题,确保系统运行更流畅。
1462 1
【Simulink】基于下垂控制的构网变换器功率控制【微电网变流器】
该仿真研究了微电网中分布式电源接入后产生的谐波影响,并采用基于下垂控制的三环控制(功率环、电压环和电流环)来消除谐波,确保并网电流谐波畸变率低于阈值。模型使用Simulink进行仿真,主电路采用LCL滤波,实现功率精准跟踪。通过协调频率和电压调节,系统在不同负载条件下保持稳定运行。结果显示,有功和无功功率及电压电流曲线均符合预期,满足并网条件。
|
11月前
|
存储 NoSQL Java
【数据结构进阶】哈希表
哈希表是一种高效的数据结构,通过哈希函数实现数据映射,支持平均O(1)时间复杂度的查找、插入和删除操作。本文详细介绍了哈希表的基本概念、哈希函数的设计(如直接定址法和除留余数法)以及哈希冲突的解决方法(如开放定址法和链地址法)。同时,文章通过代码实例展示了线性探测和链地址法两种哈希表的实现过程,并分析了各自的优缺点。最后总结指出,合理选择哈希函数和冲突解决策略是优化哈希表性能的关键。
1164 2
载波相移CPS-SPWM调制方法的simulink建模与仿真
本课题研究载波相移CPS-SPWM调制方法的Simulink建模与仿真。CPS-SPWM通过在多个功率单元中引入载波相移,使开关动作错开,输出多电平PWM波形,接近理想正弦波。系统采用单极倍频调制波反相法,生成互补脉冲序列控制开关管通断。双极性CPS-PWM的电压电平数为n+1,基波分量是单个双极性PWM的N倍。仿真结果验证了该方法的有效性,核心程序基于MATLAB2022a实现。
基于智能电网系统的PQ并网控制器simulink建模与仿真
在MATLAB 2022a的Simulink环境中构建智能电网PQ并网控制器模型,实现对并网三相电压电流的精确控制及其收敛输出。PQ控制器根据实时需求调节有功与无功功率,确保电力系统稳定。通过测量、计算、比较、控制和执行五大环节,实现PQ参考值的跟踪,保证电能质量和系统稳定性。广泛适用于可再生能源并网场景。
基于智能电网系统的PQ并网控制器simulink建模与仿真
|
vr&ar C++
基于simulink的风轮机发电系统建模与仿真
本课题使用Simulink实现风轮机发电系统的建模与仿真,涵盖风速模型(基本风、阵风、阶跃风、随机风)、风力机模型及飞轮储能模块。采用MATLAB 2022a进行仿真,详细介绍了各风速成分的数学模型及其组合模型,阐述了风力机从风能捕获到电能输出的全过程,为风力发电系统的设计和优化提供了理论基础和技术支持。
|
算法 新能源
Simulink|【免费】虚拟同步发电机(VSG)惯量阻尼自适应控制仿真模型
Simulink|【免费】虚拟同步发电机(VSG)惯量阻尼自适应控制仿真模型
cephFS客户端使用指南
关于如何手动和自动挂载cephFS客户端的详细指南,包括移除认证文件、创建用户、导出钥匙环和key文件、挂载cephFS、验证用户权限以及设置开机自动挂载的三种方法。
661 7
|
存储 缓存 数据处理
计算机硬件存储器中的缓冲与缓存
【8月更文挑战第2天】
870 5