【切负荷】计及切负荷和直流潮流(DC-OPF)风-火-储经济调度模型研究【IEEE24节点】(Python代码实现)

简介: 【切负荷】计及切负荷和直流潮流(DC-OPF)风-火-储经济调度模型研究【IEEE24节点】(Python代码实现)

💥💥💞💞欢迎来到本博客❤️❤️💥💥

💥💥💞💞欢迎来到本博客❤️❤️💥💥

🏆博主优势:🌞🌞🌞博客内容尽量做到思维缜密,逻辑清晰,为了方便读者。

⛳️座右铭:行百里者,半于九十。

💥1 概述

【切负荷】计及切负荷和直流潮流(DC-OPF)风-火-储经济调度模型研究【IEEE24节点】


一、切负荷(Load Shedding)的核心机制与优化

  1. 定义与作用 切负荷是电力系统在供电不足时切除部分非关键负荷以维持稳定的重要手段。其核心目标是防止频率崩溃、缩小事故范围,并优先保障关键设备供电。
  • 精准化趋势:传统切负荷采用“一刀切”方式,而现代技术通过分级控制(如空调、照明等低优先级负荷)实现精细化切除,减少用户影响。
  • 协同控制:需结合闭锁重合闸、备用电源禁用等措施,避免负荷重新投入。
  1. 数学模型中的处理 在优化模型中,切负荷通常作为惩罚项加入目标函数,例如: image.gif 编辑其中 Cshed 为切负荷惩罚成本,Pshed 为切除负荷量。
  • 分级策略:根据负荷重要性划分等级,优先切除低等级负荷。
  • 区域划分:通过电网分区(如电压调节能力划分)降低控制代价。

二、直流潮流(DC-OPF)的建模优势与限制

  1. 基本原理 DC-OPF将交流网络简化为线性模型,忽略无功功率和电压幅值变化,仅考虑有功功率平衡与线路传输极限。其核心方程包括:
  • image.gif 编辑
  1. 应用场景与局限性
  • 优势:计算效率高,适合大规模系统实时优化。
  • 缺陷:无法精确处理无功、电压问题,可能导致解不可行。
  • 改进方向:结合混合整数规划(MIP)或凸松弛技术处理非凸性。

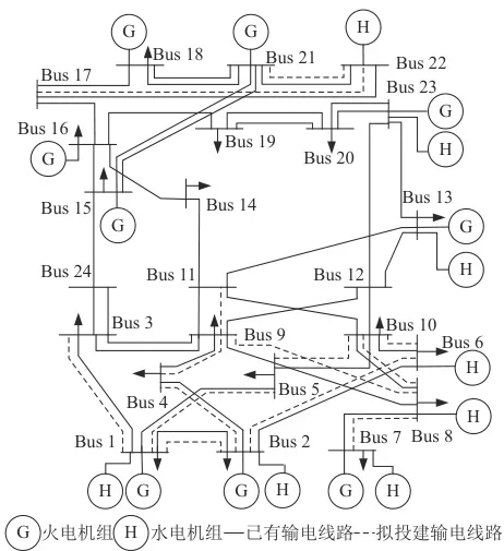
三、IEEE24节点系统的拓扑特性与参数设置

  1. 结构特征
  • 节点类型:包含火电(G)、水电(H)及负荷节点,线路分230kV和138kV电压等级。

    image.gif 编辑

    image.gif 编辑
  • 扩展性设计:拟建线路(虚线)为电网规划提供灵活性。

    image.gif 编辑
  • 典型参数:年度峰值负荷2850MW,34条线路,火电机组出力范围500-3195MW。
  1. 风-火-储配置
  • 风电接入:节点21、22、23各配置500MW风电场。
  • 储能约束:充放电效率、荷电状态(SOC)限制及容量衰减成本。

四、风-火-储联合经济调度的关键技术

  1. 目标函数
    最小化总成本,涵盖火电燃料成本、切负荷惩罚、弃风成本和储能损耗:
    image.gif 编辑
    其中储能成本包括充放电损耗和寿命衰减。
  2. 约束条件
  • 功率平衡:风-火-储出力需匹配负荷需求与切负荷量。
  • 火电爬坡:考虑启停时间与出力速率限制。
  • 储能动态:SOC连续性约束及充放电功率上下限。
  • 线路容量:基于DC-OPF的传输极限约束。
  1. 不确定性处理
  • 鲁棒优化:构建风电预测误差不确定集,通过两阶段(日前-日内)模型动态调整。
  • 机会约束:利用随机规划量化风险,确保调度方案在置信水平内可行。

五、协同优化框架与典型研究流程

  1. 整体架构
  • 输入层:风电预测数据、负荷需求、设备参数。
  • 优化层:DC-OPF模型嵌入切负荷策略,求解经济调度方案。
  • 控制层:执行切负荷指令及储能充放电计划。
  1. 算法选择
  • 数学规划:Gurobi、CPLEX求解混合整数线性规划(MILP)。
  • 智能算法:粒子群优化(PSO)处理非凸问题。
  • 机器学习:神经网络预测最优调度,结合可行性层确保约束满足。
  1. 案例分析(IEEE24节点)
  • 场景设置:模拟风电波动(±30%预测误差)、负荷突变等极端情况。
  • 结果指标:总成本、弃风率、切负荷量、线路利用率。
  • 优化效果:相比传统调度,联合模型可降低总成本10%-15%,减少切负荷量20%以上。

六、未来研究方向

  1. 动态切负荷策略:结合实时频率与电压偏差触发分级切除。
  2. 高比例可再生能源:研究风光储多能互补与火电深度调峰的协同机制。
  3. 分布式优化:基于边缘计算实现区域自治与全局协调。
  4. 碳约束模型:引入碳交易成本,平衡经济性与低碳目标。

详细数学模型及文档讲解见第4部分。

📚2 运行结果

2.1 算例

IEEE24节点

2.2 运行结果

image.gif 编辑

image.gif 编辑

image.gif 编辑

image.gif 编辑

🎉3 参考文献

部分理论来源于网络,如有侵权请联系删除。

[1]常延朝. 数据驱动的受端电网紧急切负荷优化研究[D].山东大学,2022.DOI:10.27272/d.cnki.gshdu.2022.002454.

[2]郭永明,李仲昌,尤小虎,刘观起,郑洁.计及备用容量优化配置的风火联合随机经济调度模型[J].电力系统保护与控制,2016,44(24):31-36.

[3]王思宇. 基于改进鱼群算法的多目标风火联合环境经济调度研究[D].沈阳农业大学,2022.DOI:10.27327/d.cnki.gshnu.2022.000687.

[4] 赵晋泉,叶君玲,邓勇. 直流潮流与交流潮流的对比分析[J]. 电网技术,2012,36(10):147-152.

[5] 张伯明.陈寿孙.严正.高等电力网络分析[M].北京:清华大学出版社,2007.

[6] A. Soroudi, Power System Optimization Modeling 资料获取,更多粉丝福利,MATLAB|Simulink|Python资源获取【请看主页然后私信】

相关文章
|
6天前
|
Python
Python的简洁之道:5个让代码更优雅的技巧
Python的简洁之道:5个让代码更优雅的技巧
154 104
|
6天前
|
开发者 Python
Python神技:用列表推导式让你的代码更优雅
Python神技:用列表推导式让你的代码更优雅
216 99
|
7天前
|
设计模式 人工智能 API
AI智能体开发实战:17种核心架构模式详解与Python代码实现
本文系统解析17种智能体架构设计模式,涵盖多智能体协作、思维树、反思优化与工具调用等核心范式,结合LangChain与LangGraph实现代码工作流,并通过真实案例验证效果,助力构建高效AI系统。
88 7
|
算法 编译器 开发者
如何提高Python代码的性能:优化技巧与实践
本文探讨了如何提高Python代码的性能,重点介绍了一些优化技巧与实践方法。通过使用适当的数据结构、算法和编程范式,以及利用Python内置的性能优化工具,可以有效地提升Python程序的执行效率,从而提升整体应用性能。本文将针对不同场景和需求,分享一些实用的优化技巧,并通过示例代码和性能测试结果加以说明。
|
人工智能 数据挖掘 数据处理
揭秘Python编程之美:从基础到进阶的代码实践之旅
【9月更文挑战第14天】本文将带领读者深入探索Python编程语言的魅力所在。通过简明扼要的示例,我们将揭示Python如何简化复杂问题,提升编程效率。无论你是初学者还是有一定经验的开发者,这篇文章都将为你打开一扇通往高效编码世界的大门。让我们开始这段充满智慧和乐趣的Python编程之旅吧!
|
11月前
|
机器学习/深度学习 数据采集 人工智能
探索机器学习:从理论到Python代码实践
【10月更文挑战第36天】本文将深入浅出地介绍机器学习的基本概念、主要算法及其在Python中的实现。我们将通过实际案例,展示如何使用scikit-learn库进行数据预处理、模型选择和参数调优。无论你是初学者还是有一定基础的开发者,都能从中获得启发和实践指导。
157 2
|
大数据 Python
Python 高级编程:深入探索高级代码实践
本文深入探讨了Python的四大高级特性:装饰器、生成器、上下文管理器及并发与并行编程。通过装饰器,我们能够在不改动原函数的基础上增添功能;生成器允许按需生成值,优化处理大数据;上下文管理器确保资源被妥善管理和释放;多线程等技术则助力高效完成并发任务。本文通过具体代码实例详细解析这些特性的应用方法,帮助读者提升Python编程水平。
515 5
|
机器学习/深度学习 Python
时间序列特征提取:从理论到Python代码实践
时间序列是一种特殊的存在。这意味着你对表格数据或图像进行的许多转换/操作/处理技术对于时间序列来说可能根本不起作用。
324 1
时间序列特征提取:从理论到Python代码实践
|
数据采集 数据可视化 数据挖掘
使用Python进行数据分析的新手指南深入浅出操作系统:从理论到代码实践
【8月更文挑战第30天】在数据驱动的世界中,掌握数据分析技能变得越来越重要。本文将引导你通过Python这门强大的编程语言来探索数据分析的世界。我们将从安装必要的软件包开始,逐步学习如何导入和清洗数据,以及如何使用Pandas库进行数据操作。文章最后会介绍如何使用Matplotlib和Seaborn库来绘制数据图表,帮助你以视觉方式理解数据。无论你是编程新手还是有经验的开发者,这篇文章都将为你打开数据分析的大门。
|
12月前
|
数据采集 机器学习/深度学习 数据处理
Python编程之魔法:从基础到进阶的代码实践
在编程的世界里,Python以其简洁和易读性而闻名。本文将通过一系列精选的代码示例,引导你从Python的基础语法出发,逐步探索更深层次的应用,包括数据处理、网络爬虫、自动化脚本以及机器学习模型的构建。每个例子都将是一次新的发现,带你领略Python编程的魅力。无论你是初学者还是希望提升技能的开发者,这些示例都将是你的宝贵财富。让我们开始这段Python编程之旅,一起揭开它的魔法面纱。

推荐镜像

更多