【高阶系统固定时间一致性追踪】固定时间一致性跟踪控制:高阶积分器多智能体系统研究(Matlab代码、Simulink仿真实现)

简介: 【高阶系统固定时间一致性追踪】固定时间一致性跟踪控制:高阶积分器多智能体系统研究(Matlab代码、Simulink仿真实现)

      💥💥💞💞欢迎来到本博客❤️❤️💥💥

🏆博主优势:🌞🌞🌞博客内容尽量做到思维缜密,逻辑清晰,为了方便读者。

⛳️座右铭:行百里者,半于九十。

⛳️赠与读者

👨‍💻做科研,涉及到一个深在的思想系统,需要科研者逻辑缜密,踏实认真,但是不能只是努力,很多时候借力比努力更重要,然后还要有仰望星空的创新点和启发点。建议读者按目录次序逐一浏览,免得骤然跌入幽暗的迷宫找不到来时的路,它不足为你揭示全部问题的答案,但若能解答你胸中升起的一朵朵疑云,也未尝不会酿成晚霞斑斓的别一番景致,万一它给你带来了一场精神世界的苦雨,那就借机洗刷一下原来存放在那儿的“躺平”上的尘埃吧。

    或许,雨过云收,神驰的天地更清朗.......🔎🔎🔎

💥1 概述

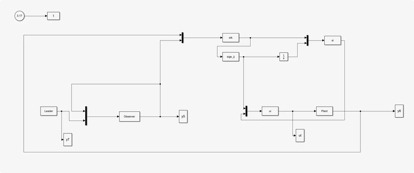
摘要 — 本文研究了受匹配外部干扰影响的高阶积分器多智能体系统的固定时间领导者-跟随者一致性问题。提出了一种基于固定时间分布式观测器的新型级联控制结构,以实现固定时间一致性跟踪控制。通过仿真实例验证了所提控制结构在不同初始条件下对一致性跟踪的有效性和性能。

关键词 — 一致性跟踪,观测器,固定时间稳定性,多智能体系统,高阶系统

众所周知,调整时间是控制系统的一个重要性能指标,它反映了系统收敛到任意期望状态的速率。作为多智能体系统协同控制的一个重要性能指标,快速收敛总是被追求以实现更好的性能和鲁棒性,例如混合编队飞行、在切换拓扑下的共识。

对于单积分器多智能体系统的线性共识协议,Olfati-Saber和Murray在文献中已经证明,交互图的代数连通性,即图拉普拉斯矩阵的第二小特征值,决定了收敛速率。这激励了Kim和Mesbahi去寻找具有更大代数连通性的合适交互拓扑。然而,现有文献(例如、、、)中提出的传统线性分布式协议仅能实现渐近稳定性,这意味着随着趋于无穷大,系统才能达成共识。在实际应用中,由于其跟踪精度高和对干扰的更好抑制能力,有限时间收敛更为可取,这因此引发了对有限时间协同控制的深入研究。迄今为止,本领域内大多数已报道的研究工作主要针对群体中的一阶或二阶子系统进行有限时间共识/同步、、、、、。然而,有限时间控制设计的收敛时间会随着初始条件偏离平衡点而无界增长。作为有限时间稳定性的扩展,固定时间稳定性最初在文献中被发现,然后在文献中被定义,假设调整时间是均匀有界的且与初始条件无关。在文献中,给出了固定时间稳定性的Lyapunov充分条件,并推导出了有限调整时间的显式估计界限。固定时间稳定性在一些应用中(如混合系统设计)展现出了优雅的特性。首次尝试对积分型多智能体进行固定时间共识的研究可以在文献、中找到。随后,固定时间共识设计框架被推广到受外部干扰影响的一阶积分器多智能体系统。鉴于高阶系统遇到的控制奇异性问题,文献首次提出了一种二阶多智能体系统的非奇异固定时间领导者-跟随者共识设计。在最近的研究中,作者改进了文献中的结果,并给出了收敛时间界限的估计值,该估计值与初始条件无关。尽管已有文献、报道了关于高阶系统的有限时间共识的研究结果,但关于高阶多智能体系统的固定时间协同控制的研究成果却少之又少。即使在文献、、、中,也需要每个跟随者同时获得其邻居的输入,这导致了通信环路问题。直接将现有的一阶或二阶情况的结果扩展到高阶情况并非易事。困难在于建立统一的固定时间稳定性的Lyapunov函数,以及直接扩展现有方法时遇到的控制奇异性问题,这意味着相应的固定时间共识设计相当具有挑战性。此外,众所周知,许多自然和工程系统具有高阶动态特性。因此,对高阶多智能体系统进行这项研究是十分必要的。受文献以及我们最新的研究成果的启发,提出了一种新的级联固定时间共识跟踪设计。本文的关键特点有两点:一是提出了基于固定时间分布式观测器的新级联控制框架,以避免在文献、、中解耦设计所遇到的通信环路问题;二是与文献中单系统实现的有限时间稳定性(以及文献中实现的固定时间稳定性)不同,所提出的固定时间稳定性设计可以保证任意阶积分器动态的多智能体系统的固定时间稳定性,而无需建立复杂的Lyapunov函数。

📚2 运行结果

image.gif 编辑

image.gif 编辑

image.gif 编辑

image.gif 编辑

image.gif 编辑

部分代码:

function sys=mdlOutputs(t,x,u)

sys(1)=x(1);%输出智能体1观测器观测的位置

sys(2)=x(2);%输出智能体2观测器观测的位置

sys(3)=x(3);%输出智能体3观测器观测的位置

sys(4)=x(4);%输出智能体4观测器观测的位置

sys(5)=x(5);%输出智能体5观测器观测的位置

sys(1+5)=x(1+5);%输出智能体1观测器观测的速度

sys(2+5)=x(2+5);%输出智能体2观测器观测的速度

sys(3+5)=x(3+5);%输出智能体3观测器观测的速度

sys(4+5)=x(4+5);%输出智能体4观测器观测的速度

sys(5+5)=x(5+5);%输出智能体5观测器观测的速度

sys(1+10)=x(1+10);%输出智能体1观测器观测的加速度

sys(2+10)=x(2+10);%输出智能体1观测器观测的加速度

sys(3+10)=x(3+10);%输出智能体1观测器观测的加速度

sys(4+10)=x(4+10);%输出智能体1观测器观测的加速度

sys(5+10)=x(5+10);%输出智能体1观测器观测的加速度

🎉3 参考文献

文章中一些内容引自网络,会注明出处或引用为参考文献,难免有未尽之处,如有不妥,请随时联系删除。(文章内容仅供参考,具体效果以运行结果为准)资料获取,更多粉丝福利,MATLAB|Simulink|Python资源获取【请看主页然后私信】

相关文章
|
17天前
|
算法 定位技术 计算机视觉
【水下图像增强】基于波长补偿与去雾的水下图像增强研究(Matlab代码实现)
【水下图像增强】基于波长补偿与去雾的水下图像增强研究(Matlab代码实现)
|
17天前
|
算法 机器人 计算机视觉
【图像处理】水下图像增强的颜色平衡与融合技术研究(Matlab代码实现)
【图像处理】水下图像增强的颜色平衡与融合技术研究(Matlab代码实现)
|
17天前
|
机器学习/深度学习 编解码 算法
基于OFDM技术的水下声学通信多径信道图像传输研究(Matlab代码实现)
基于OFDM技术的水下声学通信多径信道图像传输研究(Matlab代码实现)
|
17天前
|
机器学习/深度学习 数据采集 测试技术
基于CEEMDAN-VMD-BiLSTM的多变量输入单步时序预测研究(Matlab代码实现)
基于CEEMDAN-VMD-BiLSTM的多变量输入单步时序预测研究(Matlab代码实现)
|
17天前
|
机器学习/深度学习 算法 自动驾驶
基于导向滤波的暗通道去雾算法在灰度与彩色图像可见度复原中的研究(Matlab代码实现)
基于导向滤波的暗通道去雾算法在灰度与彩色图像可见度复原中的研究(Matlab代码实现)
|
17天前
|
机器学习/深度学习 算法 机器人
【水下图像增强融合算法】基于融合的水下图像与视频增强研究(Matlab代码实现)
【水下图像增强融合算法】基于融合的水下图像与视频增强研究(Matlab代码实现)
|
17天前
|
新能源 Java Go
【EI复现】参与调峰的储能系统配置方案及经济性分析(Matlab代码实现)
【EI复现】参与调峰的储能系统配置方案及经济性分析(Matlab代码实现)
|
17天前
|
机器学习/深度学习 算法 机器人
使用哈里斯角Harris和SIFT算法来实现局部特征匹配(Matlab代码实现)
使用哈里斯角Harris和SIFT算法来实现局部特征匹配(Matlab代码实现)
100 8
|
27天前
|
编解码 运维 算法
【分布式能源选址与定容】光伏、储能双层优化配置接入配电网研究(Matlab代码实现)
【分布式能源选址与定容】光伏、储能双层优化配置接入配电网研究(Matlab代码实现)
128 12
|
27天前
|
人工智能 数据可视化 网络性能优化
【顶级SCI复现】虚拟电厂的多时间尺度调度:在考虑储能系统容量衰减的同时,整合发电与多用户负荷的灵活性研究(Matlab代码实现)
【顶级SCI复现】虚拟电厂的多时间尺度调度:在考虑储能系统容量衰减的同时,整合发电与多用户负荷的灵活性研究(Matlab代码实现)

热门文章

最新文章