1.课题概述
空气流量和空气压力参数解耦系统simulink建模与仿真,在许多系统中,空气流量(Q)和压力(P)之间存在耦合关系,这意味着改变一个参数会影响到另一个参数。通过解耦系统解决这种问题,从而提高系统的控制稳定性。
2.系统仿真结果
(完整程序运行后无水印)



3.核心程序与模型
版本:MATLAB2022a

4.系统原理简介
在现代化的工业生产中,不断出现一些较复杂的设备或装置,这些设备或装置的本身所要求的被控制参数往往较多,因此,必须设置多个控制回路对该种设备进行控制。由于控制回路的增加,往往会在它们之间造成相互影响的耦合作用,也即系统中每一个控制回路的输入信号对所有回路的输出都会有影响,而每一个回路的输出又会受到所有输入的作用。要想一个输入只去控制一个输出几乎不可能,这就构成了耦合系统。由于耦合关系,往往使系统难于控制、性能很差。
对于这种情况,我们需要解耦来解决。解耦就是用数学方法将两种运动分离开来处理问题,常用解耦方法就是忽略或简化对所研究问题影响较小的一种运动,只分析主要的运动。数学中解耦是指使含有多个变量的数学方程变成能够用单个变量表示的方程组,即变量不再同时共同直接影响一个方程的结果,从而简化分析计算。通过适当的控制量的选取,坐标变换等手段将一个多变量系统化为多个独立的单变量系统的数学模型,即解除各个变量之间的耦合。最常见的有发电机控制,锅炉调节等系统。软件开发中的耦合偏向于两者或多者的彼此影响,解耦就是要解除这种影响,增强各自的独立存在能力,可以无限降低存在的耦合度,但不能根除,否则就失去了彼此的关联,失去了存在意义。
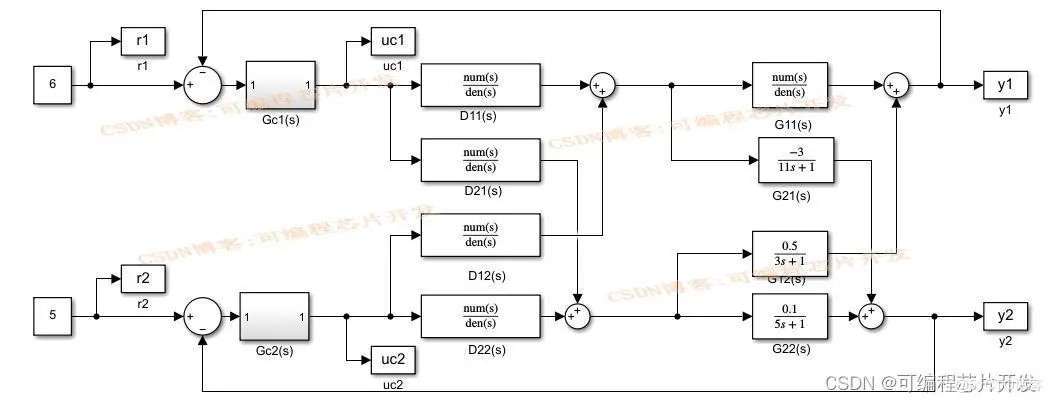
在本课题中,由于氧气的压力,流量和温度等参数是相互关联相互影响的,在整个过程中,氧气是不断被消耗和被补充,各个参数之间是非线性关系,为了对空气控制回路进行 有效的控制,对氧气参数进行解耦是必须地。本课题,我们主要对氧气的流量和压力两个参数进行解耦。

对上面的式子进行解耦,可以使得被控变量空气流量不受空气压力调节量的影响,被控变量空气压力不受空气压力调节量的影响,从而使得压力控制和流量控制变为两个相互独立的控制环路。通过解耦器的设计,使得本来两个相互影响的环路,完全抵消彼此的影响,从而达到较好的控制效果。
