1.课题概述
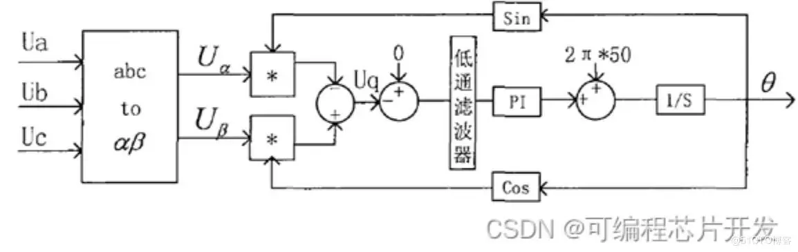
基于电压矢量变换的锁相环simulink建模与仿真,这个模型的基本构架如下所示:

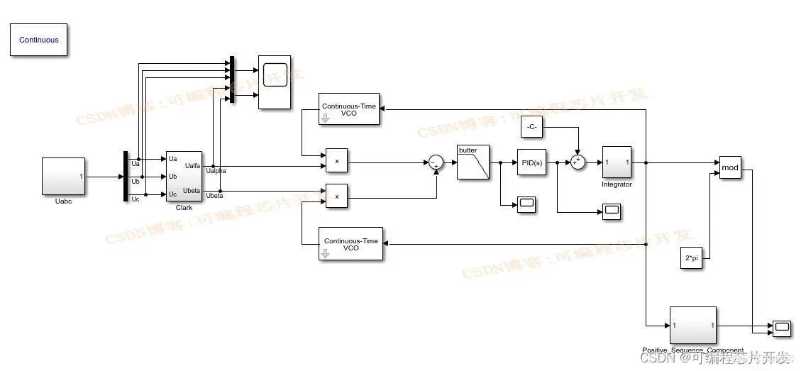
2.系统仿真结果



由图中锁相结果可以看出,利用新型锁相环技术在电网电压平衡条件和不平衡条件下均可对基波正序电压分量实现快速准确的锁相输出。这将在后面研究系统 电压不平衡环境下负序 电压前馈控制策略和双序电流环控制策略中得到很好的应用。
3.核心程序与模型
版本:MATLAB2022a

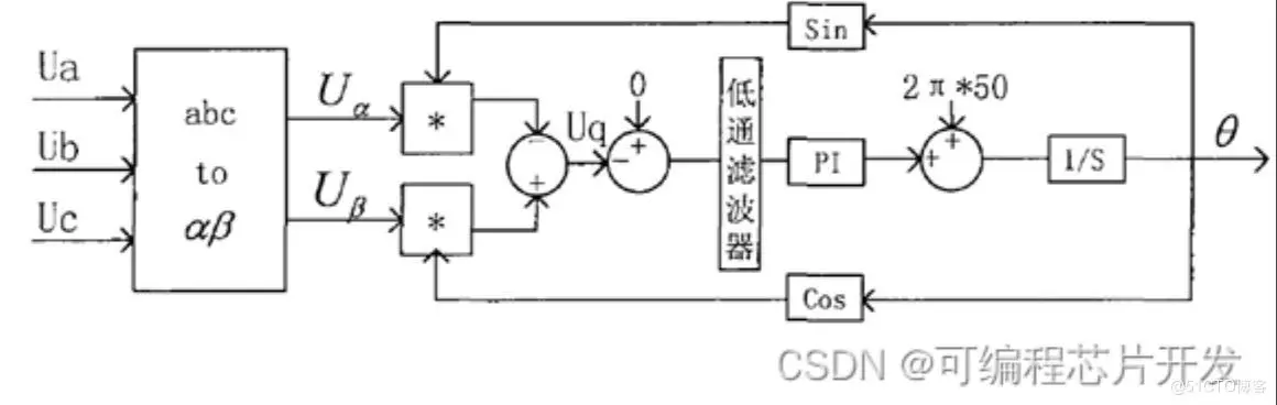
4.系统原理简介
基于电压矢量变换的锁相环(Phase Locked Loop, PLL)是一种用于估计和跟踪输入信号相位的技术,特别适合于处理多相交流信号,如三相电力系统中的电压和电流信号。这类PLL能够准确地检测电网的频率和相位,对于电力电子设备如变频器、无功补偿装置以及电力质量监测系统等应用至关重要。
这个模型的基本构架如下所示:

基于电压矢量变换 的新型锁相环方法,首先对三相 电 网 电压作ab坐标变换,然后与锁相环的输出构成一个反馈的闭环系统,通过低通滤波器可以有效滤除谐波和负序分量,输出便可得到基波 电压正序分量的相角。

基于电压矢量变换的PLL相比传统单相PLL,能更稳健地处理电网不平衡、频率突变等情况,尤其适用于复杂的电力系统监测与控制,如三相PFC电路的控制、电力质量改善以及分布式发电系统的并网控制等。