基于VHDL语言的8路彩灯控制器的设计_kaic

简介: 基于VHDL语言的8路彩灯控制器的设计_kaic

摘  要

伴随着我国电子科学技术的发展,彩灯越来越多地被融入到现代生活中的各式各样的景观中,彩灯作为一种装饰生活的观赏工具,不仅满足了人们视觉上的享受和娱乐,同时受关注的还有彩灯的花式花样、创意、节能、智能以及环保。但我们不能忽视了彩灯设计中最重要的一部分也就是彩灯控制方式,而最明显的就是彩灯的熄灭和点亮,还有花型的来回变换。所以说彩灯控制花型变换非常的重要,据此,本文设计一款满足此要求的8路彩灯控制器。

本文将利用EDA技术来完成设计,采用VHDL硬件描述语言编写各模块程序,并且经过分析多通道彩灯控制器的原理,来控制彩灯花型的各种变换,从而达到设计目的。EDA技术的主要特点就是它采用自顶向下的设计方法来完成系统整体结构的设计。设计程序的人员采用硬件描述语言,在EDA软件平台上完成设计的文件,通过Quartus II软件平台完成逻辑编译,简化,分割,合成,布局,接线和仿真等等,直到目标芯片的自适应编译,逻辑映射和编程下载。通过硬件仿真平台,对各个模块进行波形仿真,观察波形来确认电路设计的正确性。本文设计的8通道彩灯控制器所控制的三种花型为:一是从两边向中间亮,再从中间向两边亮;二是淡入淡出的效果;三是从左向右逐个亮,然后再从右向左逐个亮。

控制器控制三种花样循环,一是实现对彩灯的控制,二是展示各种花样的变换,经仿真验证,本设计可以很好的控制三种花型的自由变换。

关键词:彩灯;仿真;控制;EDA

 

Abstract

With the development of electronic science and technology in our country, the lights is increasingly integrated into the modern life of all kinds of landscape, as a kind of decoration lights viewing tool life, not only satisfy the people visual enjoyment and entertainment, at the same time, attention and fancy lantern designs, creativity, energy saving, intelligent and environmental protection. But we cannot ignore the most important part in the design of colored lights, that is, the control mode of colored lights, and the most obvious one is the extinguishing and lighting of colored lights, as well as the changing back and forth of patterns. Therefore, it is very important for color lamp to control pattern transformation. Therefore, this paper designs an 8-way color lamp controller to meet this requirement.

This article will use the EDA technology to complete the design, each module program written using VHDL hardware description language, and after analyzing the principle of multi-channel lights controller, to control the lights all kinds of transformation of the pattern, so as to achieve design goal. The main characteristic of EDA technology is that it adopts the top-down design method to complete the overall structure design of the system. Programmers use hardware description language, on EDA software platform and design documents, then automatically by the Quartus II software platform to complete the logic compilation, simplify, segmentation, synthesis, layout, wiring and simulation, until the target chip adaptive compilation, logical mapping and programming downloads. Through the hardware emulation platform, to the waveform simulation of various modules, observe the waveform to confirm the correctness of the circuit design, this paper design the 8 channel lights controller controlled by three patterns: one is from both sides to the middle, then from middle to both sides is bright; Second, fade in and out of the effect; Three is to light from left to right, and then from right to left.

Controller to control the three circulation pattern, one is to realize the control of the lights, 2 it is to show variety of transformation, verified by the simulation, the design can be very good control of three kinds of pattern free transform.

Key words: The lights; The simulation; Control; EDA

目录

1 绪论

1.1 目的意义

1.2 国内外的研究

1.3 本文研究的内容及创新点

1.3.1 研究内容

1.3.2 创新点

2 关键技术与开发平台

2.1 EDA技术的简介

2.2 FPGA/CPLD概述

2.3 VHDL语言概述

3 硬件系统的设计

3.1 设计方案

3.2 设计思路

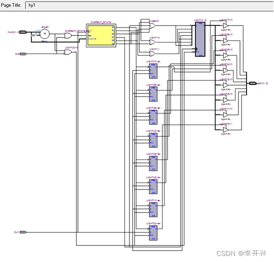
3.3 模块设计

3.3.1分频模块

3.3.2选择模块

3.3.3状态机花样模块

3.4 顶层模块设计

4 硬件系统的仿真

4.1 VHDL行为仿真流程

4.2 QUARTUS Ⅱ概述

4.3 模块仿真

4.4 顶层仿真

5 结论

参考文献

谢辞

 

1 绪论

1.1 目的意义

从古自今电子这一个名词对于人们来说是一个神秘而又可触及的东西,那些伟大的科学家为了探索其中的奥妙,进行了一次又一次的工业革命。人们的生活也随之提高了很多,如今信息化时代飞速发展,人们提出的要求是越来越高了。并且高质量都市生活和繁华大街上的彩灯代表的各种意义已经不能满足我们的需求。彩灯的照明被人们认为在生活中充当着色彩主角同时也需要满足不同场合和不同功能。应运而生地出现了适用于各种各样使用要求的灯具,比如说学生使用的日光灯,办公室写字灯,紧急情况出现时的应急灯,还有不同高度层次的餐具灯和落地灯等。现在正处于信息化时代,彩灯再也不是那种人为控制的灯笼了,人们已经将自己的思想赋予到了彩灯中去,如何将人们的思维转移到彩灯中去,这便是我们此次设计的目的。

中国作为历史悠久的大国,对于灯笼这方面的传统就尤为突出,而且各种最为流行的花式灯饰一直以来是传统民间的综合工艺品。人们的生活环境随着科技的进步不断改善和美化,色彩斑斓的霓虹灯也出现在许多节日气氛中,这种彩灯因其具有丰富的照明色彩、耗费成本较低和控制也极其简单的特点而被广泛使用。电子产品,建筑产品,机械化,遥控方面,声学,光纤等技术方面的场合都运用到了。动态的霓虹灯要求是形散而神不散,不需要一直针对追求“跳跃”而给人一种凌乱的感觉,无论使用哪种颜色,不同的花色都应该具有淡入淡出和跳跃顺序,体现了秩序感,主次感,有利于遵循正常的节奏,然后还能重复观看。在设计和制作过程中,不仅要给人以吸引力的变化,还必须清晰,没有颜色和花纹的混乱感。变化,闪烁和跳跃的霓虹灯让人们享受,快乐多彩的生活需要这种彩灯,所以备受人们关注。人们正在以极大的热情努力工作,并享受随之而来的所有欢乐。灯笼是一种装饰娱乐,娱乐工具在满足人们视觉娱乐的同时,人们更注重花哨的照明,创意,节能和环保。彩灯设计中很重要部分那肯定就是——彩灯控制。由于各种灯笼控制操作,几乎全部体现在灯光的熄灭和明暗中,它也可以起到花型转换的作用。作为一个灯笼,它可以发挥很大的作用,无论是假日还是平日的夜晚,它都必须有各种各样的反射,所以彩灯控制器就显得非常重要了。传统机器用纯电路的方式控制,又很依赖于各种硬件,为了保证运行,还需要担心电路有没有老化失修等问题。并且机器零件部位要是不稳定也会发生接触之类的问题。电路不能及时地触发电路电源开关,所以这种类型的问题就会经常发生,虽然使用更好的硬件系统组件外,但是没有其他可靠的方法可以避免此类故障,所以我们必须使用智能组件来设计系统并增加系统的稳定性和可控性这是非常必要的。集成电路和计算机技术在这几年飞速发展,EDA渐渐地替代了设计人员以前用来完成项目的工具,它的系统宝库了集成电路,信号的处理,小型计算机的控制。可编程逻辑器件(PLD)是数字ASIC的重中之重,以PLD的电路控制方法为基础是一种稳定又可以预测的控制方法[2]。它的安全性非常高,是一种属于智能控制范畴的方法。因此,在彩灯上实施这样一种智能彩灯控制方式是一种变革和进步,提高了灯笼控制的效率,降低了灯笼的失效率[3]。

1.2 国内外的研究

在20世纪70年代中叶,循序渐进地萌发了可编程逻辑阵列(PLA)。数组和可编程或阵列被他运用从而来进行编程[1]。PLA解决了由输入变量增加时PROM导致存储容量快速增加的问题,PLA的价格属实贵,操作起来是非常的复杂,支持一定的PLA技术的软件平台还是有一定的挑战性的,这样用的人也就寥寥无几。

在20世纪70年代末期,最先进的美国公司第一次引入了可编辑逻辑阵列[5]。他们发现熔丝编程法,双极制造法非常的管用。该设备以高速运行,PLA的输出结构有多种类型,设计相对灵活。随之这已成为第一个广泛使用的PLD。

1980年代初期,莱迪思发明了比较通用的阵列逻辑(GAL),这是一种可以擦除,也可以重新编程和可配置的PLD[4]。它运用的技术是输出逻辑宏单元(OLMC)形式和E2CMOS工艺,相比之下PAL更方便,可代替大多数SSI和MSI数字集成电路。

由于阵列体积比较的小,片内寄存器所存储的资源不足,对于以上这几种编程器来说的话极其的不方便,超级不灵活,GAL只能在中小型数字逻辑中使用[10]。然而并没有很大的作用,现如今,可编程逻辑器件被制造成各种超大规模的超大规模继承电路,并且运用到的都是以CPLD和FPGA为基础的硬件描述语言[6]。

CPLD是一种非常复杂的可编程逻辑器件。就目前来说,Xilinx,Altera,Lattice和AMD等这几个主要半导体公司都拥有自己的CPLD产品。作为CPLD器件,最少应该包含这三种结构:可编辑逻辑宏单元,可编程I / O单元,可编程互连。

信息化时代来临,各个国家大力发展电子技术,现今的CPLD和FPGA器件在所控制的集成度,功能和性能(其具有速度和可靠性)方面就已经能够适用于大多数场合了。现在对于专用集成电路的走势来说,CPLD,FPGA这种基于超大规模的逻辑器件,都将成为现在流行的器件。那些传统的集成电路对于他们来说已经面临淘汰的边缘了[28]。

PLD在电子技术领域的应用主要有以下三个方面:

1.在微机系统中的应用

CPLD / FPGA芯片可以说是各种芯片的大哥大了,为什么是芯片的老大哥呢,因为它解码地址,控制电路都非常强大,什么控制什么管理什么I/O接口电路都不在话下。就这一点来说独占鳌头。CPLD / FPGA的使用可以将许多种微机系统的功能聚集到同一个芯片中,也就是所谓的“功能集聚与一身强无敌”。

2.在通信领域中的应用

目前所使用的通信系统的发展趋势朝着更强大,更小,更快,功耗更低的方向前进。 通信系统中追求的速度集成度和功能方面CPLD / FPGA恰恰就满足了这些定性要求[7]。所以现在不管是民用转机电话,程控交换电机,中继站,广播发射器和调制解调器,这些大规模可编程逻辑器件都可以广泛的应用到各个国家的军事雷达设备,不同的图像处理和设计,远程遥控测量设备和加密通信器中去[27]。

3.应用于数字信号处理技术(DSP)

DSP有着密切关系的话,那就有很多领域,其中有图像PS,数据压缩。还有各种数字化电视机和数字产品信息通信雷达扫描[8]。随着DSP系统对操作复杂和功能上有所增加,用到的DSP去解决问题是可谓是困难重重,也变得越来越有缺陷,比如说:实时性是真的不够强大、各种灵活程度也弱鸡,并且更不适合在实验室开发或技术开发等场地的使用等。此时CPLD / FPGA就需要DSP提供了问题的解决方案[9]。 CPLD / FPGA和DSP技术的结合后可以更好的满足DSP在集成度,速率(实时性)和系统功能各方面的要求。运用CPLD / FPGA来设计DSP系统可以降低各种的系统体积从而能提高系统的工作速度。比如说:可以用使FPGA来降低持支PC的图像处理板到FPGA芯片和外围电路的长度[11]。

可编程逻辑器件是逻辑器件系列中发展快的一批的器件。它快速的发展已经缩短了产品开发周期,不仅提高了现场灵活性,而且降低了开发风险,并且随着流程,技术和市场上的不断的超大力发展,PLD产品的价格将会变得越来越廉价的一批,集成度高,处理速度越来越快的一批[12]。可编程逻辑器件EDA的设计和开发在国际上发展前景是可观的,因为它符合国际标注,而且强大通用,功能多。更广泛的是CPLD / FPGA它的那种不可替代的地位也将越来越受到业内人士的关注。

4.PLD在ASIC设计中也有广泛的应用

专用集成电路设计的基础是在可编程逻辑器件上开发的,全定制和半定制电路设计主要方法是ASIC设计方法最方便。如果无法达到设计的要求,就只能重新想方设法的设计并重新进行检查验证,根据上面所述,我们知道设计繁琐、开发周期缓慢,推销的时间可能要往后稍一稍了,生产这个产品的话那他的价格肯定会有所上升。CPLD / FPGA芯片是ASIC芯片的核心产品,不仅仅具备ASIC的特性而且它们各有还有各自的优点[13]。

现如今,ASIC芯片的容量变得越来越大,密度也变得更加的麻烦。因为密度的问题导致了需要增加芯片,但是引脚又难以控制数量。虽然芯片可以一个劲地增加,但是连接到核心的引脚也就那么几个[20]。但是CPLD / FPGA的使用就没有这样的限制啊,然而现在是信息化时代,发展贼快,可以达到的金属层的数量变得更多了,这样他的优势非常的明显了,CPLD / FPGA芯片的规模正在增加,单片逻辑门的产量已经超过数百万[15]。它们所实现的功能也会变得更加强大,更能同时实现系统集成。就开发这方面来说,和ASIC相比,周期性更短的,开发成本更低的可编程逻辑器件真的是不值得一提,他而且又没订购数量的限制,所存管理就很舒服,简单明白又便捷[14]。根据我们说了解的门电路所耗费的成本的不断地降低与此同时门电路数量的却不断地增加,这就足以显示出可编程逻辑器件在传统门阵列中的地位了.

1.3 本文研究的内容及创新点

1.3.1 研究内容

研究目标:本文通过基于VHDL语言设计一款8路彩灯控制器

研究对象:彩灯控制器控制彩灯花样变换

拟解决问题:

用分层的设计方法设计该电路,研究各个功能模块的程序

仿真各个模块得到的波形图进行对比来确定设计是否正确

完成电路排版后,用硬件系统查看和检测其正确性

控制8通道彩灯按照两种节拍,三类花式花样模式循环变化。对于这个彩灯控制器我们要求要有三种花样,其效果分别为:

(1)两边开始到中间亮,然后再是中间到两边;

(2)实现淡入淡出效果;

(3)左向右依次亮,再从右向左依次亮;

最后,使用QuartusⅡ 仿真软件对每个模块和每个主程序分别进行结果仿真,并对仿真出来的结果作了分析,分析完后下载到实验箱进行验证。

1.3.2 创新点

美化和照亮城市彩灯肯定是功不可没。彩灯控制器是彩灯的重要组成部分。这是一个问题。传统的灯笼控制电路一般由数字电路组成,因此结构复杂,成本高,功耗大,电路老不稳定和机械元件的变化莫测会引起触发电路功率开关的稳定性,最终导致灯笼发生各种类型的错误.使用CPLD,FPGA等大的规模可编程的逻辑器件来替代的传统标准集成电路的要求,口接电路和PLA已经成为技术发展的必经之路。以PLD的电路控制方法为基础是一种可靠并且还可预测的控制方法[16]。它的安全性非常高,属于智能控制领域。因此,在彩灯上实施这样一种彩灯控制方法是一种改革和进步,这样既提高了灯笼控制的效率,也降低了灯笼的失效率。为了设计这一种基于VHDL的彩灯控制器,与传统设计出的控制器相比,这种设计速度快,体积小,重量又轻.运用的控制电路也是采用VHDL语言设计的,它通过自顶向下的设计理念,分析了多通道灯控制器的设计原理,并采用了硬件描述语言,根据所描述的功能来实现8通道控制器的设计[19]。彩灯控制器的芯片设计要求是分层设计,要求编程性强,简单的电路,可靠性要高而且通过仿真波形检测验证结果,使用VHDL语言更深层次的优化了电路设计方法,对实际应用具有很强的指导意义[17]。

相关文章
|
存储 数据采集 机器学习/深度学习
谷歌大数据的三驾马车
当涉及到大规模数据处理时,谷歌公司一直是领先的技术创新者,已经在大数据技术方面有着非常强的实力。下面我将详细介绍谷歌的三项重要技术:Google Bigtable,Google MapReduce和Google File System (GFS)。
2971 1
谷歌大数据的三驾马车
|
数据可视化 API 数据库
低代码/无代码运动:软件开发的未来还是乌托邦?
低代码/无代码(LCNC)平台近年来在软件开发领域引起广泛关注,通过简化界面和预构建模块,使非技术用户也能快速构建应用。本文探讨其潜在影响、优势与挑战,以及对传统开发的影响。核心优势包括快速开发、易于使用和成本效益;主要挑战则涉及定制化限制、性能问题和技术锁定。LCNC平台促使开发者角色转变,促进业务与IT融合,并加速创新。尽管优势明显,但其局限性意味着不会完全取代传统开发,而是成为重要工具之一。
|
7月前
|
安全 算法 API
银行卡三要素API实践指南:实现交易安全闭环
在数字化金融时代,身份真实性成为安全防线关键。银行卡三要素核验通过验证卡号、姓名与身份证一致性,提升身份识别准确率,广泛应用于金融、支付等领域。本文详解其技术原理、架构设计与工程实践,助力构建安全合规的身份认证体系。
621 1
|
编解码 开发工具 Android开发
数据推送选择GB28181、RTSP还是RTMP?
国标GB/T28181协议全称《安全防范视频监控联网系统信息传输、交换、控制技术要求》,是一个定义视频联网传输和设备控制标准的白皮书,由公安部科技信息化局提出,该标准规定了城市监控报警联网系统中信息传输、交换、控制的互联结构、通信协议结构,传输、交换、控制的基本要求和安全性要求,以及控制、传输流程和协议接口等技术要求。解决了视频间互联互通,数据共享,以及设备控制的问题,这个问题从顶层解决了视频信息各自为战的问题,打通了视频联网的信息孤岛。
1094 1
|
监控 数据可视化 搜索推荐
现代教育管理中的看板应用:任务可视化的强大力量
化解教学压力,赋予课堂活力,试试看板工具
377 7
现代教育管理中的看板应用:任务可视化的强大力量
|
人工智能 数据可视化 数据处理
2025低代码前瞻:平台赋能的无限可能
低代码平台正成为企业数字化转型的核心工具,2025年将迎来新的高峰。其核心功能包括可视化开发、智能引擎、模型驱动、数据处理增强及AI深度融合等,助力高效协作与灵活扩展。通过降低技术门槛、提升开发效率和智能化水平,低代码将赋能企业实现更快的创新和更高的竞争力,推动数字化生态的全面发展。
750 31
|
机器学习/深度学习 传感器 自动驾驶
深度学习在自动驾驶中的应用与挑战####
本文探讨了深度学习技术在自动驾驶领域的应用现状、面临的主要挑战及未来发展趋势。通过分析卷积神经网络(CNN)和循环神经网络(RNN)等关键算法在环境感知、决策规划中的作用,结合特斯拉Autopilot和Waymo的实际案例,揭示了深度学习如何推动自动驾驶技术向更高层次发展。文章还讨论了数据质量、模型泛化能力、安全性及伦理道德等问题,为行业研究者和开发者提供了宝贵的参考。 ####
|
人工智能 自然语言处理 搜索推荐
评测:AI客服接入钉钉与微信的对比分析
【8月更文第22天】随着人工智能技术的发展,越来越多的企业开始尝试将AI客服集成到自己的业务流程中。本文将基于《10分钟构建AI客服并应用到网站、钉钉或微信中》的解决方案,详细评测AI客服在钉钉和微信中的接入流程及实际应用效果,并结合个人体验分享一些心得。
10699 10
|
SQL 安全 关系型数据库
【100天精通python】Day38:GUI界面编程_PyQt 从入门到实战(中)_数据库操作与多线程编程
【100天精通python】Day38:GUI界面编程_PyQt 从入门到实战(中)_数据库操作与多线程编程
739 0
|
移动开发 网络协议 安全
一篇文章带你搞懂TCP/IP协议与OSI七层网络模型
一篇文章带你搞懂TCP/IP协议与OSI七层网络模型
1016 0
一篇文章带你搞懂TCP/IP协议与OSI七层网络模型

热门文章

最新文章