《电子基础与维修工具核心教程》——2.5 电阻串并联后的电路分析

简介:

本节书摘来自异步社区《电子基础与维修工具核心教程》一书中的第2章,第2.5节,作者: 田佰涛 更多章节内容可以访问云栖社区“异步社区”公众号查看。

2.5 电阻串并联后的电路分析

电阻串并联后的电路分析主要包括电路中电压、电流、电阻的关系,本节将引入电子学里最基本的定律——欧姆定律,并详细介绍电阻串并联后电路中电压与电流的关系,同时引入串联分压、并联分流的原理。

2.5.1 欧姆定律
在同一电路中,通过导体的电流 跟导体两端的电压成正比,跟导体的电阻 阻值成反比,这就是欧姆定律,基本公式是I=U/R。欧姆定律由乔治·西蒙·欧姆 提出,为了纪念他对电磁学 的贡献,物理学界将电阻的单位命名为欧姆,以符号“Ω”表示。

如图2-29所示,EC=12V,R1=6Ω,当开关K闭合时,根据欧姆定律,流过整个电路中的电流I=2A,如果我们将电压提高到24V,则I=4A。


a9c57b1cc309f1a1282eeac522b8298a8cf9210d

2.5.2 电阻串联后的电路分析
“串联分压,并联分流”,这8个字是对电阻串并联最好的总结,接下来一一分析研究。如图2-30所示,电源EC=12V,开关K,整个电路中串联一只电流表A1,电阻R1=2Ω,电阻R2=6Ω,电阻R3=4Ω,R1两端的电压差用电压表V1测量,R2两端的电压差用电压表V2测量,R3两端的电压差用电压表V3测量,该电路中,定义4个点,其中R1左端的A点,R1和R2接头处的B点,R2和R3接头处的C点,R3后面的D点,可以看到,A点对地的电压(一般说某个点的电压,就是指的某个点对地的电压)等于电源的正极电压,也就是12V,D点的对地电压等于电源的负极,也就是0V。


ceaf57a587c5cb7173880518f9dd7a6aeeb270cf

电路分析:当开关K闭合时,一股电流将由电源的正极出发,经过开关K,经过电流表A1,经过串联的电阻R1、R2、R3流向电源的负极。根据电阻串联的计算方法,可以得到该电路中的总电阻R总=12Ω,电源EC=12V,结合欧姆定律,该电路中的电流I=U/R=1A。串联电路中,电流处处相等,也就是说,流过电阻R1的电流等于流过电阻R2的电流,等于流过电阻R3的电流,也等于整个电路中的电流。

根据欧姆定律及以上分析,可以计算出电阻R1两端的电压V1=2V,也就说R1所消耗的压降,其两端的电压差等于2V,电阻R2两端的电压V2等于6V,电阻R3两端的电压V3等于4V。由此可见,电源电压每经过一个电阻,电压都要降低一部分,具体降低多少,要看该电阻的阻值和电路中的电流,阻值越大、电流越大,压降也就相对越大。

接下来再分析一下电路中A、B、C、D四个点的电压,也就是它们的对地电压,A点电压等于电源电压12V;D点电压等于地线0V;B点的电压等于12V减去R1消耗的电压,也就是10V;C点的电压等于R1和R2同时消耗的电压,也就是4V。大家可以自己分析一下。

12V由电源正极出发,每流过一个电阻,都会降低一部分电压,它降低的电压正是该电阻所消耗的电压,直到经过最后一个电阻,将电压完全消耗完毕,等于电源的负极0V。

根据以上学习做一个电路分析,如图2-31所示,电源EC,开关K,电阻R1、可调电阻RX,电阻R2,电路中定义A、B两点,这里的电源、电阻、可调电阻等均未知其值大小,当可调电阻由左向右的调整过程中,A点对地电压升高还是降低?B点对地电压升高还是降低?请大家自行分析。


<a href=https://yqfile.alicdn.com/73723a5282dfad8a8fcfcba75c78b6d0dd9ea439.png" >

串联电路总结如下。

  • 串联电路中,电流处处相等,流过每个电阻的电流等于流过整个电路的电流。
  • 串联电路中,每经过一个电阻,电压都会降低一部分,直到降为0V回到电源负极。
  • 电阻分压最少需要2个或者2个以上的电阻,1个电阻无法分压。

2.5.3 电阻并联后的电路分析
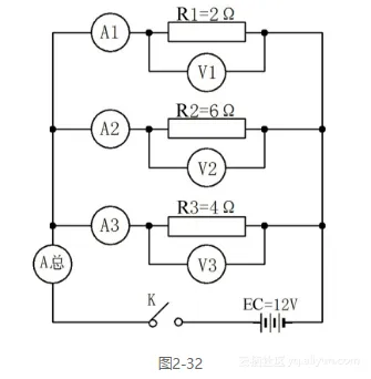
还是采用串联电路中的那几个电阻,将其改成并联电路,如图2-32所示,电源EC=12V,电阻R1=2Ω、电阻R2=6Ω、电阻R3=4Ω,流过R1的电流用A1测量,流过R2的电流用A2测量,流过R3的电流用A3测量,流过整个电路的电流用A总测量,R1两端的电压用V1测量,R2两端的电压用V2测量,R3两端的电压用V3测量。


71778a87491f345e1a72ce3017a809b0d8b86aa4

当开关K闭合时,由于R1、R2、R3同时接入电源正、负极,因此,可以想一下,R1两端的电压U1、R2两端的电压U2、R3两端的电压U3都等于电源电压12V,根据欧姆定律可以轻松得出,流过R1的电流等于6A,流过R2的电流等于2A,流过R3的电流等于3A,R1、R2、R3并联后的总阻值等于12/11Ω,结合欧姆定律,可以计算出整个电路中的电流A总=11A,而流过R1、R2、R3的电流之和也是11A,相互吻合。

并联电路总结如下。

  • 并联电路中,每个被并联元件两端的电压都相等。
  • 并联电路中,流过整个电路的电流等于流过各个支路的电流之和。
  • 并联只分总电路中的电流,不分电压。
相关文章
|
8月前
|
Ubuntu Linux 网络安全
Ubuntu 16.04 LTS发布:新特性与全面支持
Canonical还发布了Ubuntu Server 16.04 LTS版本。该版本不仅包括LXD 2.0这一提供类似虚拟机体验的容器管理器,还集成了Docker 1.10、libvirt 1.3.1、QEMU 2.5、Open vSwitch 2.5.0以及Ceph Jewel 10.1.2 RC等众多组件。值得注意的是,Ubuntu Server 16.04 LTS还支持远程内核崩溃转储功能,通过SSH和NFS可轻松进行转储操作。此外,该版本还配备了最新的OpenStack发布Mitaka,由OpenStack Identity、OpenStack Imaging、OpenStack Bl
|
SQL 存储 算法
抓个包看下 kerberos的 pre-authentication是如何工作的 1
抓个包看下 kerberos的 pre-authentication是如何工作的
|
5月前
|
存储 缓存 固态存储
系统分区完全指南:多种方法实现专业磁盘管理
合理磁盘分区可提升搜索效率、增强容错性、优化性能并便于管理。建议分为系统盘与数据盘,Windows推荐GPT格式,支持更大容量与UEFI启动。可通过系统自带工具或DiskGenius进行分区操作,注意备份、4K对齐及电源稳定。
1242 3
|
12月前
|
存储 监控 算法
员工行为监控软件中的 Go 语言哈希表算法:理论、实现与分析
当代企业管理体系中,员工行为监控软件已逐步成为维护企业信息安全、提升工作效能的关键工具。这类软件能够实时记录员工操作行为,为企业管理者提供数据驱动的决策依据。其核心支撑技术在于数据结构与算法的精妙运用。本文聚焦于 Go 语言中的哈希表算法,深入探究其在员工行为监控软件中的应用逻辑与实现机制。
267 14
|
缓存 运维 网络协议
深入Linux内核架构:操作系统的核心奥秘
深入Linux内核架构:操作系统的核心奥秘
801 2
|
机器学习/深度学习 搜索推荐 语音技术
进阶教程:优化语音克隆效果与提升TTS自然度
【10月更文挑战第20天】语音克隆技术和基于文本到语音(Text-to-Speech, TTS)系统的应用已经在诸多领域展现出了巨大的潜力,从智能助手到个性化客服,再到教育和娱乐产业。作为一名在语音技术领域有着多年实践经验的研发人员,我希望通过本文分享一些我个人在优化语音克隆效果与提升TTS自然度方面的经验和见解,帮助那些已经具备了一定基础并希望进一步提升自身技能的同行们。
947 0
|
存储 Java 程序员
Java 日志框架解析:汇总及最佳实践
在java的世界里有许多实现日志功能的工具,最早得到广泛使用的是 log4j,现在比较流行的是slf4j+logback。作为开发人员,我们有时候需要封装一些组件(二方包)提供给其他人员使用,但是那么多的日志工具,根本没法保证每个组件里都能使用约定好的日志工具,况且还有很多第三方的包,鬼知道他会用什么日志工具。假如一个应用程序用到了两个组件,恰好两个组件使用不同的日志工具,那么应用程序就会有两份日志输出了,蛋疼吧。。 下面简单介绍下常见的日志工具:
12501 2
Java 日志框架解析:汇总及最佳实践
|
安全 网络安全 数据安全/隐私保护
深入理解HTTP协议:工作原理与安全性
【6月更文挑战第28天】HTTP是互联网基础协议,用于浏览器与服务器通信。基于请求-响应模型,无状态且可扩展。但其明文传输、缺乏身份验证和数据完整性校验导致安全问题。HTTPS 加入SSL/TLS,提供加密、身份验证和完整性校验,保障网络安全。了解HTTP原理和安全至关重要。
|
设计模式 JavaScript 前端开发
JS中发布/订阅模式的简单应用
JS中发布/订阅模式的简单应用
277 2