《51单片机应用开发从入门到精通》——2.1 简单点亮发光二极管实例

简介:

本节书摘来异步社区《51单片机应用开发从入门到精通》一书中的第2章,第2.1节,作者:张华杰 ,更多章节内容可以访问云栖社区“异步社区”公众号查看

2.1 简单点亮发光二极管实例

51单片机应用开发从入门到精通
单片机最简单的实例之一就是点亮发光二极管(LED)闪烁。本节通过点亮1只发光二极管的实例来介绍单片机的I/O口操作。

本节首先介绍单片机I/O口结构的基础知识,接着介绍实例的硬件电路,然后给出了实例程序,最后将分析操作单片机的I/O口的技巧与注意点。

2.1.1 基础知识

8051单片机有4个并行I/O口:P0~P3。这4个I/O口中只有P0口是真正的双向口,P1~P3是准双向口,P3口还具有第二功能,为系统提供一些控制信号。4个并行I/O口的结构如表2-1所示。由I/O口结构可知,P0口的输出三态门由两只场效应管(FET)组成,所以是一个真正的双向口,同时可以提供较强的输出高电平(拉电流)和低电平(灌电流)驱动能力;P1~P3口中,上拉电阻代替了场效应管,输出缓冲器不是三态的,因此不是真正的双向口,只能称为准双向口,同时这些I/O口的输出高电平驱动能力较弱,只能提供较强的输出低电平驱动能力。因此,在使用I/O口直接驱动LED等电流负载时,需要使用输出低电平驱动的接法。

02778d5ff849b04e3b7144ee67f07851f076fd18 f96ce0494d54845830bb7470c3ec876a5633ff84

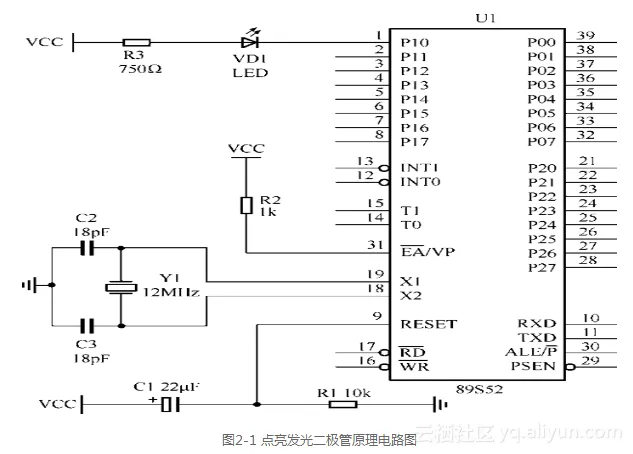
2.1.2 硬件电路图

本实例中,硬件电路主要包括8051单片机最小系统电路(包括5V电源,正极接40引脚,负极(地)接20引脚;振荡电路,使用晶体振荡器,接18、19脚;复位电路;EA引脚接到正电源端)和发光二极管LED电路(由1只LED和1只限流电阻串联而成),具体的连接原理电路图如图2-1所示。当P1.0引脚输出低电平时,点亮LED;当P1.0引脚输出高电平时,LED熄灭。

59363f71257f10aa39092b11f94fb5d166fed42e

2.1.3 软件程序设计

要实现LED的闪烁效果需要通过程序控制单片机连接到LED的I/O引脚,点亮LED,延时一段时间后,再控制I/O引脚使LED熄灭,如此循环就可以实现LED的闪烁。下面,着重介绍延时程序,并给出完整的软件程序实例。

1.延时程序
首先,通过下面的代码演示单片机如何通过程序实现延时一段时间。

;延时子程序
DELAY: 
    MOV R7,#10H              ;(1)
DELAY0: 
    MOV R6,#7FH              ;(2)
DELAY1: 
    MOV R5,#7FH              ;(3)
 DJNZ R5,$                   ;(4)
 DJNZ R6,DELAY1              ;(5)
 DJNZ R7,DELAY0              ;(6)
 RET                         ;(7)

程序(1)为数据传送指令,该指令的作用为将数据10H传送到寄存器R7中。8051单片机执行程序(1)~程序(3)后,寄存器R5、R6、R7的值分别为7FH、7FH和10H。程序(4)为减1不为0转移指令,该指令的作用为将寄存器R5中的数据减1,如果结果不为0,则程序跳转。其中“$”符号表示该指令的地址,所以若减1不为0则程序发生跳转,再次执行程序(4)。同理,程序(5)为将寄存器R6中的数据减1,如果结果不为0,则程序跳转到标号“DELAY1”处继续执行。程序(7)为子程序返回指令,执行该指令使程序返回调用子程序时的断点,继续执行断点之后的程序。

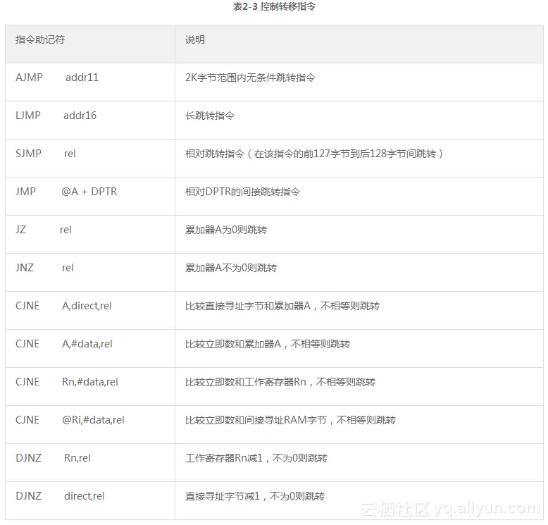
以上代码实例使用了数据传送指令和控制转移指令,8051单片机的数据传送指令及控制转移指令如表2-2、表2-3所示。表2-2、表2-3中的其他一些数据传送指令及控制转移指令将在后面的实例中陆续详细介绍。

e736d400bb1e4d8b4e1e4bc2c08ff7b26a6a544e 2d2787e2646451640d2c4e2a388a661d7196af60

bdd3d5193404af54d6c1f52086d9d2fc55d4d859

以上代码实例是一个完整的子程序。所谓子程序,就是完成确定任务,并能被其他程序反复调用的程序代码段,子程序在结构上具有通用性和独立性。子程序的编写必须注意以下几点:

 子程序调用使用LCALL指令。
 子程序必须通过RET指令返回。
 子程序第一条必须有标号,以实现LCALL指令的调用。
 正确传递入口参数和出口参数。
 子程序需要注意现场的保护和恢复。
 如果需要子程序嵌套,应注意嵌套深度与堆栈区大小的问题。
该延时子程序,可以实现约0.5秒的延时,下面看看如何来计算延时子程序的延时时间。8051单片机的一个机器周期包括12个时钟周期,本实例中单片机晶振为12MHz,则它的1个时钟周期是1/12微秒,1个机器周期是1微秒。DJNZ指令是双周期指令,执行1次要2个微秒,延时子程序一共执行258064次DJNZ指令,一共为516128微秒,约为0.5秒。

2.程序全貌
本实例的软件程序全貌如下:

;-----------------------------------
;                   简单点亮发光二极管实例
;功能:点亮发光管LED并闪烁
;-----------------------------------
LED_PIN  EQU  P1.0           ;(1)
ORG 0000H   ;伪指令,指定程序从0000H开始存放
LJMP  MAIN   ;跳转指令,程序跳转到MAIN处
ORG 0100H   ;伪指令,指定以下程序从0100H开始存放
MAIN:
   MOV SP,#60H  ;给堆栈指针赋初值       (2)
LIGHT:
   SETB LED_PIN  ;置一P1.0,LED灭       (3)
   LCALL DELAY  ;调延时子程序        (4)
   CLR LED_PIN  ;清零P1.0,LED亮       (5)
   LCALL DELAY  ;调延时子程序        (6)
   SJMP LIGHT  ;跳转,程序继续        (7)
;延时子程序
DELAY: 
   MOV R7,#10H
DELAY0: 
   MOV R6,#7FH
DELAY1: 
   MOV R5,#7FH
   DJNZ R5,$
   DJNZ R6,DELAY1
   DJNZ R7,DELAY0
   RET
END```
程序(1)为伪指令,伪指令是在汇编程序中起某种控制作用的特殊命令,其格式与通常的操作指令一样,并可加在汇编程序的任何地方,但它们并不产生实际的机器指令。程序(1)的作用是定义常数,也就是说,在该伪指令以下程序中出现的LED_PIN都是指代P1.0。8051单片机编程中常用的伪指令如表2-4所示。


<div style="text-align: center"><img src="https://yqfile.alicdn.com/aa72ec41aae04f210efb3b358fe111416b097df5.png" width="" height="">
</div>

8051单片机在上电复位后程序计数器PC中的值为0000H,也就是说程序是从0000H单元开始执行的。通过伪指令ORG 0000H指定程序从0000H单元开始存放,并在该单元写入跳转指令LJMP MAIN,使程序跳转到MAIN处开始执行。“MAIN:”称为标号,它代表了当前行的程序存储器地址。

程序(2)为给堆栈指针赋初值指令。所谓堆栈是一个RAM区域,堆栈存放和取用数据的方式比较特殊:先进后出,后进先出。堆栈的数据传输指令有两条,即PUSH和POP指令,堆栈的操作还涉及一个寄存器:堆栈指针SP。每当执一次PUSH指令时,SP的值就自动加1,然后数据被放到SP所指示的RAM单元中。每当执行一次POP指令,数据从SP所指示的RAM单元中取出,然后SP的值自动减1。由于上电复位后,SP的初始值为07H,这样就使堆栈数据从08H单元开始往后存放,而08H到1FH这个区域正是8051单片机的第二、三、四工作寄存器区,经常要被使用,这会造成数据的混乱。所以使用MOV SP,#60H指令设置堆栈指针,把堆栈设置在从60H开始的RAM单元中。

程序(3)、程序(5)为位操作指令,8051单片机的位操作指令见表2-5。

表2-5 位操作指令

<div style="text-align: center"><img src="https://yqfile.alicdn.com/ec97a635ca122da65d04da3743d28b1f7ddd27ae.png" width="" height="">
</div>

通过直接寻址位取反指令CPL,程序(3)~(7)也可写作如下:

LIGHT:
CPL LED_PIN ;取反P1.0,改变LED的亮灭状态
LCALL DELAY ;调延时子程序
SJMP LIGHT ;跳转,程序继续

3.运行结果
本实例的运行结果为LED不停闪烁。

####2.1.4 技巧总结
本实例从单片机点亮1只发光二极管出发,演示8051单片机是如何操作I/O口的。在单片机I/O口操作中应注意以下的技巧。

硬件连接过程中应注意各I/O口的内部结构,选择合适的引脚及连接方式。一般来说,对于I/O口驱动电流负载的情况,应采用输出低电平驱动电路的形式。对于许多新型的51内核的单片机,引脚提供了输出20mA电流的LED驱动能力,输出高电平时也可以直接驱动LED。
相关文章
|
消息中间件 存储 中间件
【消息中间件】详解三大MQ:RabbitMQ、RocketMQ、Kafka
【消息中间件】详解三大MQ:RabbitMQ、RocketMQ、Kafka
11179 1
|
负载均衡 监控 应用服务中间件
除了 Nginx,还有以下一些常见的负载均衡工具
【10月更文挑战第17天】这些负载均衡工具各有特点和优势,在不同的应用场景中发挥着重要作用。选择合适的负载均衡工具需要综合考虑性能、功能、稳定性、成本等因素。
1773 56
|
SQL 存储 监控
通过Logstash实现mysql数据定时增量同步到ES
通过Logstash实现mysql数据定时增量同步到ES
1761 0
通过Logstash实现mysql数据定时增量同步到ES
|
设计模式 Java 编译器
Java的带参数和不带参数的构造方法以及作用
Java的带参数和不带参数的构造方法以及作用
327 3
|
存储 负载均衡 大数据
【分布式】集群和分布式
【1月更文挑战第25天】【分布式】集群和分布式
|
C语言
C语言之宏详解(超级详细!)
C语言之宏详解(超级详细!)
|
API C语言 Windows
节空白区添加自己的代码【滴水逆向44笔记】
节空白区添加自己的代码【滴水逆向44笔记】
|
传感器 移动开发 芯片
使用标准信号检测 VM振弦采集模块测量精度对比
真值是检测任何设备测量精度的基础条件,真值不能用信号发生器号称的误差来衡量、不能用电阻标称的阻值来衡量。获取真值最可靠的办法是使用比检测精度更高一个数量级的仪表去测量。例如:电阻的值必须要用 6 位半或者更高精度的仪表测量后才能确定真实的电阻到底是多少。信号发生器也必须用一个更高精度的频率测量设备检测后才可以使用。如果“真值” 是不可靠的,那么对任何设备的精度检测工作,都会是徒劳的。
使用标准信号检测 VM振弦采集模块测量精度对比
|
安全 Linux 网络安全
【网络安全】复现CVE-2019-14287漏洞
Sudo的全称是"superuserdo”,它是Linux系统管理指令,允许用户在不需要切换环境的前提下,以其它用户的权限运行应用程序或命令,通常是以root用户身份运行命令,以减少root用户的登录和管理时间,同时提高安全性,当在Linux操作系统上执行命令时,只有得到许可或者知道root密码,普通用户才可以使用sudo命令以root身份执行命令. 个人理解:(直白点讲就是,如果你入侵了他人的主机,可以利用该漏洞,进行权限升级,不用切换root,因为切换root的时候需要输入密码,用该漏洞可以跳过该步骤,获得权限)
323 0
【网络安全】复现CVE-2019-14287漏洞
|
关系型数据库 MySQL
Mysql基本操作
Mysql基本操作
159 0
Mysql基本操作