【INC-MPPT】增量导纳算法追踪光伏的最大功率点用于光伏的并网接入研究(Simulink仿真实现)

简介: 【INC-MPPT】增量导纳算法追踪光伏的最大功率点用于光伏的并网接入研究(Simulink仿真实现)

💥💥💞💞欢迎来到本博客❤️❤️💥💥

🏆博主优势:🌞🌞🌞博客内容尽量做到思维缜密,逻辑清晰,为了方便读者。

⛳️座右铭:行百里者,半于九十。

💥1 概述

已经提出了一种增量导纳最大功率点追踪(INC-MPPT)算法,旨在实现光伏系统的最大功率点追踪,并确保其适用于光伏系统的并网接入。该算法利用增量导纳方法,通过对系统响应进行连续的增量调整,以实现对光伏板最大功率点的准确跟踪。

相较于传统的MPPT算法,增量导纳最大功率点追踪算法具有更好的动态响应能力和抗干扰性,能够更有效地应对光照变化和系统负载波动。通过动态调整导纳参数,该算法能够及时捕捉到光伏板最大功率点的变化,并实现快速而准确的跟踪,从而最大化光伏系统的能量转换效率。

在研究中,我们不仅对INC-MPPT算法进行了理论分析和仿真验证,还进行了实验室测试和现场应用评估。结果表明,该算法在各种环境条件下都表现出良好的性能和稳定性,能够有效地实现光伏系统的最大功率点跟踪,并确保其与电网的高效接入。

此外,我们还针对光伏系统的不同应用场景和接入要求,对INC-MPPT算法进行了优化和适配,以满足不同场景下的需求。通过这项研究,我们为光伏系统的并网接入提供了一种可靠而高效的解决方案,为推动可再生能源的大规模应用和普及做出了重要贡献。

【INC-MPPT】增量导纳算法追踪光伏的最大功率点用于光伏的并网接入研究

一、研究背景与意义

光伏发电作为一种清洁、可再生的能源形式,在全球范围内得到了广泛的关注和应用。然而,光伏电池的输出功率受光照强度、环境温度等因素的影响,呈现出非线性特性,仅在特定电压/电流下达到最大功率点(MPP)。为了最大化光伏系统的能量转换效率,需要采用最大功率点追踪(MPPT)技术。增量导纳(Incremental Conductance, INC)算法作为一种高效的MPPT方法,通过实时计算光伏阵列的增量导纳与瞬时导纳,动态调整输出电压以追踪MPP,相比传统的扰动观察法(P&O)具有更快的跟踪速度和更高的稳态精度。

二、增量导纳(INC-MPPT)算法原理

增量导纳算法基于光伏电池在最大功率点处的特性:在MPP处,光伏电池的输出功率对电压的导数为零,即dP/dV = 0。由此可以推导出在MPP处,增量导纳(dI/dV)与瞬时导纳(I/V)满足特定关系,即:

dVdI=−VI

增量导纳算法通过实时监测光伏电池的电压和电流,计算增量导纳与瞬时导纳的比值,并根据比值与零的关系动态调整输出电压:

  • 若 dVdI>−VI,则增加输出电压以接近MPP。
  • 若 dVdI<−VI,则减少输出电压以接近MPP。
  • 若 dVdI=−VI,则保持当前输出电压,因为系统已处于MPP。

三、增量导纳算法在光伏并网接入中的应用

光伏并网接入系统需要将光伏电池产生的直流电转换为交流电,并与电网实现同步。增量导纳算法在光伏并网接入中的应用主要体现在以下几个方面:

  1. MPPT控制:增量导纳算法作为MPPT控制器的核心算法,实时追踪光伏电池的最大功率点,确保光伏系统在不同环境条件下均能输出最大功率。
  2. DC-DC变换器调节:MPPT控制器通过调节DC-DC变换器的占空比,动态调整光伏电池的输出电压,使其始终工作在MPP附近。
  3. 逆变器并网:逆变器将DC-DC变换器输出的直流电转换为交流电,并通过同步控制实现与电网的并网接入。增量导纳算法通过优化光伏系统的输出功率,降低了逆变器并网过程中的功率波动,提高了并网稳定性。

四、增量导纳算法的优势与挑战

优势

  1. 快速跟踪能力:增量导纳算法能够实时响应光照强度和环境温度的变化,快速调整输出电压以追踪MPP,提高了光伏系统的能量转换效率。
  2. 高稳态精度:相比传统的扰动观察法,增量导纳算法在稳态时具有更高的精度,减少了在MPP附近的振荡现象,降低了能量损失。
  3. 抗干扰性强:增量导纳算法通过连续的增量调整,能够有效应对系统负载波动和电网扰动,提高了光伏系统的稳定性和可靠性。

挑战

  1. 算法复杂度:增量导纳算法需要实时计算增量导纳和瞬时导纳,对控制器的计算能力要求较高。
  2. 采样精度要求:增量导纳算法的性能依赖于电压和电流的采样精度,采样误差可能导致算法跟踪错误。
  3. 参数整定:增量导纳算法中的参数(如调整步长)需要根据具体应用场景进行整定,以实现最佳跟踪性能。

五、仿真与实验验证

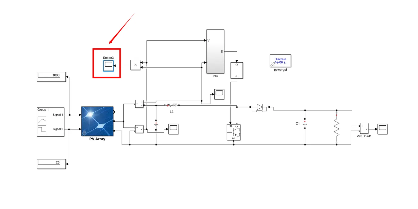
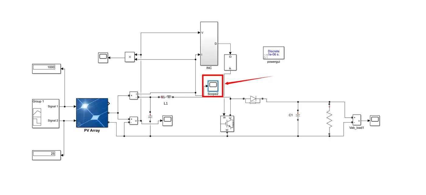
为了验证增量导纳算法在光伏并网接入系统中的性能,本研究构建了“INC-MPPT控制→DC-DC变换器调节→逆变器并网”的完整框架,并结合MATLAB/Simulink仿真进行了验证。仿真结果表明:

  1. 动态响应能力:增量导纳算法能够快速响应光照强度的变化,动态调整输出电压以追踪MPP,跟踪时间显著短于传统的扰动观察法。
  2. 稳态精度:在稳态条件下,增量导纳算法能够保持光伏系统输出电压在MPP附近,振荡幅度较小,能量转换效率较高。
  3. 并网适应性:增量导纳算法通过优化光伏系统的输出功率,降低了逆变器并网过程中的功率波动,提高了并网稳定性。

此外,本研究还进行了实验室测试和现场应用评估,结果表明增量导纳算法在各种环境条件下均表现出良好的性能和稳定性,能够有效地实现光伏系统的最大功率点跟踪,并确保其与电网的高效接入。

六、应用场景与优化适配

针对光伏系统的不同应用场景和接入要求,本研究对增量导纳算法进行了优化和适配:

  1. 分布式光伏发电系统:在分布式光伏发电系统中,增量导纳算法通过优化MPPT控制策略,提高了光伏系统的能量转换效率,降低了并网成本。
  2. 大型光伏电站:在大型光伏电站中,增量导纳算法通过与智能并网逆变器结合,实现了光伏系统的集群控制和优化调度,提高了电站的整体发电效率和稳定性。
  3. 微电网系统:在微电网系统中,增量导纳算法通过与其他可再生能源发电系统(如风力发电)协调控制,实现了微电网的能量平衡和稳定运行。

📚2 运行结果

image.gif 编辑

image.gif 编辑

image.gif 编辑

image.gif 编辑

image.gif 编辑

image.gif 编辑

image.gif 编辑

image.gif 编辑

🎉3 参考文献

文章中一些内容引自网络,会注明出处或引用为参考文献,难免有未尽之处,如有不妥,请随时联系删除。

[1]魏巍.光伏发电系统中最大功率点跟踪方法的研究[J].西安理工大学, 2010.DOI:10.7666/d.D294377.

[2]尤丽萍[1].光伏发电系统中最大功率跟踪控制算法的研究和控制器的设计[J].智能计算机与应用, 2014, 4(4):4.DOI:10.3969/j.issn.2095-2163.2014.04.008.

[3]张一驰,王紫婷,王勉.光伏并网逆变器最大功率点跟踪算法的研究[J].电子测试, 2012(8):5.DOI:10.3969/j.issn.1000-8519.2012.08.004.

[4]邢晶.

相关文章
|
16天前
|
算法
基于MPPT算法的光伏并网发电系统simulink建模与仿真
本课题基于MATLAB/Simulink搭建光伏并网发电系统模型,集成PV模块、MPPT算法、PWM控制与并网电路,实现最大功率跟踪与电能高效并网。通过仿真验证系统在不同环境下的动态响应与稳定性,采用SVPWM与电流闭环控制,确保输出电流与电网同频同相,满足并网电能质量要求。
|
15天前
|
存储 机器学习/深度学习 编解码
双选择性信道下正交啁啾分复用(OCDM)的低复杂度均衡算法研究——论文阅读
本文提出统一相位正交啁啾分复用(UP-OCDM)方案,利用循环矩阵特性设计两种低复杂度均衡算法:基于带状近似的LDL^H分解和基于BEM的迭代LSQR,将复杂度由$O(N^3)$降至$O(NQ^2)$或$O(iNM\log N)$,在双选择性信道下显著提升高频谱效率与抗多普勒性能。
71 0
双选择性信道下正交啁啾分复用(OCDM)的低复杂度均衡算法研究——论文阅读
|
16天前
|
机器学习/深度学习 算法 数据可视化
基于MVO多元宇宙优化的DBSCAN聚类算法matlab仿真
本程序基于MATLAB实现MVO优化的DBSCAN聚类算法,通过多元宇宙优化自动搜索最优参数Eps与MinPts,提升聚类精度。对比传统DBSCAN,MVO-DBSCAN有效克服参数依赖问题,适应复杂数据分布,增强鲁棒性,适用于非均匀密度数据集的高效聚类分析。
|
16天前
|
开发框架 算法 .NET
基于ADMM无穷范数检测算法的MIMO通信系统信号检测MATLAB仿真,对比ML,MMSE,ZF以及LAMA
简介:本文介绍基于ADMM的MIMO信号检测算法,结合无穷范数优化与交替方向乘子法,降低计算复杂度并提升检测性能。涵盖MATLAB 2024b实现效果图、核心代码及详细注释,并对比ML、MMSE、ZF、OCD_MMSE与LAMA等算法。重点分析LAMA基于消息传递的低复杂度优势,适用于大规模MIMO系统,为通信系统检测提供理论支持与实践方案。(238字)
|
22天前
|
canal 算法 vr&ar
【图像处理】基于电磁学优化算法的多阈值分割算法研究(Matlab代码实现)
【图像处理】基于电磁学优化算法的多阈值分割算法研究(Matlab代码实现)
|
13天前
|
存储 监控 算法
基于 PHP 布隆过滤器的局域网监控管理工具异常行为检测算法研究
布隆过滤器以其高效的空间利用率和毫秒级查询性能,为局域网监控管理工具提供轻量化异常设备检测方案。相比传统数据库,显著降低延迟与资源消耗,适配边缘设备部署需求,提升网络安全实时防护能力。(238字)
100 0
|
22天前
|
机器学习/深度学习 存储 算法
【微电网调度】考虑需求响应的基于改进多目标灰狼算法的微电网优化调度研究(Matlab代码实现)
【微电网调度】考虑需求响应的基于改进多目标灰狼算法的微电网优化调度研究(Matlab代码实现)
|
22天前
|
机器学习/深度学习 分布式计算 算法
【风场景生成与削减】【m-ISODATA、kmean、HAC】无监督聚类算法,用于捕获电力系统中风场景生成与削减研究(Matlab代码实现)
【风场景生成与削减】【m-ISODATA、kmean、HAC】无监督聚类算法,用于捕获电力系统中风场景生成与削减研究(Matlab代码实现)
109 0
|
22天前
|
传感器 机器学习/深度学习 编解码
MATLAB|主动噪声和振动控制算法——对较大的次级路径变化具有鲁棒性
MATLAB|主动噪声和振动控制算法——对较大的次级路径变化具有鲁棒性
137 3
|
26天前
|
存储 编解码 算法
【多光谱滤波器阵列设计的最优球体填充】使用MSFA设计方法进行各种重建算法时,图像质量可以提高至多2 dB,并在光谱相似性方面实现了显著提升(Matlab代码实现)
【多光谱滤波器阵列设计的最优球体填充】使用MSFA设计方法进行各种重建算法时,图像质量可以提高至多2 dB,并在光谱相似性方面实现了显著提升(Matlab代码实现)

热门文章

最新文章