光伏并网逆变器低电压穿越技术研究(Simulink仿真)

简介: 光伏并网逆变器低电压穿越技术研究(Simulink仿真)

💥💥💞💞欢迎来到本博客❤️❤️💥💥

🏆博主优势:🌞🌞🌞博客内容尽量做到思维缜密,逻辑清晰,为了方便读者。

⛳️座右铭:行百里者,半于九十。

💥1 概述

光伏并网逆变器低电压穿越仿真模型是一种先进的仿真工具,它采用了boost加NPC拓扑结构,并基于MATLAB/Simulink进行建模和仿真。该模型具备多种功能,包括中点平衡SVPWM控制、正负序分离控制和PLL等,使其能够进行高质量的低电压穿越仿真。

在该模型中,控制结构非常完整,能够实现精确的波形控制。通过该仿真模型,我们可以模拟和分析光伏逆变器在低电压情况下的性能和稳定性。这对于光伏系统的设计和优化非常关键,能够帮助我们更好地理解逆变器在不同工况下的工作特性。

该仿真模型还可以用于测试和验证不同控制策略在低电压穿越时的效果。通过对比不同控制策略的仿真结果,我们可以评估其对电网稳定性和逆变器性能的影响,为光伏系统的运行和维护提供参考。

光伏并网逆变器低电压穿越仿真模型是一种强大的工具,具备完整的控制结构和优秀的波形控制能力。它可以帮助工程师们更好地了解和优化光伏系统在低电压情况下的运行,从而提高系统的性能和稳定性。

一、引言

随着全球能源需求的不断增长和环境保护意识的增强,光伏发电作为一种清洁能源,得到了快速发展。光伏并网逆变器作为光伏发电系统与电网之间的关键接口设备,其性能的稳定性和可靠性对于整个光伏发电系统的运行至关重要。然而,在电网电压跌落的情况下,光伏并网逆变器可能会面临低电压穿越(Low Voltage Ride Through,LVRT)问题,导致逆变器脱网,影响系统的稳定运行。因此,对光伏并网逆变器低电压穿越技术的研究具有重要意义。

二、低电压穿越技术概述

低电压穿越技术是指当电网电压下降至逆变器额定工作电压以下时,逆变器仍能控制输出功率,保持对电网注入的有用有功功率,以维持电网功率平衡,同时最大限度地提高光伏发电系统的发电量。该技术的实现需要逆变器具备足够的电压容许范围和电力控制能力。

三、光伏并网逆变器低电压穿越技术的原理

光伏并网逆变器低电压穿越技术的原理主要基于逆变器的电力电子控制策略。当电网电压跌落时,逆变器通过调整其输出电流的相位和幅值,以维持与电网电压的同步,并尽可能地输出有功功率。同时,逆变器还需要具备一定的无功功率支撑能力,以提供电网在电压跌落期间的电压支持。

四、光伏并网逆变器低电压穿越技术的实现方法

光伏并网逆变器低电压穿越技术的实现方法主要包括主动式和被动式两种。

  1. 主动式低电压穿越方法

主动式低电压穿越方法主要通过控制逆变器输出电流来实现。当检测到电网电压跌落时,逆变器通过主动调整输出电流的相位和幅值,使并网电流与电网电压保持同相位,从而提高电网电压,帮助系统穿越低电压区域。这种方法的关键技术包括电流控制策略、电压跌落检测以及相应的保护措施。

  1. 被动式低电压穿越方法

被动式低电压穿越方法主要通过优化逆变器设计和参数设置来实现。通过选择合适的储能装置(如超级电容器、电池等),设计阻抗匹配装置,以及优化控制策略,使逆变器在电网电压跌落时能够快速响应,保持输出功率的稳定。这种方法简单易行,但低电压穿越能力相对较低。

五、光伏并网逆变器低电压穿越技术的性能评价指标

为了全面评估光伏并网逆变器低电压穿越技术的性能,需要构建相应的评价指标体系。这些指标主要包括:

  1. 稳定性指标:包括系统电压恢复时间、有功功率和无功功率波动、频率波动等。这些指标反映了逆变器在电网电压跌落期间的稳定性和响应速度。
  2. 经济性指标:包括设备投资成本、运行维护成本、故障损失成本等。这些指标评估了低电压穿越技术的经济性和可行性。
  3. 可靠性指标:包括低电压穿越成功率、故障穿越次数、设备寿命等。这些指标反映了逆变器在电网电压跌落期间的可靠性和耐久性。

六、光伏并网逆变器低电压穿越技术的研究进展

目前,国内外学术界和企业已经对光伏并网逆变器低电压穿越技术进行了大量的研究。这些研究主要集中在逆变器电力控制策略的优化、基于逆变器电路拓扑结构的改进以及智能化控制技术的应用等方面。通过不断的研究和实践,光伏并网逆变器低电压穿越技术的性能得到了显著提升,为光伏发电系统的稳定运行提供了有力保障。

七、结论与展望

光伏并网逆变器低电压穿越技术是光伏发电系统中非常关键的技术之一。通过优化逆变器电力控制策略、改进电路拓扑结构以及应用智能化控制技术等方法,可以显著提高逆变器的低电压穿越能力。未来,随着新能源技术的不断发展和电力市场的日益完善,光伏并网逆变器低电压穿越技术将得到更广泛的应用和推广。同时,也需要进一步加强研究和实践,不断完善和优化相关技术,为光伏发电系统的稳定运行和可持续发展做出更大的贡献。

📚2 运行结果

2.1 主体模块

image.gif 编辑

2.2 PV Array模块

image.gif 编辑

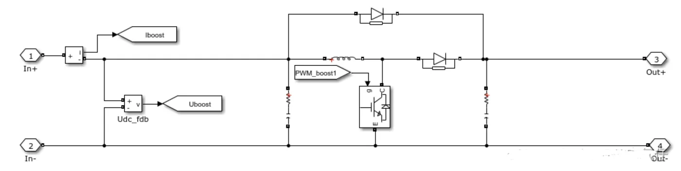
2.3 boost模块

image.gif 编辑

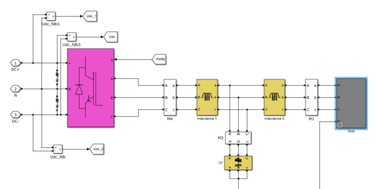
2.4 inverter模块

image.gif 编辑

2.5 控制模块

image.gif 编辑

2.6 扰动设置

image.gif 编辑

2.7 输出波形

image.gif 编辑

🎉3 参考文献

文章中一些内容引自网络,会注明出处或引用为参考文献,难免有未尽之处,如有不妥,请随时联系删除。

[1]王南,陈艺峰,吴恒亮.光伏并网逆变器低电压穿越技术研究[J].大功率变流技术, 2013(1):6.DOI:CNKI:SUN:BLJS.0.2013-01-011.

[2]王定国,陈卓,姚为正,等.光伏并网逆变器低电压穿越检测方案分析[J].电力系统保护与控制, 2014, 42(12):5.

[3]田昊.光伏并网逆变器低电压穿越技术研究[J].山东大学, 2014.DOI:10.7666/d.Y2595500.

[4]王京保,曾国宏,荆龙,等.光伏并网逆变器及其低电压穿越技术[J].低资料获取,更多粉丝福利,MATLAB|Simulink|Python资源获取【请看主页然后私信】

相关文章
|
弹性计算 安全 Linux
使用阿里云ECS服务器和frp配置SSH反向代理
校园网、公司内网中的设备一般是没有公网ip的,所以没办法用SSH直接连接。但是平时VSCode远程连接调调代码啥的都是通过SSH来连接的,平时不在学校或者公司的时候会很麻烦。虽然说VPN、向日葵花生壳之类的方法都能解决这个问题,但是这些方法不是麻烦就是贵或者不安全。frp只需要一台有公网ip的服务器就能实现外网SSH访问,相对来说比较简单。
|
3月前
|
存储 消息中间件 人工智能
Lazada 如何用实时计算 Flink + Hologres 构建实时商品选品平台
本文整理自 Lazada Group EVP 及供应链技术负责人陈立群在 Flink Forward Asia 2025 新加坡实时分析专场的分享。作为东南亚领先的电商平台,Lazada 面临在六国管理数十亿商品 SKU 的挑战。为实现毫秒级数据驱动决策,Lazada 基于阿里云实时计算 Flink 和 Hologres 打造端到端实时商品选品平台,支撑日常运营与大促期间分钟级响应。本文深入解析该平台如何通过流式处理与实时分析技术重构电商数据架构,实现从“事后分析”到“事中调控”的跃迁。
393 55
Lazada 如何用实时计算 Flink + Hologres 构建实时商品选品平台
|
2月前
|
机器学习/深度学习 边缘计算 算法
虚拟同步发电机(VSG)惯量阻尼自适应控制仿真模型(simulink仿真实现)
虚拟同步发电机(VSG)惯量阻尼自适应控制仿真模型(simulink仿真实现)
264 0
|
2月前
|
编解码 算法 自动驾驶
【雷达通信】用于集成传感和通信的OFDM雷达传感算法(Matlab代码实现)
【雷达通信】用于集成传感和通信的OFDM雷达传感算法(Matlab代码实现)
354 125
|
2月前
|
算法 Java
50道java集合面试题
50道 java 集合面试题
|
2月前
|
机器学习/深度学习 算法
Proximal SFT:用PPO强化学习机制优化SFT,让大模型训练更稳定
本文介绍了一种改进的监督微调方法——Proximal Supervised Fine-Tuning (PSFT),旨在解决传统SFT易过拟合、泛化能力差及导致“熵坍塌”的问题。受PPO强化学习算法启发,PSFT通过引入参数更新的稳定性机制,防止模型在训练中变得过于确定,从而提升探索能力与后续强化学习阶段的表现。实验表明,PSFT在数学推理、模型对齐及泛化能力方面均优于传统SFT。
260 3
Proximal SFT:用PPO强化学习机制优化SFT,让大模型训练更稳定
|
2月前
|
机器学习/深度学习 人工智能 算法
大型语言模型为何产生幻觉
语言模型为何会产生幻觉?OpenAI 最新研究指出,幻觉源于模型在训练和评估中被鼓励猜测而非承认“不知道”。即使强大如 GPT-5,也无法完全避免幻觉。改进评估方式、奖励模型表达不确定性,是减少幻觉的关键。
197 10
|
2月前
|
存储 机器学习/深度学习 算法
【路径规划】3D 网格地图上规划路径(Matlab代码实现)
【路径规划】3D 网格地图上规划路径(Matlab代码实现)
211 5
|
7月前
|
人工智能 JavaScript 开发工具
MCP详解:背景、架构与应用
模型上下文协议(MCP)是由Anthropic提出的开源标准,旨在解决大语言模型与外部数据源和工具集成的难题。作为AI领域的“USB-C接口”,MCP通过标准化、双向通信通道连接模型与外部服务,支持资源访问、工具调用及提示模板交互。其架构基于客户端-服务器模型,提供Python、TypeScript等多语言SDK,方便开发者快速构建服务。MCP已广泛应用于文件系统、数据库、网页浏览等领域,并被阿里云百炼平台引入,助力快速搭建智能助手。未来,MCP有望成为连接大模型与现实世界的通用标准,推动AI生态繁荣发展。
6361 66