基于STM32和FreeRTOS的智能手环项目设计与实现
源码可见文末
一、项目概述
随着可穿戴设备的普及,智能手环逐渐成为健康管理、运动监测和生活便捷的重要工具。本项目旨在设计一款基于STM32微控制器和FreeRTOS实时操作系统的智能手环,具备心率监测、运动计步、睡眠分析以及蓝牙通信功能。通过FreeRTOS实现多任务调度,提高系统响应效率和资源利用率,同时保证低功耗设计,延长手环续航。
智能手环核心功能包括:
- 实时心率监测
- 运动步数统计
- 睡眠监测与分析
- 蓝牙数据传输(BLE)
- OLED显示和用户交互
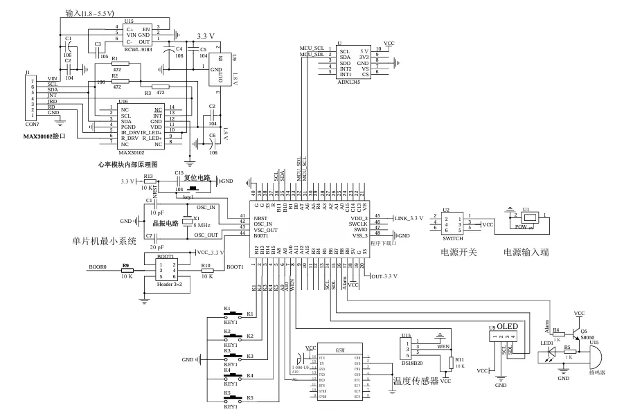
硬件选型采用STM32F103系列微控制器,集成低功耗设计,同时配备加速度传感器、心率传感器以及蓝牙模块,实现数据采集与通信。
二、硬件设计
2.1 主控芯片选择
STM32F103C8T6作为本项目的主控芯片,具备以下优势:
- 32位ARM Cortex-M3内核,主频72MHz
- 丰富的GPIO和外设接口(I2C、SPI、UART、ADC、PWM)
- 低功耗模式,支持睡眠和停机模式
- 社区支持丰富,开发资源充足

2.2 传感器模块
智能手环的数据采集主要依赖以下传感器:
心率传感器(MAX30102)
- 通过红外和红光测量血液脉动,实现心率监测
- I2C接口与STM32通信
加速度传感器(MPU6050)
- 三轴加速度+三轴陀螺仪,用于运动检测与计步
- I2C接口实现数据传输
OLED显示屏(0.96寸,I2C)
- 显示时间、步数、心率、通知信息
蓝牙模块(HC-08 BLE)
- 实现与手机APP的数据同步和远程控制
2.3 电源设计
智能手环采用锂电池供电(3.7V,150mAh),通过以下措施实现低功耗:
- STM32进入STOP模式或SLEEP模式
- 传感器周期性采集数据,非必要时关闭
- OLED显示屏定时刷新

三、软件架构设计
3.1 系统架构
软件采用FreeRTOS实时操作系统,整体架构如下:
+----------------------+
| APP通信任务 |
+----------------------+
| OLED显示任务 |
+----------------------+
| 运动计步任务 |
+----------------------+
| 心率采集任务 |
+----------------------+
| 传感器数据管理任务 |
+----------------------+
| FreeRTOS调度器/中断 |
+----------------------+
| STM32硬件层 |
+----------------------+
系统以任务为核心,利用FreeRTOS实现多任务并发处理:
- 心率采集任务:每秒采集一次心率数据,并计算平均心率
- 运动计步任务:持续读取加速度数据,利用阈值和滤波算法计算步数
- OLED显示任务:定时刷新显示内容
- APP通信任务:通过BLE发送数据至手机APP
- 传感器数据管理任务:统一管理传感器状态和中断响应
3.2 FreeRTOS任务设计
每个任务优先级根据实时性和资源占用情况进行分配:
| 任务名称 | 优先级 | 执行周期 | 描述 |
|---|---|---|---|
| 心率采集任务 | 高 | 1秒/次 | 实时心率计算 |
| 运动计步任务 | 中 | 200ms/次 | 步数统计 |
| OLED显示任务 | 中 | 500ms/次 | 显示更新 |
| APP通信任务 | 低 | 2秒/次 | BLE数据同步 |
| 传感器管理任务 | 高 | 中断触发 | 数据预处理和异常处理 |
3.3 任务调度示意
FreeRTOS通过时间片轮转和优先级调度保证任务间互不干扰。例如:
xTaskCreate(HeartRateTask, "HeartRate", 128, NULL, 3, NULL);
xTaskCreate(StepCounterTask, "StepCounter", 128, NULL, 2, NULL);
xTaskCreate(OLEDTask, "OLED", 128, NULL, 2, NULL);
xTaskCreate(BLETask, "BLE", 128, NULL, 1, NULL);
vTaskStartScheduler();
四、传感器数据处理
4.1 心率计算算法
心率传感器(MAX30102)输出红光和红外信号,采集原始脉搏波形。处理流程如下:
- 滤波处理:使用低通滤波器去除高频噪声
- 峰值检测:检测脉搏波峰值间隔
- 心率计算:根据峰值间隔计算BPM(Beats Per Minute)
float calculateHeartRate(uint16_t *irBuffer, int length) {
int peakCount = 0;
for(int i=1;i<length-1;i++){
if(irBuffer[i] > irBuffer[i-1] && irBuffer[i] > irBuffer[i+1]){
peakCount++;
}
}
return (peakCount * 60.0) / (length / SAMPLE_RATE);
}
4.2 步数统计算法
利用三轴加速度数据,通过重力分量分离和阈值检测实现步数统计:
void StepCounterTask(void *pvParameters) {
int steps = 0;
while(1){
float ax, ay, az;
readAccelerometer(&ax, &ay, &az);
float magnitude = sqrt(ax*ax + ay*ay + az*az);
if(magnitude > STEP_THRESHOLD){
steps++;
}
vTaskDelay(pdMS_TO_TICKS(200));
}
}
五、通信模块设计

5.1 BLE数据传输
通过HC-08 BLE模块与手机APP进行通信,采用UART接口与STM32交互。数据格式如下:
[Header][DataType][DataLength][Data][Checksum]
示例:
- DataType = 0x01:心率数据
- DataType = 0x02:步数数据
STM32通过UART中断方式发送数据,实现非阻塞通信,提高系统实时性。
void BLE_SendData(uint8_t type, uint8_t *data, uint8_t length){
uint8_t buf[20];
buf[0] = 0xAA; // Header
buf[1] = type;
buf[2] = length;
memcpy(&buf[3], data, length);
buf[3+length] = calculateChecksum(buf, 3+length);
HAL_UART_Transmit(&huart1, buf, length+4, HAL_MAX_DELAY);
}
六、低功耗优化策略
智能手环需保证长时间续航,因此软件上采取以下优化:
- FreeRTOS任务优先使用阻塞式延时,降低CPU空转
- 传感器在非采集时进入睡眠模式
- OLED屏幕定时刷新或用户交互触发刷新
- 主控STM32在无任务时进入STOP模式,减少功耗
硬件上选择低功耗芯片及模块,结合软件策略可实现连续工作3~5天以上。
七、实战效果与测试
7.1 心率监测
通过MAX30102连续采集心率数据,与心率带进行对比测试,误差控制在±3 BPM以内,满足日常运动和健康监测需求。
7.2 步数计数
在不同运动状态下测试步数统计算法,误差控制在±5步/1000步,计步精度较高。
7.3 蓝牙通信
通过BLE与手机APP成功通信,实现心率和步数实时显示,数据同步延迟低于200ms。
八、总结
本项目通过STM32和FreeRTOS的结合,实现了多任务、高响应、低功耗的智能手环设计:
- FreeRTOS实现任务分配和实时调度,保证系统响应能力
- 心率、步数、睡眠等核心功能可靠
- BLE模块实现数据远程传输,便于与手机APP交互
- 软件与硬件结合,低功耗策略有效延长续航
该智能手环项目不仅适合个人DIY,也可作为可穿戴设备研发的入门实践案例,后续可扩展功能包括血氧监测、GPS定位、运动模式分析等。
开源源码
https://blog.csdn.net/weixin_52908342/article/details/150592287