1.课题概述
基于STF的新能源车辆电池组SOC估计simulink建模与仿真,仿真输出系统电压,电流,车辆行驶的速度跟踪曲线,电池的SOC变化曲线。
2.系统仿真结果



3.核心程序与模型
版本:MATLAB2022a



```load SOC_STF.mat
timesa2 = ans.Time(1000:1:end);
SOC2 = ans.Data(1000:1:end);
load U_STF.mat
timesb2 = ans.Time(1000:1:end);
U2 = ans.Data(1000:1:end);
load I_STF.mat
timesc2 = ans.Time(1000:1:end);
I2 = ans.Data(1000:1:end);
load V_STF.mat
timesd2 = ans.Time(1000:1:end);
V2a = ans.Data(1000:1:end,1);
V2b = ans.Data(1000:1:end,2);
figure;
subplot(211);
plot(timesb2,U2,'r','LineWidth',1);
grid on
xlabel('Time (s)');
ylabel('U');
legend('STF');
subplot(212);
plot(timesc2,I2,'r','LineWidth',1);
grid on
xlabel('Time (s)');
ylabel('I');
legend('STF');
figure;
subplot(211);
plot(timesd2,V2a,'r','LineWidth',1);
hold on
plot(timesd2,V2b,'b','LineWidth',1);
grid on
xlabel('Time (s)');
ylabel('Speed');
legend('参考速度','实际速度');
subplot(212);
plot(timesd2,V2a-V2b,'b','LineWidth',1);
grid on
xlabel('Time (s)');
ylabel('Speed');
legend('参考速度与实际速度误差');
ylim([-5,5]);
figure;
plot(timesa2,SOC2,'g','LineWidth',2);
xlabel('Time (s)');
ylabel('SOC');
legend('STF');
grid on
```
4.系统原理简介
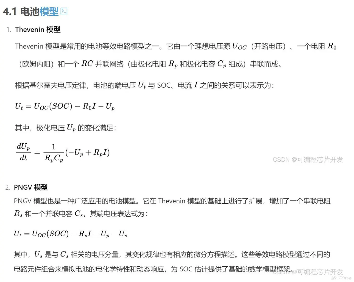
新能源车辆的发展日益迅猛,电池组作为其核心动力源,对其 SOC 的准确估计至关重要。SOC 直接反映了电池组剩余电量的多少,准确的 SOC 估计能够为车辆的能量管理、续航里程预测、充电控制等提供关键依据。基于 STF 的 SOC 估计方法融合了强跟踪滤波器的优势,在应对电池系统的非线性、时变特性以及测量噪声等方面表现出良好的性能。
SOC(State of Charge)即电池的荷电状态,它表示电池中剩余电量的比例。其定义为电池剩余容量与电池额定容量的比值。
能量管理:在新能源汽车、储能系统等应用场景中,精确的 SOC 估计对于能量管理系统至关重要。以新能源汽车为例,车辆的动力系统需要根据电池的 SOC 来合理分配功率,决定电机的输出功率,以优化车辆的行驶性能和续航里程。如果 SOC 估计过高,可能导致车辆在行驶过程中突然电量耗尽而 “趴窝”;如果 SOC 估计过低,会限制车辆的动力输出,无法充分发挥电池的性能。
电池寿命保护:准确的 SOC 估计有助于防止电池过充和过放。过充会导致电池内部产生气体、温度升高,可能引起电池鼓包、燃烧甚至爆炸等安全问题;过放会使电池极板硫化,缩短电池的使用寿命。通过实时监测 SOC,能够在 SOC 接近极限值(如充电时 SOC 接近 100%,放电时 SOC 接近 0%)时采取相应的保护措施,如降低充电电流或停止放电。


基于 STF 的新能源车辆电池组 SOC 估计方法通过建立合适的电池模型和利用强跟踪滤波器的特性,在电池 SOC 估计方面具有较高的准确性、稳定性和对复杂环境的适应性,对新能源车辆的高效、可靠运行有着重要的意义。在未来的研究中,可以进一步探索如何更好地结合电池的温度、健康状态等信息,以及如何优化滤波器的参数设置,以进一步提高 SOC 估计的性能。