南京观海微电子----GH6120功能使用介绍

简介: GH6120是一款高性能低噪声DC/DC转换器,支持2.3V-3V输入,提供±4.5V至±6.0V输出,具备x2/x-2电荷泵模式,频率可调,采用小巧低成本的WLCSP8封装,适用于便携式及空间受限设备,上电即用,易于集成。

1.简介

GH6120是一款专用的高性能低噪声DC/DC转换器IC,可输出VSP/VSN 偏置电压,GH6120使用WLCSP8封装,这种封装通常体积小、成本低,适合集成到空间受限的设备中。并且用法简单,上电可用。

2.特点

1.输入供电电压范围:2.3V 到 3V。

2.工作模式:

•x2 模式:适用于正电压。

•x-2 模式:适用于负电压。

3.频率调节:支持主控端电荷泵的频率可调操作。

4.输出电压范围:

•VSP 输出范围:4.5V 到 6.0V。

•VSN 输出范围:-4.5V 到 -6.0V。

5.封装:采用 WLCSP8 封装,成本较低。

6.应用场景:适用于电源转换相关应用。

3.电路框图

4.典型工作电路

5.引脚介绍

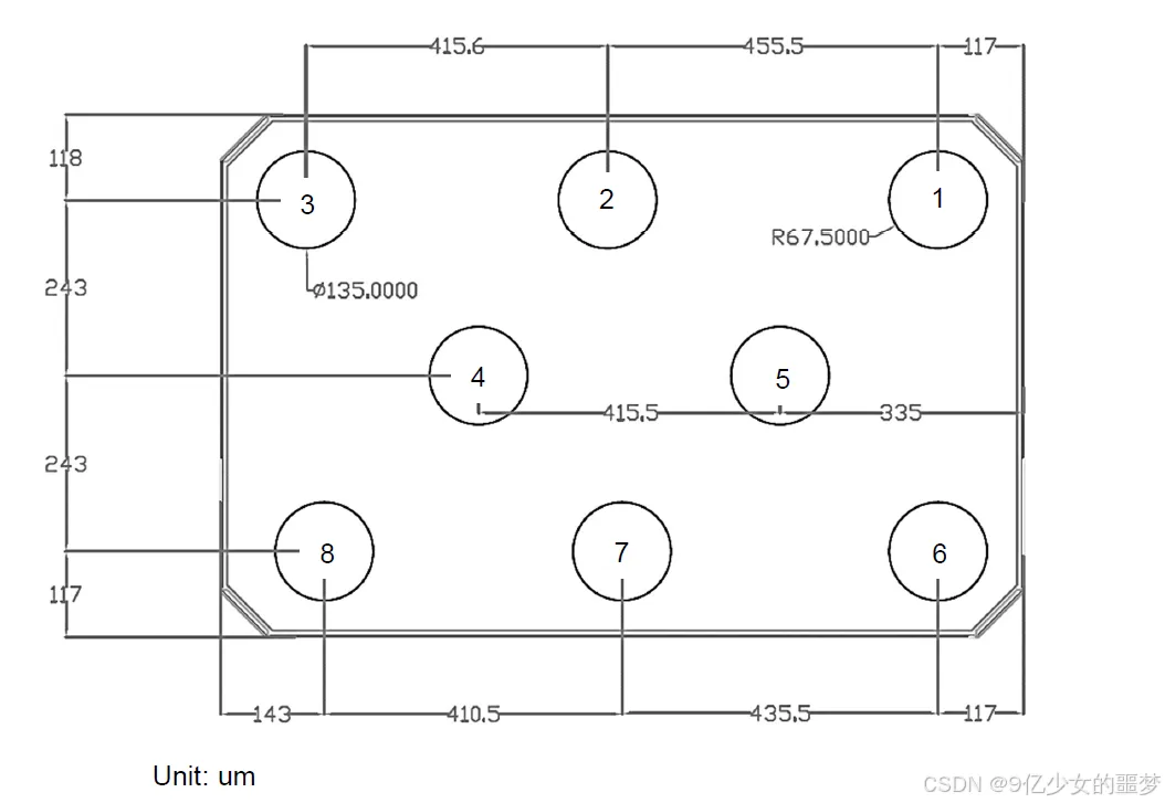
6. 引脚位置

7. 封装信息(底部视图)

8. 最大额定值

9. 热参数

总结: GH6120输入电压范围是2.3V到3V,意味着这个芯片适用于较低的电源电压,适合便携设备或者低功耗应用。

频率可调的模式,意味着用户可以根据需要调整充电泵的频率,以优化效率或减少噪声。

VSP和VSN的输出范围分别是4.5V到6V和-4.5V到-6V,这说明它能提供相当宽的正负电压输出,适合多种应用需求。

WLCSP8封装,这种封装通常体积小、成本低,适合集成到空间受限的设备中。

使用方便,用法简单,上电可用。

相关文章
|
2月前
|
缓存 前端开发 芯片
南京观海微电子---AXI总线技术简介——ZYNQ PS和PL的互联技术
AXI是Xilinx ZYNQ系列中实现ARM与FPGA高速通信的核心协议,支持Lite、4和Stream三种总线,分别适用于控制、批量传输和数据流场景。通过AXI Interconnect实现多设备互联,结合DMA等IP核,可高效完成数据交互,广泛应用于嵌入式系统开发。
南京观海微电子---AXI总线技术简介——ZYNQ PS和PL的互联技术
|
2月前
|
存储 芯片 异构计算
南京观海微电子---MIG IP核的使用——DDR接口专栏(二)
本文介绍Xilinx FPGA中MIG IP核的使用方法,涵盖DDR3颗粒选型、FPGA匹配、MIG参数配置及管脚分配等关键步骤,帮助用户实现对片外DDR存储器的高效读写操作。
南京观海微电子---MIG IP核的使用——DDR接口专栏(二)
|
2月前
|
算法 数据处理 异构计算
南京观海微电子----Verilog流水线设计——Pipeline
本文介绍FPGA设计中提升数据处理效率的流水线(Pipeline)技术。针对传统复制电路资源消耗大的问题,Pipeline通过将操作分解为时序均衡的多级处理段,实现数据并行处理,显著提高吞吐率与系统时钟频率,兼顾资源利用率与处理速度,适用于高速、大型FPGA系统设计。
南京观海微电子----Verilog流水线设计——Pipeline
|
SQL 监控 数据可视化
RMS 分布式链路追踪产品揭秘
背景为了快速适应业务变化,聚焦业务迭代,各大厂商都进行了分布式架构的升级改造。特别是近几年,随着微服务与云原生的流行,分布式系统的规模愈发庞大,内部服务之间的调用也越来越复杂。然而,引入分布式架构的同时,也带来相应的稳定性问题。各项服务的开发人员、开发语言和部署节点等情况很可能各不相同,当分布式系统整体出现异常或者性能瓶颈的时候,依靠传统的指标监控和日志排查已经很难快速定位到出问题的地方。因此当下
2267 0
RMS 分布式链路追踪产品揭秘
|
2月前
|
传感器
南京观海微电子-----常用传感器接线方法(直观)图解
本文介绍了多种传感器的接线原理与方法,包括交流型二线、NPN/PPN型三线、四线及五线传感器。重点讲解了各类型传感器的电源连接、信号输出方式及典型应用场景,帮助用户正确理解和实施传感器接线。
|
2月前
|
芯片 C++ Perl
南京观海微电子---多路降压稳压DC-DC开关电源电路设计(3.3V、5V、12V、ADJ)
LM2596是一款高效率降压稳压芯片,支持3A输出电流,输入电压可达40V,具有过热、限流保护功能。提供固定(3.3V/5V/12V)和可调(ADJ)版本,广泛用于电源转换设计。
南京观海微电子---多路降压稳压DC-DC开关电源电路设计(3.3V、5V、12V、ADJ)
|
2月前
|
vr&ar
观海微电子---AF、AG、AR 的差别和作用
AF、AR、AG镀膜技术分别实现抗指纹、增透防反射、防眩光功能。AF疏水防污,适用于屏幕;AR提升透光率,用于光伏、汽车玻璃;AG漫反射降反光,广泛应用于电子显示与文博领域。
|
2月前
|
存储 芯片
南京观海微电子---经典继电器驱动电路方案:单片机IO端口、三极管、达林顿管及嵌套连接
本文详解继电器工作原理及单片机驱动电路设计,涵盖四种经典驱动方案:IO口直驱、三极管驱动(NPN/PNP)、达林顿管驱动及继电器套娃方案,结合实际应用与面试常见问题,深入剖析电路设计要点与注意事项。
南京观海微电子---经典继电器驱动电路方案:单片机IO端口、三极管、达林顿管及嵌套连接
南京观海微电子----运放与MOS管组成的恒流源电路原理分析
本文详解运放与MOS管构成的恒流源电路原理。通过负反馈机制,采样电阻实时监测电流,运放调节三极管导通程度,维持负载电流稳定。结合MOS管输出与转移特性曲线,分析其工作区,并说明各元件作用,如稳压管提供基准电压、电阻限流缓冲等,实现高精度恒流输出。
南京观海微电子----运放与MOS管组成的恒流源电路原理分析
|
2月前
|
存储 芯片 内存技术
南京观海微电子----DDR的工作原理——DDR接口专栏(一)
DDR从SDR发展至今已至DDR5,历经多代演进。每代通过降低电压、提升预取(Prefetch)、引入Bank Group等技术,显著提高带宽与能效。DDR4采用16bit预取与Bank Group交错,实现高速传输;其寻址利用分时复用,大幅提升容量。文章详解了DDR架构、信号引脚及内存颗粒内部结构,揭示高容量与高性能实现原理。
南京观海微电子----DDR的工作原理——DDR接口专栏(一)