【永磁同步电机】基于自适应SDRE的非线性无传感器速度控制PMSM驱动器研究(Simulink仿真实现)

简介: 【永磁同步电机】基于自适应SDRE的非线性无传感器速度控制PMSM驱动器研究(Simulink仿真实现)

💥💥💞💞欢迎来到本博客❤️❤️💥💥

🏆博主优势:🌞🌞🌞博客内容尽量做到思维缜密,逻辑清晰,为了方便读者。

⛳️座右铭:行百里者,半于九十。

💥1 概述

基于自适应SDRE的非线性无传感器速度控制PMSM驱动器的方法是基于状态相关的Riccati方程(SDRE)控制技术的最新进展。该方法通过梯度型神经网络的实时计算方法,实现了在线控制PMSM的目标。这一创新性的方法不仅克服了传统控制方法中对传感器的依赖,还提高了控制系统的鲁棒性和性能。通过实时计算方法,系统可以更加灵活地应对外部环境变化和负载扰动,从而确保PMSM驱动器的稳定性和可靠性。这一方法的提出将为PMSM驱动器的控制领域带来新的突破,为工业应用和科研领域提供了更加可靠和高效的控制方案。

基于自适应SDRE的非线性无传感器速度控制PMSM驱动器研究是指基于自适应系统动态逆控制(SDRE)的技术,针对永磁同步电机(PMSM)驱动器,研究开发一种无传感器的非线性速度控制方法。

永磁同步电机是一种高性能的电机,通常用于需要高效率和高性能的应用领域,如电动汽车、工业驱动和风力发电等。传统的PMSM速度控制通常需要使用传感器来获取电机的转速信息,但传感器的使用会增加成本和复杂性,因此研究无传感器的速度控制方法对于PMSM驱动器的发展具有重要意义。

自适应系统动态逆控制(SDRE)是一种非线性控制方法,可以适应系统的非线性特性,并且不需要精确的系统模型。基于SDRE的无传感器速度控制方法通过利用电机的非线性特性,结合自适应控制策略,实现对PMSM驱动器的高性能速度控制,同时避免了传感器的使用。

这项研究的目标是开发一种高效、高性能的PMSM速度控制方法,通过实验和仿真验证,证明基于自适应SDRE的非线性无传感器速度控制方法在PMSM驱动器中的可行性和优越性。这样的研究有望为PMSM驱动器的应用提供更加先进和可靠的控制技术。

一、引言

永磁同步电机(PMSM)因其高性能、高效率的特点,在现代工业驱动系统中得到了广泛应用。然而,传统的PMSM速度控制方法通常依赖于传感器来获取电机的转速信息,这不仅增加了系统的复杂性和成本,还可能因传感器故障而导致系统不稳定。因此,研究无传感器的速度控制方法对于PMSM驱动器的发展具有重要意义。本文旨在探讨基于自适应系统动态逆控制(SDRE)的非线性无传感器速度控制方法在PMSM驱动器中的应用。

二、研究背景与意义

PMSM作为一种高性能电机,具有低速性能优良、动态特性好、调速范围宽广等优点,在电动汽车、工业驱动和风力发电等领域得到了广泛应用。然而,传统的速度控制方法依赖于传感器,这限制了其在某些特定场合的应用。无传感器速度控制方法能够克服这一限制,提高系统的可靠性和稳定性。基于自适应SDRE的非线性无传感器速度控制方法,通过利用电机的非线性特性,结合自适应控制策略,实现对PMSM驱动器的高性能速度控制,具有重要的研究价值和应用前景。

三、系统动态模型

为了实现基于自适应SDRE的非线性无传感器速度控制,首先需要建立PMSM的动态模型。该模型通常由磁链方程、电流方程和机械方程等组成,描述了电机的电磁和机械特性。根据电机的具体参数和特性,可以推导出系统的状态空间表达式,为后续控制器的设计提供基础。

四、自适应SDRE控制器设计

自适应SDRE控制是一种基于Riccati方程调节器的非线性控制方法,它通过自适应参数来优化控制器的性能。基于系统的状态空间表达式,采用自适应SDRE控制策略进行设计,具体步骤包括:

  1. 设置控制器结构,定义控制误差目标和性能指标。
  2. 计算状态反馈增益矩阵和Riccati方程解,以得到控制器的参数。
  3. 引入自适应机制,根据系统的实时状态调整控制器参数,以实现更优的控制效果。

五、无传感器速度估计器实现

由于无传感器速度控制需要获取电机的转速信息,因此需要实现无传感器速度估计器。可以采用滑模观测器或其他速度估计器来实现这一功能,以获得无传感器的速度测量。无传感器速度估计器的准确性对于控制系统的性能至关重要。

六、控制器与估计器连接

将自适应SDRE控制器和无传感器速度估计器与电机的动态模型相连接,确保控制器能够接收估计到的速度信号,并提供相应的控制输出。这一步骤是实现无传感器速度控制的关键。

七、仿真与实验验证

在Simulink环境中建立仿真模型,进行仿真验证。通过逐步参数调整和性能评估,对控制系统进行调试和优化。同时,进行实验研究,以验证所提方法在实际应用中的可行性和优越性。

八、结论与展望

本文研究了基于自适应SDRE的非线性无传感器速度控制方法在PMSM驱动器中的应用。通过仿真和实验验证,证明了该方法的有效性和优越性。未来,将进一步研究如何提高无传感器速度估计的准确性和鲁棒性,以及如何将该方法应用于更广泛的工业驱动系统中。

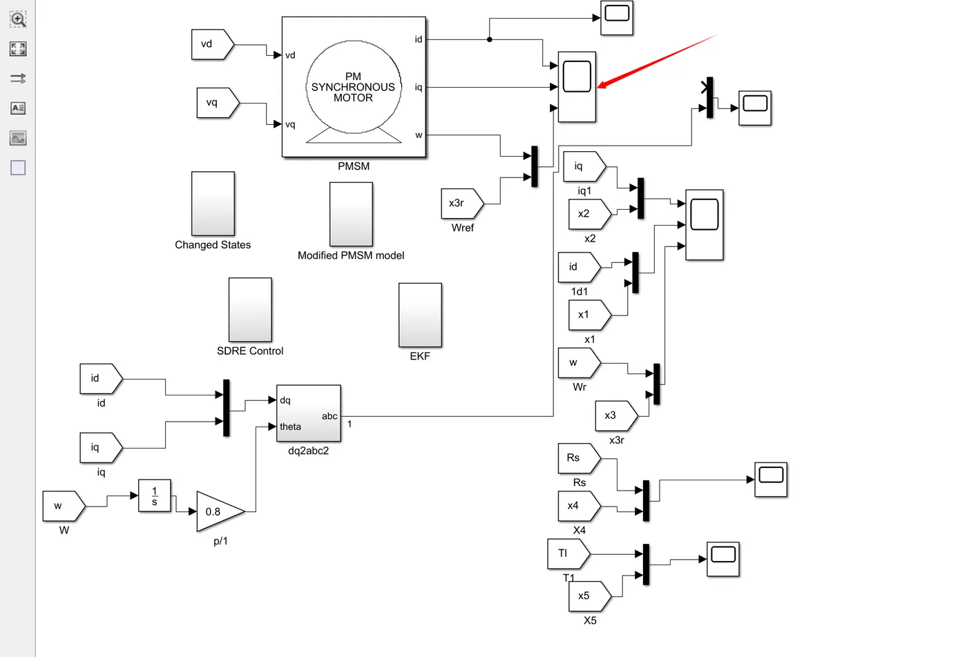
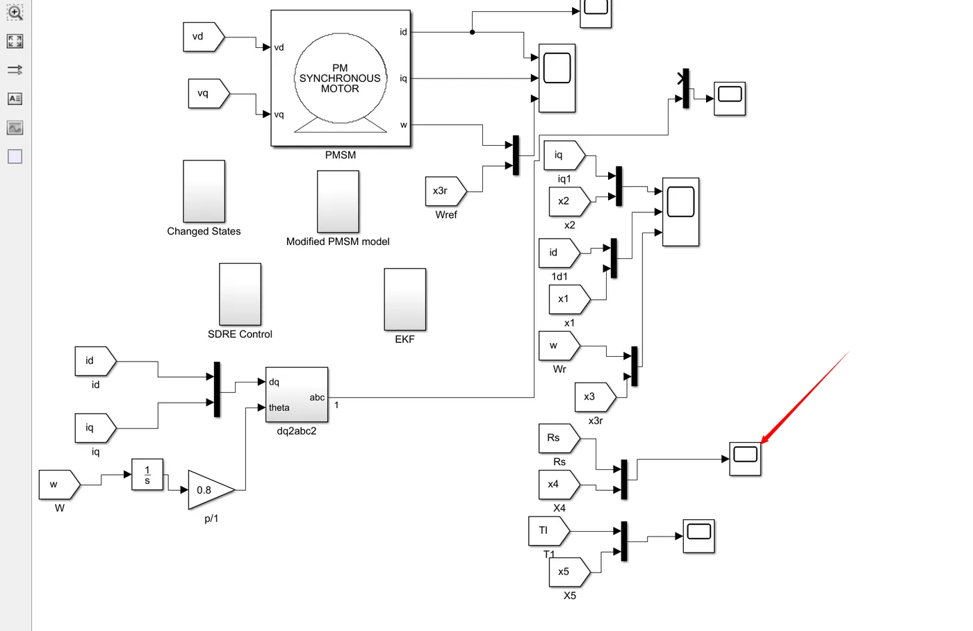
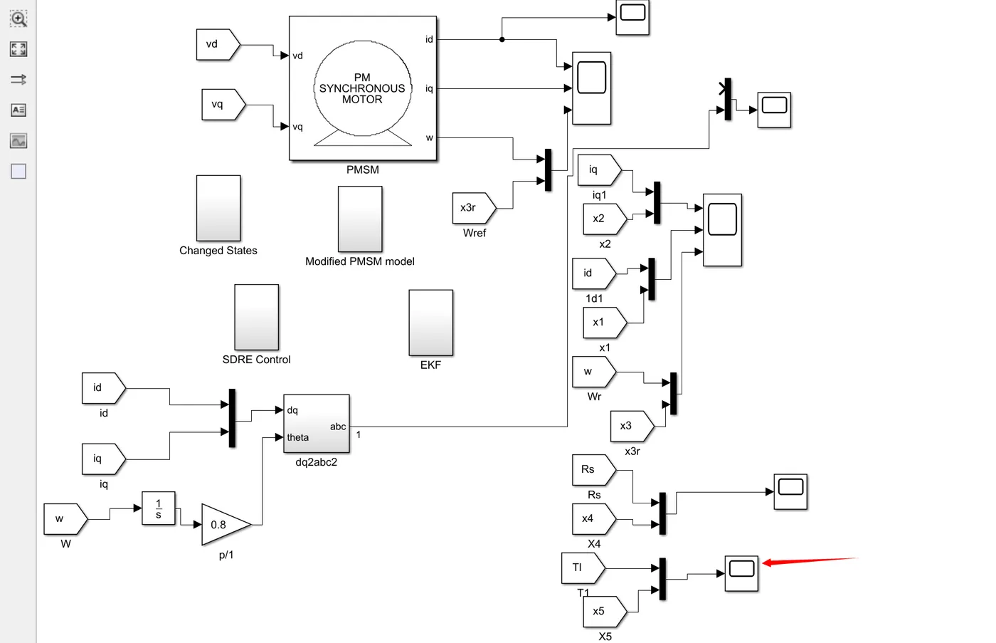
📚2 运行结果

image.gif 编辑

image.gif 编辑

image.gif 编辑

image.gif 编辑

image.gif 编辑

image.gif 编辑

image.gif 编辑

image.gif 编辑

image.gif 编辑

image.gif 编辑

image.gif 编辑

Matlab代码:

clc

clear all

Rs=0.625

Ld=0.036

Lq=0.051

phi=0.545

J=7.5e-4

F=0.036

P=2

% a1=R/Ld

a2=P*Lq/Ld

a3=P*Ld/Lq

% a4=R/Lq

a5=P*phi/Lq

a6=3/2*P*phi/J

a7=F/J

B=[1 0;0 1;0 0]

Qc=[1 0 0;0 1 0;0 0 1]

R=[1 0;0 10]

x2dot=0

x3dot=0

gama=0.1

% syms  a1 a2 a3 a4 a5 a6 a7 x1 x2 x3 R

% f=[-a1*R*x1+a2*x2*x3; -a3*x1*x3-a4*R*x2-a5*x3; a6*x2-a7*x3-1/J*Tl;0]

% jacobian(f,[x1 x2 x3 R ])

% E=4300170000*[1e-6 0 0 0   ;0 1e-6 0 0   ;0 0 1e-6 0   ;0 0 0 1e-6 ]

Rk=0.09*[1 0;0 1]

E=4300180000*[1e-6 0 0 0 0  ;0 1e-6 0 0  0 ;0 0 1e-6 0  0 ;0 0 0 1e-2 0; 0 0 0 0 1e-5]

🎉3 参考文献

文章中一些内容引自网络,会注明出处或引用为参考文献,难免有未尽之处,如有不妥,请随时联系删除。

[1]朱玉.基于滑模自适应的PMSM无速度传感器矢量控制研究[D].辽宁工程技术大学[2024-01-22].

[2]刘芳璇,崔晶,李益民,等.基于自适应模糊滑模的PMSM无速度传感控制研究[J].电子设计工程, 2014, 22(14):4.DOI:10.3969/j.issn.1674-6236.2014.14.022.

[3]黄靖宇,

相关文章
|
2月前
|
机器学习/深度学习 算法 机器人
【水下图像增强融合算法】基于融合的水下图像与视频增强研究(Matlab代码实现)
【水下图像增强融合算法】基于融合的水下图像与视频增强研究(Matlab代码实现)
204 0
|
29天前
|
机器学习/深度学习 数据采集 存储
创新型调制方案——剪枝DFT扩展FBMC结合SC-FDMA优势研究(Matlab代码实现)
【负荷预测】基于VMD-LSTM的负荷预测研究(Python代码实现)
146 71
|
29天前
|
存储 算法 数据中心
【论文复现】风光制氢合成氨系统优化研究(Python代码实现)
基于蓄电池进行调峰和频率调节研究【超线性增益的联合优化】(Matlab代码实现)
|
29天前
|
算法 调度 Python
【复现】并_离网风光互补制氢合成氨系统容量-调度优化分析(Python代码实现)
【复现】并_离网风光互补制氢合成氨系统容量-调度优化分析(Python代码实现)
297 0
|
29天前
|
机器学习/深度学习 存储 新能源
基于阶梯碳交易的含 P2G-CCS 耦合和燃气掺氢的虚拟电厂优化调度(Matlab代码实现)
基于阶梯碳交易的含 P2G-CCS 耦合和燃气掺氢的虚拟电厂优化调度(Matlab代码实现)
|
29天前
|
算法 数据可视化
【质量-弹簧-阻尼系统】基于脉冲响应约束的子空间辨识研究(Matlab代码实现)
【质量-弹簧-阻尼系统】基于脉冲响应约束的子空间辨识研究(Matlab代码实现)
133 0
|
2月前
|
算法 定位技术 计算机视觉
【水下图像增强】基于波长补偿与去雾的水下图像增强研究(Matlab代码实现)
【水下图像增强】基于波长补偿与去雾的水下图像增强研究(Matlab代码实现)
110 0
|
2月前
|
算法 机器人 计算机视觉
【图像处理】水下图像增强的颜色平衡与融合技术研究(Matlab代码实现)
【图像处理】水下图像增强的颜色平衡与融合技术研究(Matlab代码实现)
|
17天前
|
机器学习/深度学习 并行计算 计算机视觉
超参数调优:Grid Search 和 Random Search 的实战对比
模型85%准确率不够看?超参数优化能释放真正潜力!本文详解Grid Search与Random Search的原理、优劣及实战对比,揭示如何通过“粗搜+精调”混合策略高效提升模型性能,从“还行”到“能打”。
265 8
|
2月前
|
机器学习/深度学习 算法 机器人
使用哈里斯角Harris和SIFT算法来实现局部特征匹配(Matlab代码实现)
使用哈里斯角Harris和SIFT算法来实现局部特征匹配(Matlab代码实现)
143 8